Reference:
Neural Network and Learning Machines: International Edition, 3/e (Author: Haykin, ISBN:9780131293762) 人脑是专用计算机,通过神经元中的链接对经验进行存储;而计算机属于通用计算机,通过设计逻辑算法实现程序。因此结构不同,导致了人脑能够轻易实现 人脸识别,语音辨别等等 不是通过纯逻辑实现的事,因此通用计算机为了能够达到与大脑类似的效果,需要对大脑模型进行模拟,从而实现类似的功能。
大脑的基本结构
 大脑由神经元组成,每个神经元由 细胞本体,树突和轴突三部分所组成。 不同神经元之间的信号由轴突输入神经元,经过细胞本体,然后通过树突然后传递到下一个细胞中。(化学信号-电信号-化学信号)
神经元网络的基本特征
- 一个神经元同时是 多个神经元的受体,也可以将信号传递给多个其他的细胞。(另外细胞也并非单向传递)
- 神经元的信号是多个细胞信息输入的叠加(信息有正有负,也就是有激活也有抑制)(因为突触是有激励因子,也有抑制因子)
- 神经元的信号输入和输出并不呈现线性关系。首先存在一定的阈值,当信号超过一定的阈值之后就会快速上升。 简单来看可以看作 sign 函数,输入之和超过一定阈值之后就会激活神经元。
- 神经元更高强度的兴奋不是有更高的输入造成的,而是由更高频率的有效刺激造成的。
通过大脑结构构建基本神经元模型
- 一个神经元有多个输入,然后有一个输出。
- 输入信号来自于不同的神经元,有不同的权重,可正可负(激励型和抑制型)。
- 神经元本身的输入可以简单看作两个结果: 激励状态 和 未被激励状态。(0和1)
因此可以将神经元简单看作两个过程: 过程一:
v
(
x
?
)
=
w
?
T
x
?
+
b
v(\vec x) =\vec w^T \vec x + b
v(x
)=w
Tx
+b 其中,
i
n
p
u
t
:
x
?
=
[
x
1
,
x
2
,
…
,
x
n
]
T
,
w
e
i
g
h
t
s
:
w
?
=
[
w
1
,
w
2
,
…
,
w
n
]
,
b
:
t
h
r
e
s
h
o
l
d
{ input: \vec x = [x_1,x_2, \dots, x_n]^T, weights: \vec w =[ w_1,w_2, \dots, w_n], b: threshold }
input:x
=[x1?,x2?,…,xn?]T,weights:w
=[w1?,w2?,…,wn?],b:threshold 过程二:
y
=
φ
(
v
)
y = \varphi(v)
y=φ(v) 其中,
φ
=
s
i
g
n
{ \varphi = sign}
φ=sign, 存在激活函数,当
v
>
=
0
,
y
=
1
;
v
<
0
,
y
=
0
{ v>=0, y =1; v<0, y=0 }
v>=0,y=1;v<0,y=0  因此最终的函数可以表示为:
y
=
φ
(
w
?
T
x
?
+
b
)
y = \varphi( \vec w^T \vec x +b )
y=φ(w
Tx
+b) 因为 阶跃函数不是连续函数,因此最终的函数也不是连续函数,而是单纯两个值的输出。 当我们将激活函数换成其他的函数,比如 sigmoid function:
φ
(
v
)
=
1
1
+
e
?
a
v
{\varphi (v) = \frac{1}{1+e^{-av}}}
φ(v)=1+e?av1? tanh function:
φ
(
v
)
=
e
x
?
e
?
x
e
x
+
e
?
x
{ \varphi(v) = \frac{e^{x}-e^{-x}}{e^{x}+e^{-x}}}
φ(v)=ex+e?xex?e?x? 连续并且可导,那么该神经元结果就是连续并且可导的。
Perceptron
一个神经元在初期被称为感受器perceptron,对感受器的理解是对神经元网路理解的基础。
二分类问题
因为感受器的输出为0和1,因此可以作为感受器,实现标签的分类。 当
w
?
T
x
?
>
=
0
{\vec w^T \vec x >=0}
w
Tx
>=0,标签结果为一类; 当
w
?
T
x
?
<
0
{ \vec w^T \vec x <0 }
w
Tx
<0,标签结果为另外一类。因此我们可以看到 感受器实际上是一个线性二分类器。通过创造出一条直线或者一个超平面,实现不同标签的分类。 线性可分的问题(linearly separable)才能用感受器实现,而且只要是线性可分,感受器一定能够实现。
如何得到想要的权重
- 对于低维度的点来说,我们可以直接肉眼观察,然后得到边界线和权重。
- 对于高维度的分类问题,我们只能通过learning来实现。
问题定义
我们有m个点,对于每一个点
x
?
i
=
[
1
,
x
1
,
x
2
,
…
,
x
n
?
1
]
{\vec x_i = [1, x_1,x_2, \dots, x_{n-1}]}
x
i?=[1,x1?,x2?,…,xn?1?],然后有想要的标签
d
i
{ d_i }
di?。 我们随机定义了权重
w
?
=
[
b
,
w
1
,
w
2
,
…
,
w
n
?
1
]
{\vec w = [b,w_1,w_2, \dots, w_{n-1}]}
w
=[b,w1?,w2?,…,wn?1?]。 我们想要实现, 对于每一个点,都能实现
φ
(
w
?
T
x
?
i
)
=
d
i
{ \varphi(\vec w^T \vec x_i) = d_i }
φ(w
Tx
i?)=di?.
问题分析
对于m个点,假设存在一组
w
?
{\vec w}
w
能够实现所有点的正确划分。 对于
d
i
=
1
{d_i = 1}
di?=1的点来说,如果划分错误,使得
w
?
T
x
?
<
0
{\vec w^T \vec x <0}
w
Tx
<0,我们应该更新权重
w
?
n
=
w
?
n
?
1
+
Δ
w
?
{\vec w_n = \vec w_{n-1} + \Delta \vec w}
w
n?=w
n?1?+Δw
。
Δ
w
\Delta w
Δw 应该能使得
w
?
t
x
?
{\vec w^t \vec x}
w
tx
整体值变大。 所以
Δ
w
?
=
η
x
?
(
η
>
0
)
{ \Delta \vec w = \eta \vec x (\eta>0) }
Δw
=ηx
(η>0) 对于
d
i
=
0
{d_i=0}
di?=0的点来说,如果划分错误,我们应该更新权重,使得结果朝着
w
?
T
x
?
{ \vec w^T \vec x }
w
Tx
减小。所以
Δ
w
?
=
?
η
x
{\Delta \vec w = - \eta x}
Δw
=?ηx 我们定义 误差error:
e
=
d
i
?
w
?
T
x
?
i
{e = d_i - \vec w^T \vec x_i}
e=di??w
Tx
i? 那么我们将结果上述结果合起来:
Δ
w
?
=
η
e
x
?
{\Delta \vec w = \eta e \vec x}
Δw
=ηex
η
{\eta}
η作为权重,能够改变每一步的更新速率。
算法
确定学习速率
η
{\eta}
η 随机生成权重
w
?
{\vec w}
w
for
x
i
,
d
i
{x_i, d_i}
xi?,di? in all points 计算
e
=
d
i
?
w
?
T
x
?
{ e = d_i - \vec w^T \vec x }
e=di??w
Tx
然后更新权重:
w
n
=
w
n
?
1
+
η
e
x
?
{ w_n = w_{n-1} + \eta e \vec x }
wn?=wn?1?+ηex
对于线性可分的问题,我们可以等到零误差(所有标签全都正确),再停止结果。 对于线性不可分的问题,我们可以计算一定的循环次数,然后停止。
感受器必然能够实现 线性可分问题的原因
Perceptron Convergence Theorem: (Rosenblatt, 1962) 此文章证明了感受器对于线性可分的问题必然会收敛。
回归问题
回归问题难以实现对于所有点的正确标记,因此我们通常将其视为优化问题,所有点的误差之和最少:
E
(
w
?
)
=
1
2
∑
n
i
=
1
e
(
i
)
2
=
1
2
∑
i
=
1
n
[
d
(
i
)
?
y
(
i
)
]
2
{E(\vec w) =\frac{1}{2} \sum_n^{i=1}e(i)^2 =\frac{1}{2} \sum^n_{i=1}[d(i)-y(i)]^2 }
E(w
)=21?∑ni=1?e(i)2=21?∑i=1n?[d(i)?y(i)]2
分析问题
首先我们定义几个相关变量:
-
d
?
=
[
d
1
,
d
2
,
…
,
d
n
]
T
\vec d = [d_1,d_2, \dots,d_n]^T
d
=[d1?,d2?,…,dn?]T
-
X
=
[
x
?
1
,
x
?
2
,
…
,
x
?
n
]
X=[\vec x_1, \vec x_2, \dots, \vec x_n]
X=[x
1?,x
2?,…,x
n?]
-
e
?
=
d
?
?
X
T
?
w
?
\vec e = \vec d - X^T \cdot \vec w
e
=d
?XT?w
-
E
(
w
?
)
=
1
2
e
?
T
e
?
E(\vec w) =\frac{1}{2} \vec e^T \vec e
E(w
)=21?e
Te
其中 X 的维度是 (m,n),其中 m是变量的维度, n是数据点的数量。 然后,我们为了得到最优解,我们必须求解cost function梯度为零的点:
▽
(
E
(
w
?
)
)
=
0
▽
w
?
(
E
(
w
?
)
)
=
e
?
T
?
(
?
X
T
)
(
d
?
T
?
w
?
T
X
)
X
T
=
0
w
?
T
X
X
T
=
d
?
X
T
X
X
T
w
?
=
X
d
?
T
w
?
=
(
X
X
T
)
?
1
X
d
?
T
\begin{aligned} \bigtriangledown ( E(\vec w) ) &= 0 \\ \bigtriangledown_{\vec w} ( E(\vec w) ) &= \vec e^T \cdot (-X^T) \\ (\vec d^T - \vec w^T X) X^T &= 0 \\ \vec w^T X X^T &= \vec d X^T \\ X X^T \vec w &=X \vec d^T \\ \vec w &= (X X^T)^{-1}X \vec d^T \\ \end{aligned}
▽(E(w
))▽w
?(E(w
))(d
T?w
TX)XTw
TXXTXXTw
w
?=0=e
T?(?XT)=0=d
XT=Xd
T=(XXT)?1Xd
T? 其中
(
X
X
T
)
?
1
(X X^T)^{-1}
(XXT)?1 也就是 X的伪逆。该方程对于维度较低时较为有用,但是对于较多的数据时,对内存要求比较高。因此,对于较多的数据,可以使用以下的方式: learning。
Learning
我们将
E
(
w
?
)
E(\vec w)
E(w
)看作连续可微分的函数,那么我们每次更新
w
?
\vec w
w
都朝着 使得
E
(
w
?
)
E(\vec w)
E(w
)下降最快的方向变化,就能找到局部最优点。 因此,我们每次更新
w
?
\vec w
w
的公式就是:
w
?
n
=
w
?
n
?
1
?
η
▽
w
?
E
(
w
?
)
w
?
n
=
w
?
n
?
1
+
η
e
(
n
)
x
?
(
n
)
\begin{aligned} \vec w_n &= \vec w_{n-1} - \eta \bigtriangledown_{\vec w}E(\vec w) \\ \vec w_n &= \vec w_{n-1} + \eta e(n) \vec x(n) \end{aligned}
w
n?w
n??=w
n?1??η▽w
?E(w
)=w
n?1?+ηe(n)x
(n)? 其中,
e
(
n
)
=
d
(
n
)
?
w
?
T
x
?
(
n
)
e(n)=d(n)-\vec w^T \vec x(n)
e(n)=d(n)?w
Tx
(n)
Multi-layer Perceptron
由于单个感受器只能实现已一条直线的模拟,只能完成对于线性可分的问题的解答,或者对于线性关系尽心拟合,难以完成更加复杂的问题求解,甚至连XOR都难以模拟。因此,出现了多个神经元相连结的神经元网络。
XOR问题引入
对于XOR问题,单个感受器是无法进行模拟的。
| input 1 | input 2 | output |
|---|
|
x
1
x_1
x1? |
x
2
x_2
x2? |
y
y
y | | 0 | 0 | 0 | | 1 | 0 | 1 | | 0 | 1 | 1 | | 1 | 1 | 0 |
 因为感受器只能生成一条边界线,无法生成两条。 如果我们使用两个输出,而不是单个输出:  此时我们发现XOR问题中 (0,1) 和 (1,0 )变成了一个点,实现了空间位置的转变,变成了可以线性可分的问题。 此时,将这两个输出作为输入,连接在一个感受器(神经元)上,就可以实现XOR问题的模拟。
多层神经网络
 我们在考虑神经网络的层数时,不考虑输入层,只考虑隐藏层和输出层。一个全连接层和一个激活层组成了一个神经网络层。 对于每一层的全连接层,都是
w
?
x
?
+
b
\vec w \vec x+b
w
x
+b。对于激活层,我们则可以根据我们的需要进行修改,比如RELU,sigmoid function, atanh函数等等。
LMS 方法
我们仍然将其看成一个优化问题: 需要解决的问题: 我们目前神经网络中的权重都是随机生成的,我们需要通过输出结果和我们的label( d )之间的误差e,对权重进行更新,减小生成的误差。 对于每一个数据点所产生的误差:
E
(
i
)
=
1
2
∑
j
=
1
n
3
e
j
(
i
)
2
=
1
2
∑
j
=
1
n
3
[
d
j
(
i
)
?
x
o
u
t
,
j
(
3
)
(
i
)
]
2
E(i) = \frac{1}{2}\sum_{j=1}^{n_3} e_j(i)^2=\frac{1}{2}\sum_{j=1}^{n_3}[d_j(i)- x_{out,j}^{(3)}(i)]^2
E(i)=21?j=1∑n3??ej?(i)2=21?j=1∑n3??[dj?(i)?xout,j(3)?(i)]2 对于同时对一批数据点进行处理:
E
=
1
2
∑
i
m
∑
j
=
1
n
3
e
j
(
i
)
2
E =\frac{1}{2} \sum_{i}^{m} \sum_{j=1}^{n_3} e_j(i)^2
E=21?i∑m?j=1∑n3??ej?(i)2 我们对每个点进行分别处理,而不采取批处理,因为批处理容易陷入局部最优;对数据进行分别处理,则有助于增加noise,能够跳出局部最优,因此对每个点单独进行处理则比较好。 我们再使用梯度下降法:
Δ
w
j
i
(
s
)
(
n
)
=
?
η
[
?
E
(
n
)
?
w
j
i
(
s
)
(
n
)
]
T
\Delta w_{ji}^{(s)}(n) = - \eta [ \frac{\partial E(n)}{\partial w_{ji}^{(s)}(n)}]^T
Δwji(s)?(n)=?η[?wji(s)?(n)?E(n)?]T 其中,s对应第一,二,三层;j是i的下一层。
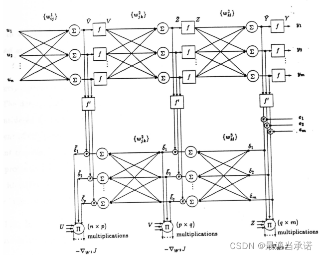
Back Propagation
第三层权重更新
v
j
(
3
)
=
∑
i
n
2
w
j
i
(
3
)
x
o
u
t
,
i
(
2
)
x
o
u
t
,
j
(
3
)
=
φ
(
3
)
[
v
j
(
3
)
]
e
r
r
o
r
:
e
j
(
n
)
=
d
j
(
n
)
?
x
o
u
t
,
j
(
3
)
\begin{aligned} v^{(3)}_j &=\sum_i^{n_2}w^{(3)}_{ji} x_{out,i}^{(2)} \\ x_{out,j}^{(3)} &=\varphi^{(3)}[ v_{j}^{(3)} ] \\ error: e_j(n) &= d_j(n)-x_{out,j}^{(3)} \end{aligned}
vj(3)?xout,j(3)?error:ej?(n)?=i∑n2??wji(3)?xout,i(2)?=φ(3)[vj(3)?]=dj?(n)?xout,j(3)?? 我们根据链式法则,可以对第三层权重进行更新:
?
E
?
w
j
i
(
3
)
=
?
E
?
e
j
(
n
)
?
e
j
(
n
)
?
x
o
u
t
,
j
(
3
)
?
x
o
u
t
,
j
(
3
)
?
v
j
(
3
)
?
v
j
3
(
)
?
w
j
i
(
3
)
=
e
j
(
n
)
?
(
?
1
)
?
φ
(
3
)
′
[
v
j
(
3
)
]
?
x
o
u
t
,
i
(
2
)
=
?
e
j
(
n
)
φ
(
3
)
′
[
v
j
(
3
)
]
x
o
u
t
,
i
(
2
)
\begin{aligned} \frac{\partial E}{\partial w^{(3)}_{ji}} &= \frac{\partial E}{\partial e_j(n)} \frac{\partial e_j(n)}{\partial x^{(3)}_{out,j}} \frac{\partial x^{(3)}_{out,j}}{\partial v_j^{(3)}}\frac{\partial v_j^{3()}}{\partial w^{(3)}_{ji}} \\ &=e_j(n) \cdot (-1)\cdot \varphi^{(3)'}[v_j^{(3)}] \cdot x^{(2)}_{out,i} \\ &= -e_j(n)\varphi^{(3)'}[v^{(3)}_j]x^{(2)}_{out,i} \end{aligned}
?wji(3)??E??=?ej?(n)?E??xout,j(3)??ej?(n)??vj(3)??xout,j(3)???wji(3)??vj3()??=ej?(n)?(?1)?φ(3)′[vj(3)?]?xout,i(2)?=?ej?(n)φ(3)′[vj(3)?]xout,i(2)?? 另外,我们可以定义
δ
j
(
3
)
(
n
)
=
e
j
(
n
)
φ
(
3
)
′
[
v
j
(
3
)
]
\delta^{(3)}_j(n)=e_j(n)\varphi^{(3)'}[v_j^{(3)}]
δj(3)?(n)=ej?(n)φ(3)′[vj(3)?],则上式可以写成
?
E
?
w
j
i
(
3
)
=
?
δ
j
(
3
)
(
n
)
x
o
u
t
,
i
(
2
)
(
n
)
\frac{\partial E}{\partial w^{(3)}_{ji}}=-\delta_j^{(3)}(n)x^{(2)}_{out,i}(n)
?wji(3)??E?=?δj(3)?(n)xout,i(2)?(n) 因此我们可以得到第三层权重的更新公式:
w
j
i
(
3
)
(
n
+
1
)
=
w
j
i
(
3
)
(
n
)
+
η
δ
j
(
3
)
(
n
)
x
o
u
t
,
i
(
2
)
(
n
)
w_{ji}^{(3)}(n+1) = w_{ji}^{(3)}(n)+ \eta \delta_j^{(3)}(n)x_{out,i}^{(2)}(n)
wji(3)?(n+1)=wji(3)?(n)+ηδj(3)?(n)xout,i(2)?(n) 其中
δ
j
(
3
)
\delta_j^{(3)}
δj(3)?可以看作输出误差,
x
o
u
t
,
i
(
2
)
(
n
)
x_{out,i}^{(2)}(n)
xout,i(2)?(n)可以看作输入信号。
第二层权重更新
 我们采用和上述同样的方式,采用链式法则求解。
?
E
?
w
j
,
k
(
2
)
=
?
E
?
x
o
u
t
,
i
(
3
)
?
x
o
u
t
,
i
(
3
)
?
v
i
(
3
)
?
v
i
(
3
)
?
x
o
u
t
,
j
(
2
)
?
x
o
u
t
,
j
(
2
)
?
v
j
(
2
)
?
v
j
(
2
)
?
w
j
,
k
(
2
)
=
?
e
i
(
n
)
φ
(
3
)
′
[
v
i
(
3
)
]
w
i
,
j
(
2
)
φ
(
2
)
′
[
v
j
(
2
)
]
x
o
u
t
,
k
(
1
)
=
?
δ
i
(
3
)
w
i
,
j
(
2
)
φ
(
2
)
′
[
v
j
(
2
)
]
x
o
u
t
,
k
(
1
)
\begin{aligned} \frac{\partial E}{\partial w_{j,k}^{(2)}} &=\frac{\partial E}{\partial x^{(3)}_{out,i}} \frac{\partial x^{(3)}_{out,i}}{ \partial v_i^{(3)}} \frac{ \partial v_i^{(3)}}{\partial x_{out,j}^{(2)}}\frac{ \partial x_{out,j}^{(2)} }{ \partial v_{j}^{(2)} } \frac{\partial v_{j}^{(2)}}{\partial w_{j,k}^{(2)} } \\ &=-e_{i}(n) \varphi^{(3)'}[ v_i^{(3)} ]w^{(2)}_{i,j} \varphi^{(2)'}[ v_j^{(2)}] x^{(1)}_{out,k} \\ &= -\delta_i^{(3)}w^{(2)}_{i,j}\varphi^{(2)'}[v_j^{(2)}]x_{out,k}^{(1)} \end{aligned}
?wj,k(2)??E??=?xout,i(3)??E??vi(3)??xout,i(3)???xout,j(2)??vi(3)???vj(2)??xout,j(2)???wj,k(2)??vj(2)??=?ei?(n)φ(3)′[vi(3)?]wi,j(2)?φ(2)′[vj(2)?]xout,k(1)?=?δi(3)?wi,j(2)?φ(2)′[vj(2)?]xout,k(1)?? 但是我们可以看到上式的i是一个不定量,因为我们在对
w
j
,
k
(
2
)
w_{j,k}^{(2)}
wj,k(2)?进行求导的时候,我们没有包含i的信息。而且
w
j
,
k
(
2
)
w_{j,k}^{(2)}
wj,k(2)?对于第三层中的所有输出都会有影响,因此实际上这里的链式法则应该对i进行求和!
?
E
?
w
j
,
k
(
2
)
=
?
∑
i
n
3
[
δ
i
(
3
)
w
i
,
j
(
3
)
]
φ
(
2
)
′
[
v
j
(
2
)
]
x
o
u
t
,
k
(
1
)
\begin{aligned} \frac{\partial E}{\partial w_{j,k}^{(2)}} =- \sum_i^{n_3} [ \delta_i^{(3)}w^{(3)}_{i,j}]\varphi^{(2)'}[v_j^{(2)}]x_{out,k}^{(1)} \end{aligned}
?wj,k(2)??E?=?i∑n3??[δi(3)?wi,j(3)?]φ(2)′[vj(2)?]xout,k(1)?? 此时,我们定义一个变量:
δ
j
(
2
)
=
∑
i
n
3
[
δ
i
(
3
)
w
i
,
j
(
3
)
]
φ
(
2
)
′
[
v
j
(
2
)
]
\delta_j^{(2)}=\sum_i^{n_3} [ \delta_i^{(3)}w^{(3)}_{i,j}]\varphi^{(2)'}[v_j^{(2)}]
δj(2)?=∑in3??[δi(3)?wi,j(3)?]φ(2)′[vj(2)?] 那么第二层的权重可以写作:
Δ
w
j
,
k
(
2
)
=
?
δ
j
(
2
)
x
o
u
t
,
k
(
1
)
\Delta w_{j,k}^{(2)} = - \delta_{j}^{(2)}x_{out,k}^{(1)}
Δwj,k(2)?=?δj(2)?xout,k(1)?
第一层权重
同样的形式,我们可以写成:
δ
k
(
1
)
=
∑
j
n
2
[
δ
j
(
2
)
w
j
k
(
2
)
]
φ
(
1
)
′
[
v
k
(
1
)
]
Δ
w
k
,
l
(
1
)
=
?
δ
k
(
1
)
x
l
\begin{aligned} \delta_k^{(1)} &=\sum_j^{n_2}[\delta^{(2)}_j w^{(2)}_{jk}] \varphi^{(1)'}[v^{(1)}_k]\\ \Delta w^{(1)}_{k,l} &= -\delta_k^{(1)}x_{l} \\ \end{aligned}
δk(1)?Δwk,l(1)??=j∑n2??[δj(2)?wjk(2)?]φ(1)′[vk(1)?]=?δk(1)?xl??
Back Propagation
我们可以看到,对于每一个数据点
[
x
1
(
n
)
,
x
2
(
n
)
,
…
,
x
m
(
n
)
]
T
[x_1(n), x_2(n), \dots, x_m(n)]^T
[x1?(n),x2?(n),…,xm?(n)]T,我们可以正向传递得到最后的结果,然后根据正向得到的
δ
i
(
3
)
\delta_i^{(3)}
δi(3)?反向去求解
δ
j
(
2
)
\delta_j^{(2)}
δj(2)?,根据
δ
j
(
2
)
\delta_j^{(2)}
δj(2)?求解之前的
δ
k
(
1
)
\delta_k^{(1)}
δk(1)?,根据不同层的
δ
\delta
δ对不同层的权重进行更新。 
真正的权重更新
Δ
w
j
i
(
s
)
(
k
)
=
α
Δ
w
j
i
(
s
)
(
k
?
1
)
+
η
(
s
)
δ
j
(
s
)
(
k
)
x
o
u
t
,
i
(
s
?
1
)
(
k
)
=
α
2
Δ
w
j
i
(
s
)
(
k
?
2
)
+
η
(
s
)
[
α
δ
j
(
s
)
(
k
?
1
)
x
o
u
t
,
i
(
s
?
1
)
(
k
?
1
)
+
δ
j
(
s
)
(
k
)
x
o
u
t
,
i
(
s
?
1
)
(
k
)
]
=
η
(
s
)
∑
t
=
0
k
α
k
?
t
δ
j
(
s
)
(
t
)
x
o
u
t
,
i
(
s
?
1
)
(
t
)
\begin{aligned} \Delta w_{ji}^{(s)}(k) &= \alpha \Delta w_{ji}^{(s)}(k-1)+ \eta^{(s)}\delta_j^{(s)}(k)x^{(s-1)}_{out,i}(k) \\ &= \alpha^2 \Delta w_{ji}^{(s)}(k-2) + \eta^{(s)}[ \alpha \delta_j^{(s)}(k-1)x^{(s-1)}_{out,i}(k-1) +\delta_j^{(s)}(k)x^{(s-1)}_{out,i}(k) ] \\ &=\eta^{(s)}\sum_{t=0}^{k} \alpha^{k-t}\delta_j^{(s)}(t) x_{out,i}^{(s-1)}(t) \end{aligned}
Δwji(s)?(k)?=αΔwji(s)?(k?1)+η(s)δj(s)?(k)xout,i(s?1)?(k)=α2Δwji(s)?(k?2)+η(s)[αδj(s)?(k?1)xout,i(s?1)?(k?1)+δj(s)?(k)xout,i(s?1)?(k)]=η(s)t=0∑k?αk?tδj(s)?(t)xout,i(s?1)?(t)? 这样每次权重的更新 都是之前所有误差项的加权平均。 越往后的误差项,权重越高。这样的更新相当于增加了惯性项。 同时权重的更新并不只是一个点数据的影响,而是之前所有点数据的影响:这样的梯度方向相当于能够使得之前所有的点误差减小,因此能够使得结果更加的稳定。
更新停止的几种方式:
- 总误差小于阈值
- 总的迭代次数到了一定值
- 误差的平均值的变化趋于0
- 权重的变化趋于0
神经网络如何设计
|