|
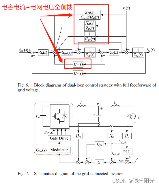
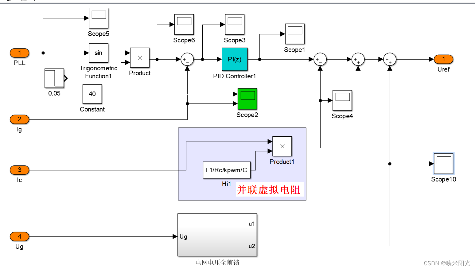
0 前言 这是关于南航阮兴波老师的论文: Wang X, Ruan X, Liu S, et al. Full Feedforward of Grid Voltage for Grid-Connected Inverter With LCL Filter to Suppress Current Distortion Due to Grid Voltage Harmonics[J]. IEEE Transactions on Power Electronics, 2010, 25(12): 3119-3127.对其进行研究,建模与仿真复现。 关于LCL并网逆变器的书籍,个人觉得阮老师的《LCL型并网逆变器的控制技术》这本书写的非常详细,有需要的可以自提一下: 链接:https://pan.baidu.com/s/1CPTq1OUgPmFk1ZKha86S9Q?pwd=s4wt 提取码:s4wt 1 论文内容 这篇文章主要的贡献在于: 1.电网存在谐波时,如何保证并网电流的质量。对于电网电压中的扰动量,最常见的方式便是前馈,即将谐波量前馈到控制器中,以此抵消,保证输出电流的质量。 2.电容侧并联电阻的有源阻尼形式,将并联电阻的等效效果通过采样电容电流前馈至调制波中,实现有源阻尼的效果。   具体细节大家可参见上面提到的论文。 2.仿真实现          对论文中提到的几种工况均进行了仿真,结果基本与论文保持一致。 最后 限于毕业论文时间紧,并未能够对建模过程和仿真结果分析展开叙述,争取后期写完毕业论文补上。 另外,部分内容会投稿至bilibili账号:https://space.bilibili.com/378848584,欢迎大家关注~
|