1.简介
直接存储器存取(DMA)用来提供在外设和存储器之间或者存储器和存储器之间的高速数据传输。无须CPU干预,数据可以通过DMA快速地移动,这就节省了CPU的资源来做其他操作。 两个DMA控制器有12个通道(DMA1有7个通道,DMA2有5个通道),每个通道专门用来管理来自于一个或多个外设对存储器访问的请求。还有一个仲裁器来协调各个DMA请求的优先权。
2.DMA的特性
- 12个独立的可配置的通道(请求):DMA1有7个通道,DMA2有5个通道
- 每个通道都直接连接专用的硬件DMA请求,每个通道都同样支持软件触发。这些功能通过软件来配置。
- 在同一个DMA模块上,多个请求间的优先权可以通过软件编程设置(共有四级:很高、高、中等和低),优先权设置相等时由硬件决定(请求0优先于请求1,依此类推) 。
- 独立数据源和目标数据区的传输宽度(字节、半字、全字),模拟打包和拆包的过程。源和目标地址必须按数据传输宽度对齐
- 支持循环的缓冲器管理。
- 每个通道都有3个事件标志(DMA半传输、DMA传输完成和DMA传输出错),这3个事件标志逻辑或成为一个单独的中断请求。
- 存储器和存储器间的传输(falsh和SRAM之间)。
- 外设和存储器、存储器和外设之间的传输。
- 闪存、SRAM、外设的SRAM、APB1、APB2和AHB外设均可作为访问的源和目标。。
10.可编程的数据传输数目:最大为65535。
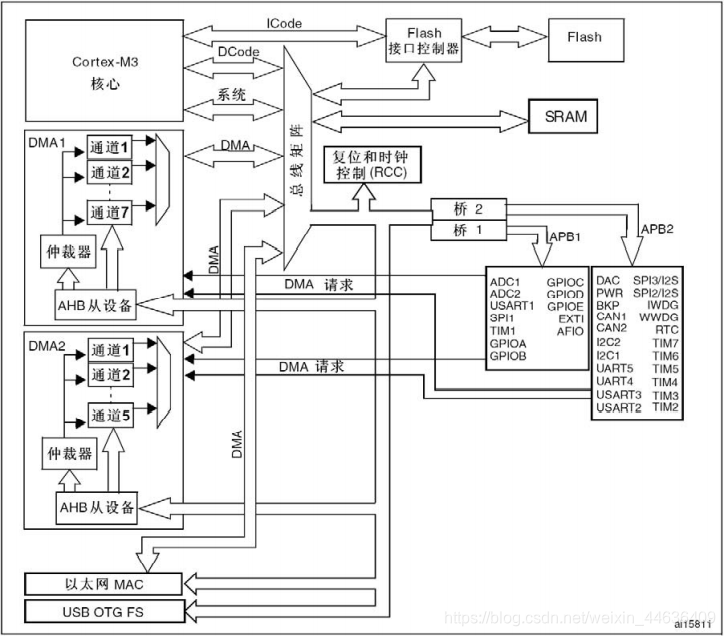
功能框图:  DMA1 各通道一览表 
3.功能描述
DMA控制器和Cortex?-M3核心共享系统数据总线,执行直接存储器数据传输。当CPU和DMA同时访问相同的目标(RAM或外设)时,DMA请求会暂停CPU访问系统总线达若干个周期,总线仲裁器执行循环调度,以保证CPU至少可以得到一半的系统总线(存储器或外设)带宽。
4.DMA处理
在发生一个事件后,外设向DMA控制器发送一个请求信号。DMA控制器根据通道的优先权处理请求。当DMA控制器开始访问发出请求的外设时,DMA控制器立即发送给它一个应答信号。当从DMA控制器得到应答信号时,外设立即释放它的请求。一旦外设释放了这个请求,DMA控制器同时撤销应答信号。如果有更多的请求时,外设可以启动下一个周期。 总之,每次DMA传送由3个操作组成: ● 从外设数据寄存器或者从当前外设/存储器地址寄存器指示的存储器地址取数据,第一次传输时的开始地址是DMA_CPARx或DMA_CMARx寄存器指定的外设基地址或存储器单元。 ●存数据到外设数据寄存器或者当前外设/存储器地址寄存器指示的存储器地址,第一次传输时的开始地址是DMA_CPARx或DMA_CMARx寄存器指定的外设基地址或存储器单元。 ●执行一次DMA_CNDTRx寄存器的递减操作,该寄存器包含未完成的操作数目。
5.仲裁器
仲裁器根据通道请求的优先级来启动外设/存储器的访问。 优先权管理分2个阶段 ● 软件:每个通道的优先权可以在DMA_CCRx寄存器中设置,有4个等级: ─ 最高优先级 ─ 高优先级 ─ 中等优先级 ─ 低优先级 ● 硬件:如果2个请求有相同的软件优先级,则较低编号的通道比较高编号的通道有较高的优 先权。 举个例子,通道2优先于通道4。
6.DMA 通道
6.1
每个通道都可以在有固定地址的外设寄存器和存储器地址之间执行DMA传输。DMA传输的数据量是可编程的,最大达到65535。包含要传输的数据项数量的寄存器,在每次传输后递减。
通道配置过程 下面是配置DMA通道x的过程(x代表通道号):
- 在DMA_CPARx寄存器中设置外设寄存器的地址。发生外设数据传输请求时,这个地址将 是数据传输的源或目标。
- 在DMA_CMARx寄存器中设置数据存储器的地址。发生外设数据传输请求时,传输的数 据将从这个地址读出或写入这个地址。
- 在DMA_CNDTRx寄存器中设置要传输的数据量。在每个数据传输后,这个数值递减。
- 在DMA_CCRx寄存器的PL[1:0]位中设置通道的优先级。
- 在DMA_CCRx寄存器中设置数据传输的方向、循环模式、外设和存储器的增量模式、外 设和存储器的数据宽度、传输一半产生中断或传输完成产生中断。
- 设置DMA_CCRx寄存器的ENABLE位,启动该通道。 一旦启动了DMA通道,它既可响应连到该通道上的外设的DMA请求。 当传输一半的数据后,半传输标志(HTIF)被置1,当设置了允许半传输中断位(HTIE)时,将产生
一个中断请求。在数据传输结束后,传输完成标志(TCIF)被置1,当设置了允许传输完成中断位 (TCIE)时,将产生一个中断请求。
6.2.循环模式 循环模式用于处理循环缓冲区和连续的数据传输(如ADC的扫描模式)。在DMA_CCRx寄存器中的CIRC位用于开启这一功能。当启动了循环模式,数据传输的数目变为0时,将会自动地被恢复成配置通道时设置的初值,DMA操作将会继续进行。
6.3.存储器到存储器模式(sram和flash之间) DMA通道的操作可以在没有外设请求的情况下进行,这种操作就是存储器到存储器模式。当设置了DMA_CCRx寄存器中的MEM2MEM位之后,在软件设置了DMA_CCRx寄存器中的EN位启动DMA通道时,DMA传输将马上开始。当DMA_CNDTRx寄存器变为0时,DMA传输结束。存储器到存储器模式不能与循环模式同时使用。
6.4.错误管理 读写一个保留的地址区域,将会产生DMA传输错误。当在DMA读写操作时发生DMA传输错误时,硬件会自动地清除发生错误的通道所对应的通道配置寄存器(DMA_CCRx)的EN位,该通道操作被停止。此时,在DMA_IFR寄存器中对应该通道的传输错误中断标志位(TEIF)将被置位,如果在DMA_CCRx寄存器中设置了传输错误中断允许位,则将产生中断。
6.5.中断 每个DMA通道都可以在DMA传输过半、传输完成和传输错误时产生中断。为应用的灵活性考虑,通过设置寄存器的不同位来打开这些中断。 
7.DMA寄存器
DMA中断状态寄存器(DMA_ISR) DMA中断标志清除寄存器(DMA_IFCR) DMA通道x配置寄存器(DMA_CCRx)(x = 1…7) DMA通道x传输数量寄存器(DMA_CNDTRx)(x = 1…7) DMA通道x外设地址寄存器(DMA_CPARx)(x = 1…7) DMA通道x存储器地址寄存器(DMA_CMARx)(x = 1…7)
DMA1通道配置过程
注:该例子是 M to M 即存储器向存储器传输数据。内部flash向DRAM传输 1)使能 DMA 时钟
RCC_AHBPeriphClockCmd(RCC_AHBPeriph_DMA1, ENABLE);
2)初始化 DMA 通道 4 参数
void DMA_Init(DMA_Channel_TypeDef* DMAy_Channelx, DMA_InitTypeDef* DMA_InitStruct) DMA_InitTypeDef 结构体的定义: typedef struct { u32 DMA_PeripheralBaseAddr; //外设地址 u32 DMA_MemoryBaseAddr; //存储地址 u32 DMA_DIR; //传输方向 u32 DMA_BufferSize; //传输数目 u32 DMA_PeripheralInc; //外设地址增量模式 u32 DMA_MemoryInc; //存储器地址增量模式 u32 DMA_PeripheralDataSize; //外设数据宽度 u32 DMA_MemoryDataSize; //存储器数据宽度 u32 DMA_Mode; //模式选择 u32 DMA_Priority; //通道优先级 u32 DMA_M2M; //存储器到存储器模式 }DMA_InitTypeDef;
DMA_InitTypeDef DMA_InitStruct;
DMA_InitStruct.DMA_PeripheralBaseAddr = (uint32_t)aSRC_Const_Buffer;
DMA_InitStruct.DMA_MemoryBaseAddr = (uint32_t)aDST_Buffer;
DMA_InitStruct.DMA_DIR = DMA_DIR_PeripheralSRC;
DMA_InitStruct.DMA_BufferSize = BUFFER_SIZE;
DMA_InitStruct.DMA_PeripheralInc = DMA_PeripheralInc_Enable;
DMA_InitStruct.DMA_PeripheralDataSize = DMA_PeripheralDataSize_Word;
DMA_InitStruct.DMA_MemoryInc = DMA_MemoryInc_Enable;
DMA_InitStruct.DMA_MemoryDataSize = DMA_MemoryDataSize_Word;
DMA_InitStruct.DMA_Mode = DMA_Mode_Normal;
DMA_InitStruct.DMA_Priority = DMA_Priority_High;
DMA_InitStruct.DMA_M2M = DMA_M2M_Enable;
DMA_Init(DMA1_Channel2,&DMA_InitStruct);
使能 DMA1 通道 4
DMA_Cmd(DMA1_Channel2, ENABLE);
代码:
.c
#include "DMA_mtom.h"
const uint32_t aSRC_Const_Buffer[BUFFER_SIZE] =
{0x01020304, 0x05060708, 0x090A0B0C,0x0D0E0F10,
0x11121314, 0x15161718, 0x191A1B1C, 0x1D1E1F20,
0x21222324, 0x25262728, 0x292A2B2C, 0x2D2E2F30,
0x31323334, 0x35363738, 0x393A3B3C, 0x3D3E3F40,
0x41424344, 0x45464748, 0x494A4B4C, 0x4D4E4F50,
0x51525354, 0x55565758, 0x595A5B5C, 0x5D5E5F60,
0x61626364, 0x65666768, 0x696A6B6C, 0x6D6E6F70,
0x71727374, 0x75767778, 0x797A7B7C, 0x7D7E7F80};
uint32_t aDST_Buffer[BUFFER_SIZE];
void DMAx_Config(void)
{
RCC_AHBPeriphClockCmd(RCC_AHBPeriph_DMA1,ENABLE);
DMA_InitTypeDef DMA_InitStruct;
DMA_InitStruct.DMA_PeripheralBaseAddr = (uint32_t)aSRC_Const_Buffer;
DMA_InitStruct.DMA_MemoryBaseAddr = (uint32_t)aDST_Buffer;
DMA_InitStruct.DMA_DIR = DMA_DIR_PeripheralSRC;
DMA_InitStruct.DMA_BufferSize = BUFFER_SIZE;
DMA_InitStruct.DMA_PeripheralInc = DMA_PeripheralInc_Enable;
DMA_InitStruct.DMA_PeripheralDataSize = DMA_PeripheralDataSize_Word;
DMA_InitStruct.DMA_MemoryInc = DMA_MemoryInc_Enable;
DMA_InitStruct.DMA_MemoryDataSize = DMA_MemoryDataSize_Word;
DMA_InitStruct.DMA_Mode = DMA_Mode_Normal;
DMA_InitStruct.DMA_Priority = DMA_Priority_High;
DMA_InitStruct.DMA_M2M = DMA_M2M_Enable;
DMA_Init(DMA1_Channel2,&DMA_InitStruct);
DMA_Cmd(DMA1_Channel2,ENABLE);
}
.h
#ifndef _DMA_H_
#define _DMA_H_
#include "stm32f10x.h"
#define BUFFER_SIZE 32
#define DMA1_Channel_x
void DMAx_Config(void);
#endif
main.c #include “main.h”
extern uint32_t aDST_Buffer[BUFFER_SIZE];
extern const uint32_t aSRC_Const_Buffer[BUFFER_SIZE];
int main()
{
uint8_t flag =0;
Led_Init();
DMAx_Config();
Usart1_Init(115200);
for(int i =0;i<32;i++)
{
printf("%x\r\n",aDST_Buffer[i]);
}
while(1)
{
;
}
}
aDST_Buffer打印结果与aSRC_Const_Buffer相同,什么flash数据已经发送到SRAM 
注:下面例子是 M to P 即存储器向外设传输数据。这里外设选择串口1 开时钟
RCC_AHBPeriphClockCmd(RCC_AHBPeriph_DMA1, ENABLE);
将DMA的通道1寄存器重设为缺省值
DMA_DeInit(USART_TX_DMA_CHANNEL);
DMA初始化
DMA_InitTypeDef DMA_InitStruct;
DMA_InitStruct.DMA_PeripheralBaseAddr = (uint32_t)USART_DR_ADDRESS;
DMA_InitStruct.DMA_MemoryBaseAddr =(uint32_t) SendBuff;
DMA_InitStruct.DMA_DIR = DMA_DIR_PeripheralDST;
DMA_InitStruct.DMA_BufferSize = SENDBUFF_SIZE;
DMA_InitStruct.DMA_PeripheralInc = DMA_PeripheralInc_Disable;
DMA_InitStruct.DMA_PeripheralDataSize = DMA_PeripheralDataSize_Byte;
DMA_InitStruct.DMA_MemoryInc = DMA_MemoryInc_Enable;
DMA_InitStruct.DMA_MemoryDataSize = DMA_MemoryDataSize_Byte;
DMA_InitStruct.DMA_Mode = DMA_Mode_Normal;
DMA_InitStruct.DMA_Priority = DMA_Priority_High;
DMA_InitStruct.DMA_M2M = DMA_M2M_Disable;
DMA_Init(USART_TX_DMA_CHANNEL,&DMA_InitStruct);
使能DMA
DMA_Cmd(USART_TX_DMA_CHANNEL,ENABLE);
使能指定 USART 的 DMA 请求
USART_DMACmd(USART1, USART_DMAReq_Tx, ENABLE);
代码
#include “dma_mtop.h”
//要发送的数据
//mtom -->内部flash向DRAM传输 /*定义aSRC_Const_Buffer数组作为DMA传输的数据源 *const关键字将aSRC_Const_Buffer数组变量定义的常量类型 *表示数据存储在内部的FLASH中 */
uint8_t SendBuff[SENDBUFF_SIZE];
/*
typedef struct { u32 DMA_PeripheralBaseAddr; //外设地址 u32 DMA_MemoryBaseAddr; //存储地址 u32 DMA_DIR; //传输方向 u32 DMA_BufferSize; //传输数目 u32 DMA_PeripheralInc; //外设地址增量模式 u32 DMA_MemoryInc; //存储器地址增量模式 u32 DMA_PeripheralDataSize; //外设数据宽度 u32 DMA_MemoryDataSize; //存储器数据宽度 u32 DMA_Mode; //模式选择 u32 DMA_Priority; //通道优先级 u32 DMA_M2M; //存储器到存储器模式 } DMA_InitTypeDef;
.c
void DMAx_Config(void)
{
RCC_AHBPeriphClockCmd(RCC_AHBPeriph_DMA1, ENABLE);
DMA_DeInit(USART_TX_DMA_CHANNEL);
DMA_InitTypeDef DMA_InitStruct;
DMA_InitStruct.DMA_PeripheralBaseAddr = (uint32_t)USART_DR_ADDRESS;
DMA_InitStruct.DMA_MemoryBaseAddr =(uint32_t) SendBuff;
DMA_InitStruct.DMA_DIR = DMA_DIR_PeripheralDST;
DMA_InitStruct.DMA_BufferSize = SENDBUFF_SIZE;
DMA_InitStruct.DMA_PeripheralInc = DMA_PeripheralInc_Disable;
DMA_InitStruct.DMA_PeripheralDataSize = DMA_PeripheralDataSize_Byte;
DMA_InitStruct.DMA_MemoryInc = DMA_MemoryInc_Enable;
DMA_InitStruct.DMA_MemoryDataSize = DMA_MemoryDataSize_Byte;
DMA_InitStruct.DMA_Mode = DMA_Mode_Normal;
DMA_InitStruct.DMA_Priority = DMA_Priority_High;
DMA_InitStruct.DMA_M2M = DMA_M2M_Disable;
DMA_Init(USART_TX_DMA_CHANNEL,&DMA_InitStruct);
DMA_Cmd(USART_TX_DMA_CHANNEL,ENABLE);
USART_DMACmd(USART1, USART_DMAReq_Tx, ENABLE);
}
.h
#ifndef _DMA_P_H_
#define _DMA_P_H_
#include "stm32f10x.h"
#include "usart.h"
#define USART_TX_DMA_CHANNEL DMA1_Channel4
#define USART_DR_ADDRESS (USART1_BASE+0x04)
#define SENDBUFF_SIZE 5000
void DMAx_Config(void);
#endif
main.c
#include "main.h"
extern uint8_t SendBuff[SENDBUFF_SIZE];
int main()
{
Usart1_Init(115200);
uint16_t i=0;
for( i=0;i<SENDBUFF_SIZE;i++)
{
SendBuff[i]= 'i';
}
NVIC_PriorityGroupConfig(NVIC_PriorityGroup_2);
DMAx_Config();
while(1);
}
效果 
刚好发送5000个数据到串口接收助手。
内存向外设,这里只展示初始化
DMA_InitTypeDef DMA_InitStructure;
RCC_AHBPeriphClockCmd(RCC_AHBPeriph_DMA1, ENABLE);
DMA_InitStructure.DMA_PeripheralBaseAddr = (USART1_BASE+0x04);
DMA_InitStructure.DMA_MemoryBaseAddr = (u32)ReceiveBuff;
DMA_InitStructure.DMA_DIR = DMA_DIR_PeripheralSRC;
DMA_InitStructure.DMA_BufferSize = RECEIVEBUFF_SIZE;
DMA_InitStructure.DMA_PeripheralInc = DMA_PeripheralInc_Disable;
DMA_InitStructure.DMA_MemoryInc = DMA_MemoryInc_Enable;
DMA_InitStructure.DMA_PeripheralDataSize = DMA_PeripheralDataSize_Byte;
DMA_InitStructure.DMA_MemoryDataSize = DMA_MemoryDataSize_Byte;
DMA_InitStructure.DMA_Mode = DMA_Mode_Circular;
DMA_InitStructure.DMA_Priority = DMA_Priority_Medium;
DMA_InitStructure.DMA_M2M = DMA_M2M_Disable;
主函数注意USART_DMAReq_Rx
USART_DMACmd(DEBUG_USARTx, USART_DMAReq_Rx, ENABLE);
函数说明: DMA_Init          DMA_DeInit  DMA_Cmd  USART_DMACmd 
|