|
目录
静态数码管工作原理
C51例程
静态数码管工作原理
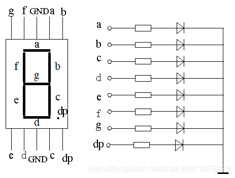
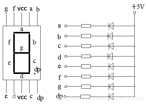
LED数码管根据LED的不同接法可以分为2类:共阴和共阳
共阴极:

共阳极:

LED显示器工作方式有两种:静态显示方式和动态显示方式。静态显示的特点是每个数码管的段选必须接一个8位数据线来保持显示的字形码。当送入一次字形码后,显示字形可一直保持,直到送入新字形码为止。这种方法的优点是占用CPU时间少,显示便于监测和控制。缺点是硬件电路比较复杂,成本较高。?
C51例程
以下例程是基于共阳极数码管实现:
#include <reg52.h>
typedef unsigned int U16; typedef unsigned char U8;
//共阳级码表 U8 code smgduan_yang[] = {0xc0, 0xf9, 0xa4, 0xb0, 0x99, 0x92, 0x82, 0xf8, ?? ??? ??? ??? ??? ??? ?0x80, 0x90};
//12MHz void delayXms(U16 delay) ? //误差 0us { ? ? unsigned char a,b,c; ? ? for(c=delay;c>0;c--) ? ? ? ? for(b=142;b>0;b--) ? ? ? ? ? ? for(a=2;a>0;a--); }
void main() { ?? ?U8 i = 0; ?? ?while(1) ?? ?{ ?? ??? ?for(i=0; i<10; i++) ?? ??? ?{ ?? ??? ??? ?P0 = smgduan_yang[i]; ?? ??? ??? ?delayXms(200); ?? ??? ?} ?? ?} }
<hr style=" border:solid; width:100px; height:1px;" color=#000000 size=1">
?欢迎加QQ及邮件交流 <font color=#999AAA > QQ:13286670 邮箱:13286670@qq.com
|