学习内容:
第三十讲:窗口看门狗 1.窗口看门狗的名字由来是其喂狗时间具有上下限(下限固定),只有在上下限间喂狗才有效,喂狗时间不能过早或过晚。
2.窗口看门狗框图

解读:有两种情况将导致复位。 一.当T6>W6时,结果为1,此时喂狗,与操作后还是一,再进入或操作,最终会让系统复位。这种情况是当计数器的值大于上限值时喂狗导致的复位。 二.当T6位从0变为1时,即计数器的值从0x40变为0x3F时,通过取反或门后变为1,这时启动看门狗后系统也将复位。这种情况是当计数器的值到达下限还没喂狗时的情况。
3.stm32可以开启看门狗中断,当计数器值到达0x40时,会产生早期唤醒中断,它可以用于喂狗避免复位。
?4.公式理解

?注意:APB1总线时钟需要先除以4096之后才开始分频,当计算时间时需要加上4096。
5.窗口看门狗的优势 窗口看门狗相对于一般的看门狗,它可以保证不会提前刷新看门狗也不会滞后刷新看门狗,这样能更好的检测到出故障的程序段。
6.窗口看门狗配置步骤

?7.代码实现 main()函数
#include "stm32f10x.h"
#include "bsp_led.h"
#include "bsp_key.h"
#include "wwdg.h"
int main(void)
{
NVIC_PriorityGroupConfig(NVIC_PriorityGroup_1);
LED_GPIO_Config();
WWDG_Config(WWDG_Prescaler_8,0x5F,0x7F);
while(1)
{
}
}
窗口定时器头文件?
#ifndef __WWDG_H
#define __WWDG_H
#include "stm32f10x.h"
void WWDG_Config(uint32_t pre,uint8_t wv,uint8_t count);
#endif
?窗口定时器C文件
#include "wwdg.h"
#include "bsp_led.h"
uint8_t temp=0x7F;
static void NVIC_Config(void)
{
NVIC_InitTypeDef NVIC_InitStruct;
NVIC_InitStruct.NVIC_IRQChannel=WWDG_IRQn;
NVIC_InitStruct.NVIC_IRQChannelCmd=ENABLE;
NVIC_InitStruct.NVIC_IRQChannelPreemptionPriority=1;
NVIC_InitStruct.NVIC_IRQChannelSubPriority=1;
NVIC_Init(&NVIC_InitStruct);
}
void WWDG_Config(uint32_t pre,uint8_t wv,uint8_t count)
{
RCC_APB1PeriphClockCmd(RCC_APB1Periph_WWDG,ENABLE);
temp&=count;
WWDG_SetPrescaler(pre);
WWDG_SetWindowValue(wv);
WWDG_Enable(temp);
WWDG_ClearFlag();
NVIC_Config();
WWDG_EnableIT();
}
中断服务函数
void WWDG_IRQHandler(void)
{
WWDG_SetCounter(0X7F);
WWDG_ClearFlag();
LED_G_TOGGLE;
}
?
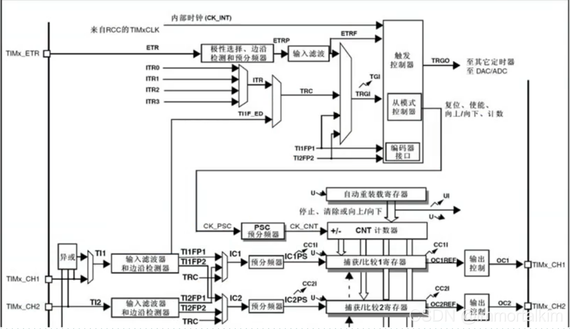
第三十一讲:通用定时器基本原理讲解 1.stm32一共有三种定时器,分别为高级定时器,通用定时器,基本定时器。 高级定时器:死区时间可编程的互补输出,常用于PWM电机控制。 通用定时器:定时记数,PWM输出,输入捕获,输出比较。 基本定时器:主要用于驱动DAC。
2.通用定时器功能特点 一.有16位的向上,向下,中间对齐计数模式。 二.有16位可编程的预分频器,分频系数为1-65535之间的任意值,让定时时间可以在几微秒到几毫秒之间任意选择,灵活性强。 三.有4个独立通道,PWM输出,输入捕获,输出比较,单脉冲输出。 四.有可以与外部定时器相连的同步电路。
3.通用计数器的三种计数模式 向上计数模式:计数器从0到预装载值后,自动清零并产生计数器向上溢出事件。 向下计数模式:计数器从预装载值到0后,自动装载并产生计数器向下溢出事件。 中央对齐模式:计数器从0到预装载值-1后,产生计数器溢出事件,再减到0,并产生计数器溢出事件。
4.通用定时器工作过程

?时钟配置来源: ①内部时钟来源,来自于APB1总线时钟,也是最常用的时钟来源。 ②外部输入,通过对外部输入的信号进行极性选择,边沿检测,预分频和滤波后作为时钟来源。 ③其他定时器,其他定时器的输出作为时钟输入为定时器提供时钟。 ④自身定时器,自身定时器的输入信号经过滤波和边沿检测为定时器提供时钟。
输入捕获: 先通过定时器输入捕获通道,选择上升沿捕获或下降沿捕获,在经过预分频器,将捕获到的值计入捕获寄存器,通过这种方式可以计算出输入信号的占空比。
输出比较: 通过设置比较寄存器作为阈值,通过与自动重装载寄存器的值来比较,形成有一定占空比的脉冲信号,可以用于驱动电机。 ?
|