Day7
目录
一、窗口看门狗
1.窗口看门狗定义
2.示意图
3.工作过程总结
4.窗口看门狗超时计算公式
5.窗口看门狗存在的意义
6.窗口看门狗寄存器
7. 窗口看门狗配置过程
8.代码
9.现象
二、通用定时器
1.三种定时器区别
2. 通用定时器功能特点描述
3. 计数器模式
4.通用定时器工作过程
三、定时器中断
1.时钟的内部选择
2. 时钟的计算方法
3.相关寄存器
4.常用库函数
5. 定时器中断实现步骤
6.溢出时间计算
7.代码部分
8.实验现象
四、今日总结
一、窗口看门狗
1.窗口看门狗定义
之所以称为窗口就是因为其喂狗时间是一个有上下限的范围内(窗口),你可以通过设定相关寄存器,设定其上限时间(下限固定)。喂狗的时间不能过早也不能过晚。
2.示意图

注:下线为0x3F,即0011 1111,我们也可以认为时间由0100 0000跳变为0011 1111时复位
3.工作过程总结
STM32F的窗口看门狗中有十个7位的递减计数器T[6:0],它会在出现下述2种情况之一时产生看门狗复位
- 当喂狗的时候如果计数器的值大于某一设定数值W[6:0]时,此设定数值在WWDG_CFR寄存器定义。
- 当计数器的数值从0x40减到0x3F时(T6位跳变至到0)
*如果启动了看门狗并且允许中断,当递减计数器等于0x40时产生早期唤醒中断(EWI),它可以用于喂狗以避免WWDG复位(提醒功能)
4.窗口看门狗超时计算公式

5.窗口看门狗存在的意义
?对于一般的看门狗,程序可以在它产生复位前的任意时刻刷新看门狗,但这有一个隐患,有可能程序跑乱了又跑回到正常的地方,或跑乱的程序正好执行了刷新看门狗操作,这样的情况下一般的看门狗就检测不出来了:如果使用窗口看门狗,程序员可以根据程序正常执行的时间设置刷新看门狗的一个时间窗口,保证不会提前刷新看门狗也不会滞后刷新看门狗,这样可以检测出程序没有按照正常的路径运行非正常地跳过了某些程序段的情况。
注:上窗口值V[6:0]必须大于下窗口值0x40J否则就无窗口了。
窗口看门狗时钟来源PCLK1 (APB1总线时钟)分频后。
6.窗口看门狗寄存器


WWDG_CR寄存器第七位为启动位,其它位为计数器位
注:void WWDG Enable(uint8 t Counter);这条语句不仅使能了看门狗,并且赋予初值

void WWDG EnablelT(void);// 使能提前唤醒中断
void WWDG SetPrescaler(uint32 t WWDG Prescaler);
void WWDG SetWindowValue(uint8 t WindowValue);

FlagStatus WWDG GetFlagStatus(void);
void WWDG ClearFlag(void);
7. 窗口看门狗配置过程
①使能看门狗时钟:
RCC_ APB1PeriphClockCmd);
②设置分频系数:
WWDG_ SetPrescaler();
③设置上窗口值:
WWDG_ SetWindowValue();
④开启提前唤醒中断并分组(可选): (可在中断中进行喂狗)
WWDG EnablelT();
NVIC Init();
⑤使能看门狗:
WWDG_ Enable();
⑥喂狗:
WWDG SetCounter(0;
⑦编写中断服务函数
WWDG_ IRQHandler();
8.代码
【wwdg.c】
#include "wwdg.h"
#include "led.h"
//保存WWDG计数器的设置值,默认为最大.
u8 WWDG_CNT=0X7F;
//初始化窗口看门狗 ??
//tr?? :T[6:0],计数器值
//wr?? :W[6:0],窗口值
//fprer:分频系数(WDGTB),仅最低2位有效
//Fwwdg=PCLK1/(4096*2^fprer). 一般PCLK1=42Mhz
void WWDG_Init(u8 tr,u8 wr,u32 fprer)
{
?????? NVIC_InitTypeDef NVIC_InitStructure;
??????
?????? RCC_APB1PeriphClockCmd(RCC_APB1Periph_WWDG,ENABLE); //使能窗口看门狗时钟
??????
?????? WWDG_CNT=tr&WWDG_CNT;?? //初始化WWDG_CNT. //与运算只取tr的0~6位
?????? WWDG_SetPrescaler(fprer); //设置分频值
?????? WWDG_SetWindowValue(wr); //设置窗口值
//??? WWDG_SetCounter(WWDG_CNT);//设置计数值
?????? WWDG_Enable(WWDG_CNT);? //开启看门狗
??????
?????? NVIC_InitStructure.NVIC_IRQChannel=WWDG_IRQn;? //窗口看门狗中断
?????? NVIC_InitStructure.NVIC_IRQChannelPreemptionPriority=0x02;? //抢占优先级为2
?????? NVIC_InitStructure.NVIC_IRQChannelSubPriority=0x03;????????????????????????????? //子优先级为3
?????? NVIC_InitStructure.NVIC_IRQChannelCmd=ENABLE;? //使能窗口看门狗
?????? NVIC_Init(&NVIC_InitStructure);
??????
?????? WWDG_ClearFlag();//清除提前唤醒中断标志位
? WWDG_EnableIT();//开启提前唤醒中断
}
//窗口看门狗中断服务程序
void WWDG_IRQHandler(void)
{
?????? WWDG_SetCounter(WWDG_CNT); //重设窗口看门狗值,即喂狗
?????? WWDG_ClearFlag();//清除提前唤醒中断标志位
?????? LED1=!LED1;//取反
}
【wwdg.h】
#ifndef _WWDG_H
#define _WWDG_H
#include "sys.h"
void WWDG_Init(u8 tr,u8 wr,u32 fprer);
void WWDG_IRQHandler(void);
#endif
【main.c】
#include "sys.h"
#include "delay.h"
#include "usart.h"
#include "led.h"
#include "beep.h"
#include "key.h"
#include "wwdg.h"
int main(void)
{
?????? NVIC_PriorityGroupConfig(NVIC_PriorityGroup_2);//设置系统中断优先级分组2
?????? delay_init(168);? //初始化延时函数
?????? LED_Init();?????????????????????????? //初始化LED端口
?????? KEY_Init();???????????? ? ?? //初始化按键
?????? LED0=0;????????????????????? ?? //点亮LED0
?????? delay_ms(300);
?????? WWDG_Init(0x7F,0X5F,WWDG_Prescaler_8); ?? //计数器值为7f,窗口寄存器为5f,分频数为8 ??
??????
?????? while(1)
?????? {
????????????? LED0=1;? //熄灭LED灯
?????? }
}
9.现象
执行窗口看门狗中断服务程序 :
void WWDG_IRQHandler(void)
{
?????? WWDG_SetCounter(WWDG_CNT); //重设窗口看门狗值,即喂狗
?????? WWDG_ClearFlag();//清除提前唤醒中断标志位
?????? LED1=!LED1;//取反
}
LED1会取反
二、通用定时器
1.三种定时器区别

2. 通用定时器功能特点描述
STM3的通用TIMx (TIM2、TIM3、TIM4和TIM5)定时器功能特点包括:
■位于低速的APB1总线 上(APB1)
■16位向上、向下、向上向下(中心对齐)计数模式,自动装载计数器(TIMx CNT)。
■16 位可编程(可以实时 修改)预分频器(TIMx_ PSC),计数器时钟频率的分频系数为1~65535之间的任意数值。
■ : 4个独立通道(TIMx_ CH1~4),这些通道可以用来作为:
①输入捕获
②输出比较
③PWM生成(边缘或中间对齐模式)
④单脉冲模式输出
■可使用外部信号 (TMx ETR)控制定时器和定时器互连(可以用1个定时器控制另外一个定时器)的同步电路。
■如下事件发生时产生中断/DMA (6个独立的IRQ/DMA请求生成器) :
①更新: 计数器向上溢 出/向下溢出,计数器初始化(通过软件或者内部/外
部触发)
②触发事件(计数器启动、停止、初始化或者由内部/外部触发计数)
③输入捕获
④输出比较
⑤支持针对定位的增量(正交)编码器和霍尔传感器电路
⑥触发输入作为外部时钟或者按周期的电流管理
●STM32的通用定时器可以被用于:测量输入信号的脉冲长度(输入捕获)或者产
生输出波形(输出比较和PWM)等。
●使用定时器预分频器和RCC时钟控制器预分频器,脉冲长度和波形周期可以
在几个微秒到几个毫秒间调整。STM32的每个通用定时器都是完全独立的,没
有互相共享的任何资源。
3. 计数器模式
通用定时器可以向上计数、向下计数。向上向下双向计数模式。
①向上计数模式:计数器从0计数到自动加载值(TIMx_ ARR), 然后重新从0开
始计数并且产生一一个计数器溢出事件。
②向下计数模式:计数器从自动装入的值(TIMx_ ARR) 开始向下计数到0,然后
从自动装入的值重新开始,并产生一一个计数器向下溢出事件。
③中央对齐模式(向上/向下计数) :计数器从0开始计数到自动装入的值-1,
产生一个计数器溢出事件,然后向下计数到1并且产生-一个计数器溢出事件:然
后再从0开始重新计数。

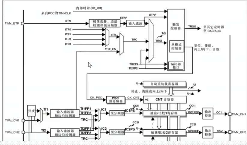
4.通用定时器工作过程

注:TIMx_ETR主要作用于TIM2,3,4

(引脚和通道的对应查询)
三、定时器中断
1.时钟的内部选择

2. 时钟的计算方法

分频系数=1:CK_INT=APB1时钟*1
分频系数=2\4:CK_INT=APB1时钟*2
选择内部时钟,则CK_PSC=CK_INT
3.相关寄存器
◆计数器当前值寄存器CNT

◆预分频寄存器TIMx_PSC

◆自动重装载寄存器(TIMx_ ARR)

◆控制寄存器1 (TIMx_ CR1)

注:只用到位4,位0
◆DMA中断使能寄存器(TIMxDIER)

4.常用库函数

◆定时器使能函数:
void TIM_ Cmd(TIM_ TypeDef* TIMx, FunctionalState NewState)
◆定时器中断使能函数:
void TIM ITConfig(TIM_TypeDef* TIMx, uint16_t TIM_IT, FunctionalState NewState);
◆状态标志位获取和清除
; FlagStatus TIM GetFlagStatus(TIM_ TypeDef* TIMx, uint16_ t TIM_FLAG);
; void TIM ClearFlag(TIM_ TypeDef* TIMx, uint16_ t TIM_FLAG);
ITStatus TIM GetlTStatus(TIM TypeDef* TIMx; uint16 t TIM_IT);
; void TIM ClearlTPendingBit(TIM_ TypeDef* TIMx, uint16_ t TIM_IT);
5. 定时器中断实现步骤
①能定时器时钟。
RCC_ APB1PeriphClockCmd);
②初始化定时器,配置ARR,PSC。
TIM_ TimeBaselnit();
③开启定时器中断,配置NVIC。
void TIM ITConfig();
NVIC_ Init();
④使能定时器。
TIM_ Cmd();
⑤编写中断服务函数。
TIMx_ IRQHandler();
6.溢出时间计算

举个栗子:

7.代码部分
【timer.c】
#include "timer.h"
#include "led.h"
//通用定时器3中断初始化
//arr:自动重装值。
//psc:时钟预分频数
//定时器溢出时间计算方法:Tout=((arr+1)*(psc+1))/Ft us.
//Ft=定时器工作频率,单位:Mhz
//这里使用的是定时器3!
void TIM3_Int_Init(u16 arr,u16 psc)
{
?????? TIM_TimeBaseInitTypeDef TIM_TimeBaseInitStructure;
?????? NVIC_InitTypeDef NVIC_InitStructure;
??????
?????? RCC_APB1PeriphClockCmd(RCC_APB1Periph_TIM3,ENABLE);? ///使能TIM3时钟
??????
? TIM_TimeBaseInitStructure.TIM_Period = arr; ???? //自动重装载值
?????? TIM_TimeBaseInitStructure.TIM_Prescaler=psc;? //定时器分频
?????? TIM_TimeBaseInitStructure.TIM_CounterMode=TIM_CounterMode_Up; //向上计数模式
?????? TIM_TimeBaseInitStructure.TIM_ClockDivision=TIM_CKD_DIV1;
??????
?????? TIM_TimeBaseInit(TIM3,&TIM_TimeBaseInitStructure);//初始化TIM3
??????
?????? TIM_ITConfig(TIM3,TIM_IT_Update,ENABLE); //允许定时器3更新中断
?????? TIM_Cmd(TIM3,ENABLE); //使能定时器3
??????
?????? NVIC_InitStructure.NVIC_IRQChannel=TIM3_IRQn; //定时器3中断
?????? NVIC_InitStructure.NVIC_IRQChannelPreemptionPriority=0x01; //抢占优先级1
?????? NVIC_InitStructure.NVIC_IRQChannelSubPriority=0x03; //子优先级3
?????? NVIC_InitStructure.NVIC_IRQChannelCmd=ENABLE;
?????? NVIC_Init(&NVIC_InitStructure);
??????
}
//定时器3中断服务函数
void TIM3_IRQHandler(void)
{
?????? if(TIM_GetITStatus(TIM3,TIM_IT_Update)==SET) //溢出中断
?????? {
????????????? LED1=!LED1;//DS1翻转
?????? }
?????? TIM_ClearITPendingBit(TIM3,TIM_IT_Update);? //清除中断标志位
}
【timer.h】
#ifndef _TIMER_H
#define _TIMER_H
#include "sys.h"
void TIM3_Int_Init(u16 arr,u16 psc);
#endif
【main.c】
#include "sys.h"
#include "delay.h"
#include "usart.h"
#include "led.h"
#include "timer.h"
int main(void)
{
?????? NVIC_PriorityGroupConfig(NVIC_PriorityGroup_2);//设置系统中断优先级分组2
?????? delay_init(168);? //初始化延时函数
?????? LED_Init();?????????????????????????? //初始化LED端口
????? TIM3_Int_Init(5000-1,8400-1);??? //定时器时钟84M,分频系数8400,所以84M/8400=10Khz的计数频率,计数5000次为500ms????
?????? while(1)
?????? {
????????????? LED0=!LED0;//DS0翻转
????????????? delay_ms(200);//延时200ms
?????? };
}
8.实验现象
通过定时器中断配置,每500ms中断一次,然后中断服务函数中控制LED实现LED1状态取反:(闪烁)
四、今日总结
今天学习了窗口看门狗并简单了解了一下定时器,两者都是stm32内部的计时系统,都可以产生中断,窗口看门狗更多的是起到检测程序运行的作用,而定时器的作用则更加广泛,还需要后面的学习去了解。
但不得不感慨,虽然同样是Timer定时器,C51和stm32的原理大不相同,我简单放一下当初学C51单片机时的代码:
#include <REGX52.H>
void Timer0_Init()
{
//?????????? TMOD=0x01; //0000 0001
????????????? TMOD=TMOD&0xF0;? //把TMOD的低四位清零,高四位保持不变
????????????? TMOD=TMOD|0x01;? //把TMOD的最低位置1,高四位保持不变
????????????? TF0=0;
????????????? TR0=1;
????????????? TH0=0x18;? //把高8位提取出来
????????????? TL0=0xFC;? //把低八位提取出来
????????????? ET0=1;
????????????? EA=1;
????????????? PT0=0;
}
C51只是简单地配置了高四位和低四位的寄存器罢了,但也正因如此,stm32的定时器要强大得多,包括后面还有其 的应用,有待我进一步学习
另外吐槽一下,野火哥真是封装怪,他的代码的头文件会先添加很多宏定义

原子哥则少用封装,初学角度来看过度使用封装的确不利于记忆各个寄存器作用,不过野火这样封装,代码格式确实会更加统一,之后也可以学习一下。
?
?
|