|
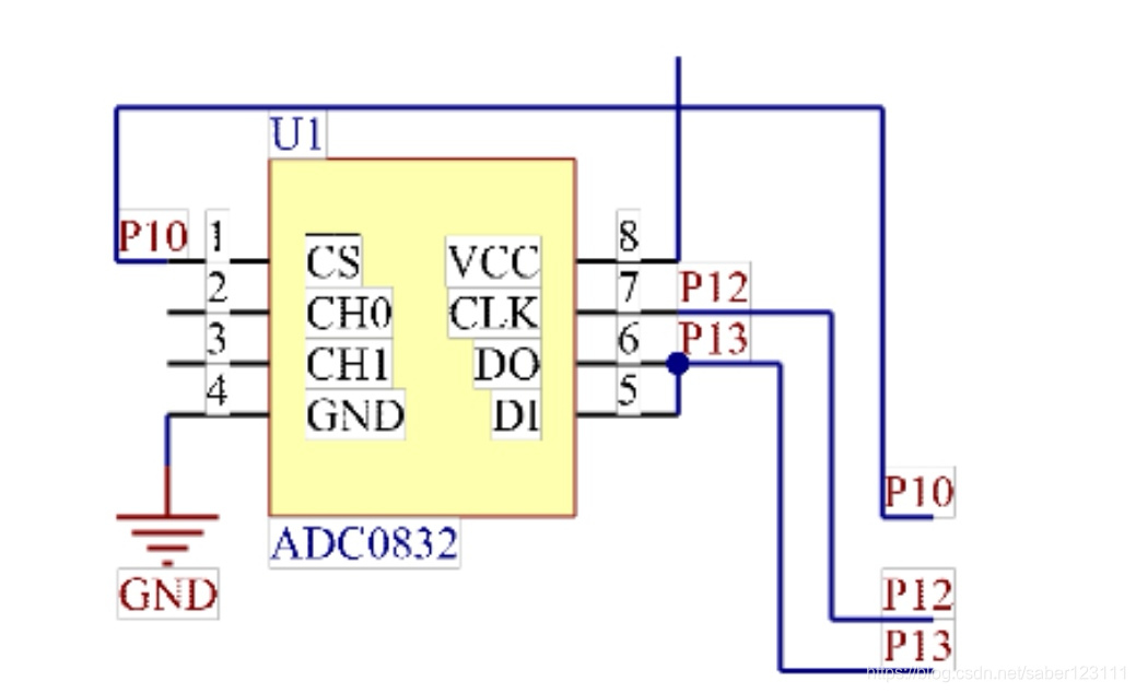
音乐喷泉前期准备大概思路: 由STC89C51单片机电路+水泵控制电路+ADC0832采样电路+LM386功率放大器电路+LED灯显示电路+电源电路组成。 通过ADC0832芯片对音频信号的采集,转换为数字信号给单片机,然后PWM脉冲宽度调制控制水泵水柱对的高低。  核心芯片选择模块 方案一采用ST公司的STC89C52单片机作为主控制器,STC89S52是一种低功耗、高性能CMOS8位微控制器,具有8K 在系统可编程 Flash 存储器。该单片机功耗低、接口丰富,成本低廉,完全能满足本设计要求。方案二采用意法半导体公司的STM32F103系列单片机作为主控制器, 使用高性能的ARMCortex-M332位的RISC内核,内置高速存储器,但是成本过高。 考虑到成本,选择51单片机。 (三)通过音频信号控制水泵第一个问题:如何通过音频信号控制水泵?我暂时也就想到了数模转换这一种方法,欢迎补充。第二个问题:选择什么芯片A/D采样芯片的选择方案一 采用ADC0832芯片。ADC0832是美国国家半导体公司生产的一种 8 位分辨率、双通道 A/D 转换芯片。它体积小,兼容性强,性价比高。方案二采用PCF8591芯片。PCF8591是一个单片集成、单独供电、低功耗、8-bit CMOS数据获取器件。PCF8591具有4个模拟输入、1个模拟输出和1个串行I2C总线接口。考虑到我现有的知识储备和价格,选择方案一。ADC0832选择模拟输入通道0即CH0作为信号的采集端口。  使用5V水泵,用来喷水,由于水泵属于大功率装置,单片机无法直接驱动,故选择三极管9012来实现对水泵的控制,在本电路中通过LED灯来指示水泵是否工作,如果水泵工作,则LED灯亮,否则,LED灯不亮。与LED灯串联的电阻为限流电阻,限流作用,以保护LED灯,防止烧坏。当单片机的相关控制引脚为低电平时,三极管导通,水泵正常工作;否则,水泵不工作。电解电容滤波,让水泵更稳定的工作。  (四)扬声器驱动电路的选择方案一采用LM386芯片,LM386是美国国家半导体公司生产的音频功率放大器,主要应用于低电压消费类产品。在1脚和8脚之间增加一只外接电阻和电容,可将电压增益调为任意值,最多200。输入端以地位参考,同时输出端被自动偏置到电源电压的一半,在6V电源电压下,它的静态功耗仅为24mW。 (emmm,我暂时只想到了这一种哈哈哈,)所以选择方案一。用耦合电容隔断直流电压,直流电压过大有可能会损坏喇叭线圈,耦合音频的交流信号。它与扬声器负载构成了一阶高通滤波器。减小该电容值,可使噪声能量冲击的幅度变小、宽度变窄;太低还会使截止频率提高。电位器可以调节声音大小,电容均为滤波电容。电阻均为限流电阻。  (五)电源电路选用自锁开关,开关按下后,灯亮,此时系统电源输出。开关再次按下后,灯灭,此时系统电源无5V电流输出。  (六)PCB图  (七)代码
#include<reg52.h>
#define uchar unsigned char
#define uint unsigned int
sbit out=P3^7;
sbit led1=P0^0;
sbit led2=P0^1;
sbit led3=P0^2;
sbit led4=P0^3;
sbit led5=P0^4;
sbit led6=P0^5;
sbit led7=P0^6;
sbit led8=P0^7;
sbit SCL=P1^2;
sbit DO=P1^3;
sbit CS=P1^0;
uchar h1,date;
unsigned char adval;
void delay(uint z)
{
uchar y;
for(;z>0;z--)
for(y=5;y>0;y--);
}
unsigned char ad0832read(bit SGL,bit ODD)
{ unsigned char i=0,value=0,value1=0;
SCL=0;
DO=1;
CS=0;
SCL=1;
SCL=0;
DO=SGL;
SCL=1;
SCL=0;
DO=ODD;
SCL=1;
SCL=0;
DO=1;
for(i=0;i<8;i++)
{
SCL=1;
SCL=0;
value<<=1;
if(DO)
value++;
}
for(i=0;i<8;i++)
{
value1>>=1;
if(DO)
value1+=0x80;
SCL=1;
SCL=0;
}
CS=1;
DO=1;
SCL=1;
if(value==value1)
return value;
return 0;
}
void penquan()
{
date=ad0832read(1,0);
h1=(255-date);
out=0;
delay(h1);
if(h1>70)
led1=1;
else led1=0;
if(h1>80) led2=1; else led2=0;
if(h1>90) led3=1; else led3=0;
if(h1>100) led4=1; else led4=0;
if(h1>110) led5=1; else led5=0;
if(h1>115) led6=1; else led6=0;
if(h1>120) led7=1; else led7=0;
if(h1>130) led8=1; else led8=0;
out=1;
}
void main()
{
while(1)
{ **加粗样式**
penquan();
}
}
|