基于Zynq FPGA? Simple DMA环回测试
0? 概述
? ? ? ? DMA技术是指外设与系统内存进行数据交换,而不通过CPU直接参与的接口技术。该技术特别适合大批量数据的收发,可以提高传输速率和传输效率。在整个DMA数据交互过程中,CPU通过配置指定寄存器,只需要提供起始地址和传输长度和传输使能等参数信息给DMA控制器,DMA控制器可以接管总线,并访问内存,等待传输结束,产生一个中断信号告知CPU,并交出总线控制权。
1 ?Xilinx PL端DMA软核介绍
Xilinx AXI DMA软核结构框图如下,总共包含4中总线接口,本次实验用到其中的3种,AXI Memory Write/Read暂时未用到 。 该框图详见Xilinx 官方手册PG021。

本次实验采用Simple DMA方式,对应直接操作配置寄存器。

?
寄存器的详细定义

说明:对于第一次使用DMA软核功能而言,阅读Xilinx 官方手册PG021是最直接,最完整有效的资料,然后重点研究手册里面需要用到的部分进行多次精读。阅读过程种假设有存在疑问的地方,记录下来,在板级调试的时候,通过抓取相关信号,反过来帮助理解,从而达到熟练和解惑的效果。
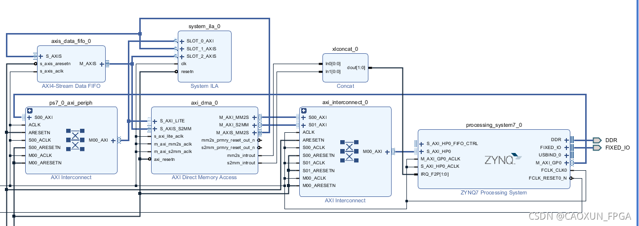
2 ?Block Design设计

?整体的设计框图如上图,复位模块没有包含,增加System ILA,观察信号细节更方便。
3 ?SDK程序设计
SDK设计我不熟练,就直接使用第三方程序移植过来直接使用,这里使用的是《正点原子的SDK程序》,表示感谢。
//****************************************Copyright (c)***********************************//
//技术支持:www.openedv.com
//淘宝店铺:http://openedv.taobao.com
//关注微信公众平台微信号:"正点原子",免费获取FPGA & ZYNQ & STM32资料。
//版权所有,盗版必究。
//Copyright(C) 正点原子 2018-2028
//All rights reserved
//----------------------------------------------------------------------------------------
// File name: main.c
// Last modified Date: 2019年5月22日上午10:27:03
// Last Version: V1.0
// Descriptions: Axi dma驱动程序在中断模式下传输数据包的用法示例
//----------------------------------------------------------------------------------------
// Created by: 正点原子
// Created date: 2019年5月22日上午10:27:03
// Version: V1.0
// Descriptions: The original version
//
//----------------------------------------------------------------------------------------
//****************************************************************************************//
/***************************** Include Files *********************************/
#include "xaxidma.h"
#include "xparameters.h"
#include "xil_exception.h"
#include "xscugic.h"
/************************** Constant Definitions *****************************/
#define DMA_DEV_ID XPAR_AXIDMA_0_DEVICE_ID
#define RX_INTR_ID XPAR_FABRIC_AXIDMA_0_S2MM_INTROUT_VEC_ID
#define TX_INTR_ID XPAR_FABRIC_AXIDMA_0_MM2S_INTROUT_VEC_ID
#define INTC_DEVICE_ID XPAR_SCUGIC_SINGLE_DEVICE_ID
#define DDR_BASE_ADDR XPAR_PS7_DDR_0_S_AXI_BASEADDR //0x00100000
#define MEM_BASE_ADDR (DDR_BASE_ADDR + 0x1000000) //0x01100000
#define TX_BUFFER_BASE (MEM_BASE_ADDR + 0x00100000) //0x01200000
#define RX_BUFFER_BASE (MEM_BASE_ADDR + 0x00300000) //0x01400000
#define RESET_TIMEOUT_COUNTER 10000 //复位时间
#define TEST_START_VALUE 0x0 //测试起始值
#define MAX_PKT_LEN 0x100 //发送包长度
/************************** Function Prototypes ******************************/
static int check_data(int length, u8 start_value);
static void tx_intr_handler(void *callback);
static void rx_intr_handler(void *callback);
static int setup_intr_system(XScuGic * int_ins_ptr, XAxiDma * axidma_ptr,
u16 tx_intr_id, u16 rx_intr_id);
static void disable_intr_system(XScuGic * int_ins_ptr, u16 tx_intr_id,
u16 rx_intr_id);
/************************** Variable Definitions *****************************/
static XAxiDma axidma; //XAxiDma实例
static XScuGic intc; //中断控制器的实例
volatile int tx_done; //发送完成标志
volatile int rx_done; //接收完成标志
volatile int error; //传输出错标志
/************************** Function Definitions *****************************/
int main(void)
{
int i;
int status;
u8 value;
u8 *tx_buffer_ptr;
u8 *rx_buffer_ptr;
XAxiDma_Config *config;
tx_buffer_ptr = (u8 *) TX_BUFFER_BASE;
rx_buffer_ptr = (u8 *) RX_BUFFER_BASE;
xil_printf("\r\n--- Entering main() --- \r\n");
config = XAxiDma_LookupConfig(DMA_DEV_ID);
if (!config) {
xil_printf("No config found for %d\r\n", DMA_DEV_ID);
return XST_FAILURE;
}
//初始化DMA引擎
status = XAxiDma_CfgInitialize(&axidma, config);
if (status != XST_SUCCESS) {
xil_printf("Initialization failed %d\r\n", status);
return XST_FAILURE;
}
if (XAxiDma_HasSg(&axidma)) {
xil_printf("Device configured as SG mode \r\n");
return XST_FAILURE;
}
//建立中断系统
status = setup_intr_system(&intc, &axidma, TX_INTR_ID, RX_INTR_ID);
if (status != XST_SUCCESS) {
xil_printf("Failed intr setup\r\n");
return XST_FAILURE;
}
//初始化标志信号
tx_done = 0;
rx_done = 0;
error = 0;
value = TEST_START_VALUE;
for (i = 0; i < MAX_PKT_LEN; i++) {
tx_buffer_ptr[i] = value;
value = (value + 1) & 0xFF;
}
Xil_DCacheFlushRange((UINTPTR) tx_buffer_ptr, MAX_PKT_LEN); //刷新Data Cache
status = XAxiDma_SimpleTransfer(&axidma, (UINTPTR) tx_buffer_ptr,
MAX_PKT_LEN, XAXIDMA_DMA_TO_DEVICE);
if (status != XST_SUCCESS) {
return XST_FAILURE;
}
status = XAxiDma_SimpleTransfer(&axidma, (UINTPTR) rx_buffer_ptr,
MAX_PKT_LEN, XAXIDMA_DEVICE_TO_DMA);
if (status != XST_SUCCESS) {
return XST_FAILURE;
}
Xil_DCacheFlushRange((UINTPTR) rx_buffer_ptr, MAX_PKT_LEN); //刷新Data Cache
while (!tx_done && !rx_done && !error)
;
//传输出错
if (error) {
xil_printf("Failed test transmit%s done, "
"receive%s done\r\n", tx_done ? "" : " not",
rx_done ? "" : " not");
goto Done;
}
//传输完成,检查数据是否正确
status = check_data(MAX_PKT_LEN, TEST_START_VALUE);
if (status != XST_SUCCESS) {
xil_printf("Data check failed\r\n");
goto Done;
}
xil_printf("Successfully ran AXI DMA Loop\r\n");
disable_intr_system(&intc, TX_INTR_ID, RX_INTR_ID);
Done: xil_printf("--- Exiting main() --- \r\n");
return XST_SUCCESS;
}
//检查数据缓冲区
static int check_data(int length, u8 start_value)
{
u8 value;
u8 *rx_packet;
int i = 0;
value = start_value;
rx_packet = (u8 *) RX_BUFFER_BASE;
for (i = 0; i < length; i++) {
if (rx_packet[i] != value) {
xil_printf("Data error %d: %x/%x\r\n", i, rx_packet[i], value);
return XST_FAILURE;
}
value = (value + 1) & 0xFF;
}
return XST_SUCCESS;
}
//DMA TX中断处理函数
static void tx_intr_handler(void *callback)
{
int timeout;
u32 irq_status;
XAxiDma *axidma_inst = (XAxiDma *) callback;
//读取待处理的中断
irq_status = XAxiDma_IntrGetIrq(axidma_inst, XAXIDMA_DMA_TO_DEVICE);
//确认待处理的中断
XAxiDma_IntrAckIrq(axidma_inst, irq_status, XAXIDMA_DMA_TO_DEVICE);
//Tx出错
if ((irq_status & XAXIDMA_IRQ_ERROR_MASK)) {
error = 1;
XAxiDma_Reset(axidma_inst);
timeout = RESET_TIMEOUT_COUNTER;
while (timeout) {
if (XAxiDma_ResetIsDone(axidma_inst))
break;
timeout -= 1;
}
return;
}
//Tx完成
if ((irq_status & XAXIDMA_IRQ_IOC_MASK))
tx_done = 1;
}
//DMA RX中断处理函数
static void rx_intr_handler(void *callback)
{
u32 irq_status;
int timeout;
XAxiDma *axidma_inst = (XAxiDma *) callback;
irq_status = XAxiDma_IntrGetIrq(axidma_inst, XAXIDMA_DEVICE_TO_DMA);
XAxiDma_IntrAckIrq(axidma_inst, irq_status, XAXIDMA_DEVICE_TO_DMA);
//Rx出错
if ((irq_status & XAXIDMA_IRQ_ERROR_MASK)) {
error = 1;
XAxiDma_Reset(axidma_inst);
timeout = RESET_TIMEOUT_COUNTER;
while (timeout) {
if (XAxiDma_ResetIsDone(axidma_inst))
break;
timeout -= 1;
}
return;
}
//Rx完成
if ((irq_status & XAXIDMA_IRQ_IOC_MASK))
rx_done = 1;
}
//建立DMA中断系统
// @param int_ins_ptr是指向XScuGic实例的指针
// @param AxiDmaPtr是指向DMA引擎实例的指针
// @param tx_intr_id是TX通道中断ID
// @param rx_intr_id是RX通道中断ID
// @return:成功返回XST_SUCCESS,否则返回XST_FAILURE
static int setup_intr_system(XScuGic * int_ins_ptr, XAxiDma * axidma_ptr,
u16 tx_intr_id, u16 rx_intr_id)
{
int status;
XScuGic_Config *intc_config;
//初始化中断控制器驱动
intc_config = XScuGic_LookupConfig(INTC_DEVICE_ID);
if (NULL == intc_config) {
return XST_FAILURE;
}
status = XScuGic_CfgInitialize(int_ins_ptr, intc_config,
intc_config->CpuBaseAddress);
if (status != XST_SUCCESS) {
return XST_FAILURE;
}
//设置优先级和触发类型
XScuGic_SetPriorityTriggerType(int_ins_ptr, tx_intr_id, 0xA0, 0x3);
XScuGic_SetPriorityTriggerType(int_ins_ptr, rx_intr_id, 0xA0, 0x3);
//为中断设置中断处理函数
status = XScuGic_Connect(int_ins_ptr, tx_intr_id,
(Xil_InterruptHandler) tx_intr_handler, axidma_ptr);
if (status != XST_SUCCESS) {
return status;
}
status = XScuGic_Connect(int_ins_ptr, rx_intr_id,
(Xil_InterruptHandler) rx_intr_handler, axidma_ptr);
if (status != XST_SUCCESS) {
return status;
}
XScuGic_Enable(int_ins_ptr, tx_intr_id);
XScuGic_Enable(int_ins_ptr, rx_intr_id);
//启用来自硬件的中断
Xil_ExceptionInit();
Xil_ExceptionRegisterHandler(XIL_EXCEPTION_ID_INT,
(Xil_ExceptionHandler) XScuGic_InterruptHandler,
(void *) int_ins_ptr);
Xil_ExceptionEnable();
//使能DMA中断
XAxiDma_IntrEnable(&axidma, XAXIDMA_IRQ_ALL_MASK, XAXIDMA_DMA_TO_DEVICE);
XAxiDma_IntrEnable(&axidma, XAXIDMA_IRQ_ALL_MASK, XAXIDMA_DEVICE_TO_DMA);
return XST_SUCCESS;
}
//此函数禁用DMA引擎的中断
static void disable_intr_system(XScuGic * int_ins_ptr, u16 tx_intr_id,
u16 rx_intr_id)
{
XScuGic_Disconnect(int_ins_ptr, tx_intr_id);
XScuGic_Disconnect(int_ins_ptr, rx_intr_id);
}
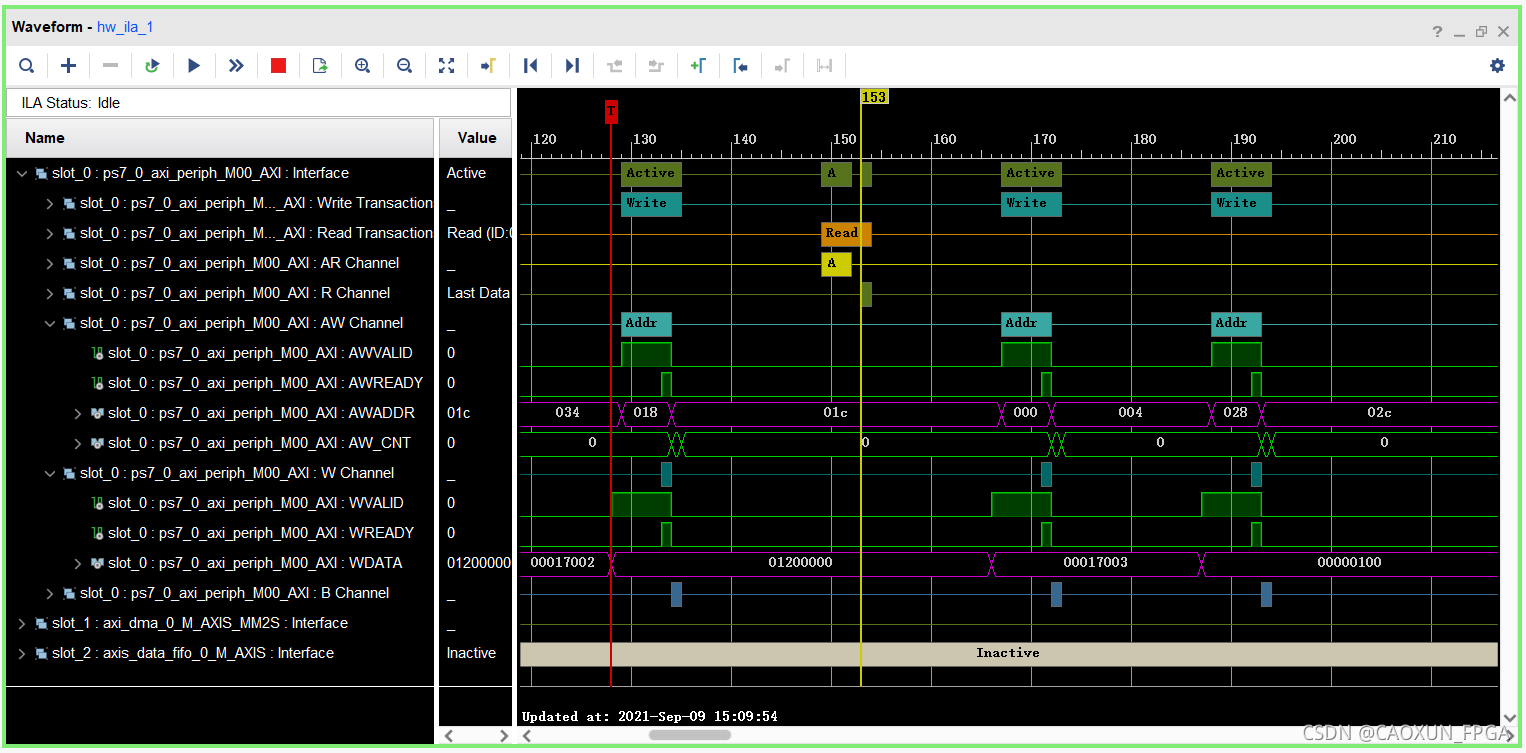
4 ?ila在线调试
我个人比较关注:PS端给PL端DMA软核的寄存器配置信息及过程。
完整的DMA传输流程如下,以DMA控制器读取DDR3内存数据,然后写入到PL端的FIFO缓存来进行说明:
1. 设定DMA读内存的起始地址;
2. 设定读内存的长度;
3. 使能DMA传输;
4. 单次DMA传输完毕,PL端DMA控制器发出一个中断信号给到PS端;
5. PS端软件处理中断;

上图为DMA寄存器配置图,由上图可知:
第1步:PS端配置寄存器地址18,即DMA传输的起始地址,地址为32位;
第2步:PS端配置寄存器地址00,即开启DMA传输使能;
第3步:PS端配置寄存器地址28,即设置DMA传输长度;
说明:没有完全按照PG021手册说明的顺序来实现,估计DMA软核会进行细节处理;

?上图为DMA数据流传输图,采用AXI Steam接口模式进行数据发送,每个数据为32比特,高字节在前,大端模式。数据流为:0x03020100 ~ 0xFF_FE_FD_FC 。
|