重新学习STM32_记录学习的点滴之时钟体系
通过这次的学习,我对嵌入式中的时钟体系又有了更深的认识啦。下面我将从5个方面来谈谈我对时钟体系的理解:
一、时钟体系:
大家平时也经常听到时钟,那么时钟到底有啥作用呢?原因就是我们的单片机工作需要时钟,这就好像人体工作离不开心
脏的跳动一样。时钟就是单片机提供一个非常稳定的频率信号,使得单片机各内部组件同步工作,并且在和外部设备通信
时是也能达到同步。时钟的另一个大的优势就是动态调整运行频率,就可以控制性能与功耗!
1、从STM32F4XX中文参考手册pdf中的P106可以得到时钟源是从哪里来的?
2、这里我直接给各位看官贴上时钟的三种来源:
2.1、驱动系统时钟的三种不同时钟源如下  2.2、STM32F4XX除了上面驱动系统时钟的三种时钟源以外,还具有以下两个次级时钟源:  由上面可以看出:RTC时钟可以由两个次级时钟源来提供。
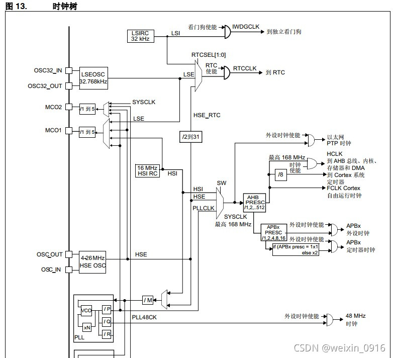
3、时钟体系架构: 由于STM32F4XX的时钟体系架构非常复杂,于是乎我去看了下手册,我把手册中的时钟树部分截图给各位看官瞅瞅:  个人觉得手册中的时钟树过于复杂,于是乎,我准备给各位看官看看下面简洁版的时钟体系:
 看完这个简洁版时钟体系图示是不是顿时觉得豁然开朗啦?
二、PLL倍频公式:
从手册中可以查看PLL的倍频公式: 
三、SystemInit系统初始化函数
1.其实第一个执行的文件是汇编文件,汇编文件是一个幕后英雄,它执行的重要的内容如下: 1.1、栈的初始化,提供函数调用的时候进行现场保护和现场恢复 
1.2、堆的初始化,为申请内存提供空间,调用malloc 
1.3、执行Reset_Handler,意思说上电复位后执行的动作  1.4、执行SystemInit函数 1.5、跳转到main函数 2、SystemInit函数是啥,有啥作用呢? 首先我们从下图可以看出这个SystemInit函数居然优先于main函数先执行,那么这个函数到底做了啥,竟然优先于我们的main函数先执行呢?  我们不妨去看看System函数的具体实现细节,说不定就有线索啦! 
注意看上面的函数简介注释,原来这个函数会去调用SetSysClock函数设置PLL时钟,然后进行分频。  system_stm32f4xx.c文件有以下倍频(PLL_N)与分频(PLL_M、PLL_P)因子:  继续阅读system_stm32f4xx.c文件的头部注释:  由于官方的代码是使用外部高速晶振25MHz,而我自己的开发板上面的HSE是8MHZ,故需要修改PLL的倍频因子,只修改PLL_M为8即可。除此之外还需要修改一个地方:修改stm32f4xx.h文件中的行127将外部晶振频率值修改为8MHz。  最后来看看为啥最后我的开发板上面的系统时钟能得到168MHZ呢?  注意事项:分频因子PLLP和PLLM、倍频因子PLLN都是有范围的,不是没有限制的。在《STM32F4xx中文参考手册》 P117页,PLL_M、PLL_N、PLL_P,这三个参数都有一定的范围限制,详细如下: 
四、时钟源:
在特殊的应用场景,为了达到最高的能效比,没有必要使用到PLL,可将HSE、HSI作为系统时钟源。例如,在智能手表锁屏的情况下,如果使用PLL配置过后输出的频率会造成过多的功耗,降低自身的续航能力;同时要维持计步与测量心率功能。因此,PLL在锁屏下的应用场景并不合适,在保证功能实现的前提下,尽可能降低功耗,可以切换频率更低的时钟源提供给系统时钟。 
从上图示可以看出系统时钟源有三个选择: 1、选择PLL作为系统时钟源: 
2、选择HSI作为系统时钟源: 
3、选择HSE作为系统时钟源: 
五、时钟的应用场景:
调节 CPU 的运行频率,来控制系统的性能与功耗。比较典型的例子就是说手机/笔记本电脑都有高性能模式、平衡模式、低性能模式。
|