宿舍智能门锁设计
-
采用STM32作为主控芯片,ESSP32_CAM作为wifi与摄像监控,LCD12864液晶显示屏作为显示,AS608指纹识别模块、继电器、WIFI模块 -
具有三种解锁方式:指纹解锁、密码解锁、APP解锁 -
解锁时密码或者指纹错误液晶显示屏会提示出错,3次错误就会锁定,需要等待1分钟才会解锁。输入正确密码和指纹时继电器吸合,电磁锁打开,几秒后自动断开 -
有矩形键盘,可以进入管理系统,对指密码进行录入或者删除,输入密码有退格退格键和重输键,方便输入错误时可退格或者重输 -
将系统议接入ONEnet云平台,获取数据。还可每个人的开门记录下来,并附带时间编号,将ESP32_抓拍的照片上传到onenet云平台
视频演示
观看视频
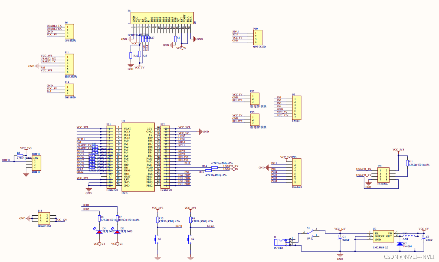
主控制板原理图 
ESP32的配置
1:代码使用Arduino IDE 环境 WiFi配置 onenet配置已预设 需将PA9 PA10连接至ESP32 IO14 IO15
2:给ESP32下载固件时,按住RST,将GPIO0连接GND 松开RST,再用USB转TTL烧写, 烧写完成后 断开GPIO0与GND连接,再按RST开始工作,所有DEBUG输出由GPIO1 GPIO3给出(同烧录端口),波特率115200
3:板子选择ESP32_DEV_Module,软件配置见图
4:包内有编译好的bin固件,可直接使用flashdownload下载 选择 Developer Mode -》 ESP32 DownloadTool -》 一共需要选择4个bin文件,文件名为下载地址,具体看图 选择端口为ESP32端口 点击START等待烧录完成,每次烧录重复2步骤 5:可以选择ArduinoIDE烧录 自行配置环境 插件 库,软件配置见图
6:拍照指令触发LED会闪烁,WiFi连接持续闪,摄像头错误常亮
感兴趣点star可复现,代码已上传github
查看代码
|