74HC138是常用的数字芯片,是一种3入8出译码器
74HC138简介
74HC138 是一款高速CMOS器件,74HC138引脚兼容低功耗肖特基TTL(LSTTL)系列。74HC138译码器可接受3位 二进制加权地址输入(A0, A1和A2),并当使能时,提供8个 互斥的低有效输出(Y0至Y7)。
74HC138是一种译码器 ,译码是编码 的逆过程,在编码时,每一种二进制代码,都赋予了特定的含义,即都表示了一个确定的信号或者对象。把代码状态的特定含义“翻译”出来的过程叫做译码,实现译码操作的电路称为译码器。
74HC138的编码是000-111 (八种),它们分别代表一种信号,要实现这些编码,只需要3根 输入信号线;而74HC138这些编码所代表的含义 ,就是在8个 输出中引脚中选出一个特殊的引脚,使其电平与其他7个不同,比如输出为01111111 是输入为000 的译码。所以,编码 (被编的码)指的是有顺序规律,但没特殊含义 的一种码;而译码 (被译的码)指的是真正起作用的码。打个比方,ASCII码是一种编码,它的范围是0-127,光看这些码,我们无法得到任何有用的信息,但是,对他们进行译码后所得到的数据,我们就能轻易认出,比如ASCII编码97 对应字符a ,’a’就是译码。 译码的例子还有很多,比如学号 的译码就是学生 身份信息,身份证 的译码就是个人 的信息等等。
74HC138功能
74HC138的功能 在上一节已经提到,即将3位 二进制(A0,A1和A2),译码成8种 输出状态,并且一共有8个 输出I/O,这8位输出的特点是:互斥 (同时只有一位有效)、低有效 (低电平表示有效,表示选中)。简单来说 ,74HC138实现了用3根线选择8根线(8选1)的功能。
74HC138管脚定义及说明
-
管脚定义 管脚主要分为:输入 (A0、A1和A2)、输出 (Y0-Y7)、使能 (E1-E3)、电源 (VDD)和地 (GND)。  -
管脚说明 下表是74HC138所有管脚的功能说明  -
逻辑图 74HC138的逻辑图可以形象地展示其逻辑功能 ,只有当E1=0,E2=0,E3=1 时,芯片才能被使能 ,不然芯片不会有任何有效输出。 
74HC138真值表
真值表 是在逻辑中使用的一类数学表,用来确定一个表达式是否为真或有效。 H 代表高电平,L 代表低电平,X 代表随机电平(可高可低)
以第4行 为例,当芯片处于使能状态 (E1=L,E2=L,E3=H)时,A0-A2全为L,此时Y0被选中 ,输出L(低电平为有效电平),而其他输出管脚都为H。 
74HC138应用举例
-
简单应用——实现跑马灯  -
实现数码管片选 
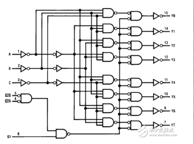
74HC138内部构造
有数电 (数字电子技术)基础的同学,可能还会对74HC138芯片的内部构造 比较感兴趣。  芯片中包含的逻辑门 包括:
-
非门 将输入的信号取反 后输出,输入0则输出1,输入1则输出0。 -
非与门 先将两个输入信号取反 (功能和非门相同),然后再将取反后的信号相与 ,1与1为1,0与任何数都为0。 -
与非门 先相与 ,再取反 。
|