|
A77 系列是工作在 2.4G ISM 频段的低功耗蓝牙(BLE)透传模块,基于 TI SimpleLink 低功耗Bluetooth 无线 MCU CC2540 为核心处理器,并符合 Bluetooth Specification V4.0 Low Energy (BLE 4.0)协议规范。 
该系列模块 RF 信号最大功率约+4dBm,提供3种RF 信号输出的版本:板载天线、IPEX 连接器和半孔引脚;
模块均采用 1.27mm 间距的半孔引脚的 SMD 封装,重量轻,体积小,方便集成。
本规格书描述模块的工作参数和使用注意事项,方便大家将模块集成到产品中。
模块引出芯片全部的 IO,用户可根据应用场景自行开发固件。
基于 TI 方案 CC2540 带屏蔽盖, IPEX 接口,PCB 天线及半孔天线接口的 2.5mW, 2.4G BLE 模块。
A77蓝牙模块特征
-
基于 BLE 4.0 协议规范 △工作于 2.4-2.4835GHz ISM 频段 △2MHz 步进,共 40 个信道,起始于2.402GHz △GFSK 调制 △1Mbps 未编码 PHY △快速连接,近场自动连接 △广播专用信道,最大广播数据 31 字节 △时间轮询的主从共存,一主多从拓扑结构 △TDD 时分全双工通信 △Diffie-Hellman Key Exchange 加密 △错误数据重传 △BLE CSA #1 适应性跳频(AFH) -
功耗管理 △Active Mode (全功能模式) △Idle Mode (CPU 停止运行) △Power Mode 1 (digital power 开启,唤醒) △Power Mode 2 (digital part 关闭,唤醒) △Power Mode 3 (仅外部中断唤醒) -
高性能低功耗 8051 内核主控 -
8KB SRAM 256KB 片上 Flash -
高精度 RSSI ? AES-128bit 加密 -
5 通道 DMA -
唯一 48bit IEEE 地址 -
电池监控和温度传感器 -
19 个 GPIO 引脚(17×4mA,2×20mA) -
接口 △一个 8 通道可配置分辨率的 12-bit ADC △一个开环放大器和一个低功耗比较器 △一个 16-bit 定时器、两个 8bit 定时器和一个 32kHz 休眠定时器 △两个 USART,多串行协议 △一个全功能 USB 接口 △一个 IR 红外遥控接口 -
27dB 功率调整范围,最大功率约 4dBm -
低功耗 △发射电流 36mA@3.3V △接受电流 26mA@3.3V △休眠电流 1uA@3.3V △宽幅供电电压 2.0V~3.6V -
接收灵敏度-87dBm(典型值) -
传输距离最远可达 100m -
小体积,SMD 封装 △A77-C2G4A04S1a 尺寸 25.6516mm, 重 1.5g △A77-C2G4A04S2a 尺寸 19.6516mm, 重 1.4g △A77-C2G4A04S3a 尺寸 19.65*16mm, 重 1.4g 
系列产品

电器参数
条件:Tc = 25℃,VCC = 3.3V,信道(工作频率) = 37(2402MHz),除非有特殊说明  备注:[ 1 ]供电电压高于 3.9V,会导致模块损坏 [ 2 ]电源供电能力必须大于 50mA [ 3 ]发射功率等级对应的功率值仅供参考 [ 4 ]高增益接收模式
典型特征 
硬件描述
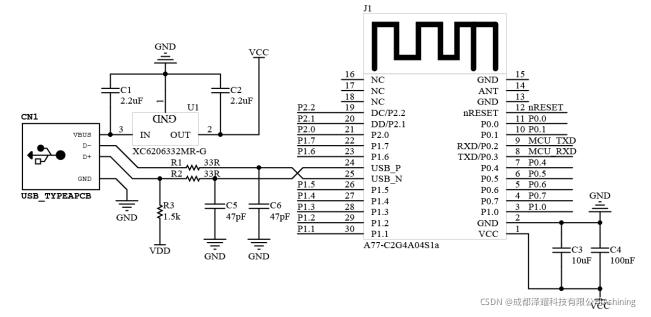
1.典型应用  说明: 1、 A77-C2G4A04S1a/2a/3a 内部电路相同,仅天线形式不同,应用电路可通用 2、 引脚和 5V 系统连接需要电平转换,比如 TXD 和 RXD 的引脚连接电路
2.引脚定义 
硬件模块引脚对照表  
说明:详细引脚定义可参见 CC2540 数据表和用户指南
|