一、GPIO初始化
GPIO 是通用输入输出端口的简称,简单来说就是 STM32 可控制的引脚,STM32 芯片的 GPIO 引脚与外部设备连接起来,从而实现与外部通讯、控制以及数据采集的功能。STM32 芯片的 GPIO 被分成很多组,每组有 16 个引脚。要点亮LED流水灯,就需要先对GPIO进行初始化。我这里使用的是STM32F103C8T6,它的GPIO地址在《STM32中文参考手册_V10》中可以找到。 
时钟配置
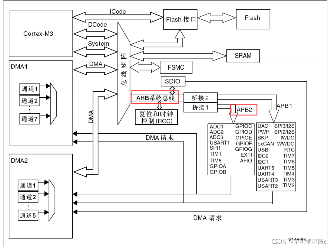
为什么需要首先配置时钟呢?因为默认的时钟是关闭的,在配置任何资源时都需要先为时钟使能。同样的,在进行时钟配置之前先查找手册找到时钟的地址。  从寄存器总线构架图可以看到,AHB系统总线包括了RCC的时钟控制,GPIO是属于APB2总线的。所以在选择外设时钟使能寄存器时我们选择APB2的。  在手册中可以看到APB2外设时钟使能寄存器的偏移地址是0x18,RCC的地址是从0x4002 1000开始,所以APB2的地址就应该是0x4002 1018 。  同时,位5到位2分别是IO端口使D到A时钟使能,赋值为1就打开,赋值为0关闭。 
输入输出模式设置
GPIO的每个位可以可以由软件分别配置成多种模式。分别有输入浮空,输入上拉,输入下拉,模拟输入,开漏输出,推挽式输出,推挽式复用功能,开漏复用功能。因为需要控制LED的亮灭,所以我们需要高低电平,选择推免输出模式,此模式可以输出高低电平,连接数字器件。如图所示,设置推免输出需要将GPIOX设置引脚为00,另外4个位设置最大速率10MHz,设置为01.   需要输出高低电平控制LED灯的亮灭。  高电平为1,低电平为0。
二、点亮流水灯
在通过Keil5软件建立工程前,需要下载一个库文件作为启动文件  将该启动文件复制到你所建立的工程目录当中,然后在工程当中打开,再点击Output勾选Creat HEX File即可生成.hex文件。
C编写代码
#define GPIOB_BASE 0x40010C00
#define GPIOC_BASE 0x40011000
#define GPIOA_BASE 0x40010800
#define RCC_APB2ENR (*(unsigned int *)0x40021018)
#define GPIOB_CRL (*(unsigned int *)0x40010C00)
#define GPIOC_CRH (*(unsigned int *)0x40011004)
#define GPIOA_CRL (*(unsigned int *)0x40010800)
#define GPIOB_ODR (*(unsigned int *)0x40010C0C)
#define GPIOC_ODR (*(unsigned int *)0x4001100C)
#define GPIOA_ODR (*(unsigned int *)0x4001080C)
void SystemInit(void);
void Delay_ms(volatile unsigned int);
void Delay_ms( volatile unsigned int t)
{
unsigned int i;
while(t--)
for (i=0;i<800;i++);
}
int main(){
RCC_APB2ENR |= (1<<3);
RCC_APB2ENR |= (1<<4);
RCC_APB2ENR |= (1<<2);
GPIOB_CRL |= (1<<0);
GPIOB_CRL &= ~(0xE);
GPIOC_CRH |= (1<<28);
GPIOC_CRH &= ~(0xE0000000);
GPIOA_CRL |= (1<<0);
GPIOA_CRL &= ~(0xE);
GPIOB_ODR |= (1<<0);
GPIOC_ODR |= (1<<15);
GPIOA_ODR |= (1<<0);
while(1){
GPIOB_ODR &= ~(1<<0);
Delay_ms(1000000);
GPIOB_ODR |= (1<<0);
Delay_ms(1000000);
GPIOC_ODR &= ~(1<<15);
Delay_ms(1000000);
GPIOC_ODR |= (1<<15);
Delay_ms(1000000);
GPIOA_ODR &= ~(1<<0);
Delay_ms(1000000);
GPIOA_ODR |= (1<<0);
Delay_ms(1000000);
}
}
void SystemInit(){
}
电路搭建
使用USB-TTL直接进行串口下载,将USB-TTL的GND和3.3V接入STM32最新系统板的GND和3.3V,然后TXD和RXD分别接入A10和A9引脚。 接入后按照程序中的GPIOx的引脚接上LED灯,并将LED灯+极接入3.3V的电压。并且最小核心板,BOOT模式开关要跳线。boot0置1,boot1置0。
程序烧录
首先安装一个usb-串口驱动程序,然后下载一个烧录软件mcuisp  打开软件后点击STMISP选项,然后将下面的DTR调为低电平复位,RTS调为高电平进BootLoader。编译程序后在工程目录会生成一个.hex文件,添加该文件到mcuisp当中,点击开始编程,出现如图提示就表面烧录成功。
实验效果

三、总结
通过这次流水灯的设计,对STM32又有了更深入的了解,了解了GPIO的各种工作模式,以及寄存器的使用方式。其实查阅资料看到了有其他的方法来点亮LED灯,但是其实万变不离其宗,只要使用STM32就一定要配置时钟和GPIO,所以了解在学习时把原理搞懂是非常重要的,因为编程并不难,难的是搞懂其原理。 参考文献:STM32中文参考手册_V10 STM32寄存器的简介、地址查找,与直接操作寄存器. STM32 F103之点亮LED流水灯 (STM32入门学习).
|