|
目录
?
一、串口协议和RS-232标准
二、TTL电平
三、RS232电平
四、USB/TTL转232"模块(以CH340芯片模块为例)的原理
五、使用stm32cubeMX生成工程及串口烧录HEX文件
六、串口通信
七、总结
八、参考文献
一、串口协议和RS-232标准
串口通信指串口按位(bit)发送和接收字节。尽管比特字节(byte)的串行通信慢,但是串口可以在使用一根线发送数据的同时用另一根线接收数据。串口通信协议是指规定了数据包的内容,内容包含了起始位、主体数据、校验位及停止位,双方需要约定一致的数据包格式才能正常收发数据的有关规范。在串口通信中,常用的协议包括RS-232、RS-422和RS-485。
其中RS-232标准接口(又称EIA RS-232)是常用的串行通信接口标准之一,它是由美国电子工业协会(EIA)联合贝尔系统公司、调制解调器厂家及计算机终端生产厂家于1970年共同制定,其全名是“数据终端设备( DTE)和数据通信设备(DCE)之间串行二进制数据交换接口技术标准”。
rs232(9针)接口
?RS-232总线规定了25条线,包含了两个信号通道,即第一通道(称为主通道)和第二通道(称为副通道)。利用RS- 232总线可以实现全双工通信,通常使用的是主通道,而副通道使用较少。在一般应用中,使用3条~9条信号线就可以实现全双工通信,采用三条信号线(接收线、发送线和信号地)能实现简单的全双工通信过程。
RS-232规定的标准传送速率有50b/s、75b/s、110b/s、150b/s、300b/s、600b/s、1200b/s、2400b/s、4800b/s、9600b/s、19200b/s,可以灵活地适应不同速率的设备。对于慢速外设,可以选择较低的传送速率:反之,可以选择较高的传送速率。
规定逻辑“1”的电平为-5V~-15 V,逻辑“0”的电平为+5 V~+15 V。选用该电气标准的目的在于提高抗干扰能力,增大通信距离。RS -232的噪声容限为2V,接收器将能识别高至+3V的信号作为逻辑“0”,将低到-3 V的信号作为逻辑“1”。
由于RS -232采用串行传送方式,并且将微机的TTL电平转换为RS-232C电平,其传送距离一般可达30 m。若采用光电隔离20 mA的电流环进行传送,其传送距离可以达到1000 m。另外,如果在RS-232总线接口再加上Modem,通过有线、无线或光纤进行传送,其传输距离可以更远。
RS - 232接口的一种连接器是D13 - 25的25芯插头座,通常情况下插头在DCE端,插座在DTE端。
串口接头有两种,一种是9针串口(简称DB-9),一种是25针串口(简称DB-25)。每种接头都有公头和母头之分。在开发中经常使用到DB9串行接口,以DB9为例,下图分别为公头和母头
公头
母头
?图中我们能够看到每个引脚的编号,下面是各个引脚的说明
1 、DCD( Data Carrier Detect) :载波检测。主要用于Modem通知计算机其处于在线状态,即Modem检测到拨号音,处于在线状态。 2 、RXD(Receive(rx) Data):此引脚用于接收外部设备送来的数据;在你使用Modem时,你会发现RXD指示灯在闪烁,说明RXD引脚上有数据进入(电脑的2接MAX232的RS232端TOUT(如PIN7))。 3 、TXD(Transmit(tx) Data):此引脚将计算机的数据发送给外部设备;在你使用Modem时,你会发现TXD指示灯在闪烁,说明计算机正在通过TXD引脚发送数据。 4 、DTR( Data Terminal Ready ):数据终端就绪;当此引脚高电平时,通知Modem可以进行数据传输,计算机已经准备好。 5 、GND(Ground):逻辑地。 6 、DSR(data set ready):数据设置就绪;此引脚高电平时,通知计算机Modem已经准备好,可以进行数据通讯了。 7 、RTS(Request To Send):请求发送;此脚由计算机来控制,用以通知Modem马上传送数据至计算机;否则,Modem将收到的数据暂时放入缓冲区中。 8 、CTS(Clear to send): 清除发送;此脚由Modem控制,用以通知计算机将欲传的数据送至Modem。 9 、RI ( Ring Indicator): Modem通知计算机有呼叫进来,是否接听呼叫由计算机决定。
二、TTL电平
TTL是Transistor-Transistor Logic,即晶体管-晶体管逻辑的简称,它是计算机处理器控制的设备内部各部分之间通信的标准技术。TTL电平信号应用广泛,是因为其数据表示采用二进制规定,+5V等价于逻辑”1”,0V等价于逻辑”0”。 数字电路中,由TTL电子元器件组成电路的电平是个电压范围,规定: 输出高电平>=2.4V,输出低电平<=0.4V; 输入高电平>=2.0V,输入低电平<=0.8V。
三、RS232电平
在TXD和RXD数据线上: (1)逻辑1为-3~-15V的电压 (2)逻辑0为3~15V的电压 在RTS、CTS、DSR、DTR和DCD等控制线上: (1)信号有效(ON状态)为3~15V的电压 (2)信号无效(OFF状态)为-3~-15V的电压 这是由通信协议RS-232规定的。 RS-232:标准串口,最常用的一种串行通讯接口。有三种类型(A,B和C),它们分别采用不同的电压来表示on和off。最被广泛使用的是RS-232C,它将mark(on)比特的电压定义为-3V到-12V之间,而将space(off)的电压定义到+3V到+12V之间。传送距离最大为约15米,最高速率为20kb/s。RS-232是为点对点(即只用一对收、发设备)通讯而设计的,其驱动器负载为3~7kΩ。所以RS-232适合本地设备之间的通信。
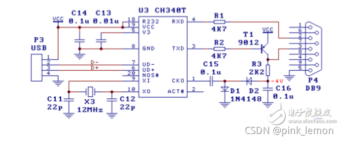
四、USB/TTL转232"模块(以CH340芯片模块为例)的原理
图中也是USB转3线制RS232串口,只是输出RS232信号的电平幅度略低。CH340的R232引脚为高电平,启用了辅助RS232功能,只需外加二极管、三极管、电阻和电容就可代替7.2.节中专用的电平转换电路U5,所以硬件成本更低。

五、使用stm32cubeMX生成工程及串口烧录HEX文件
首先安装 stm32CubeMX,配合Keil,使用HAL库方式点亮LED流水灯,即用GPIO端口完成3只LED红绿灯的周期闪烁。stm32cubeMX官方下载链接:
STM32CubeMX - STM32Cube initialization code generator - STMicroelectronics
进入链接后,选择适合的版本进行下载,我的设备是windows,所以选择了红框项

?下载完成后进行安装,安装跟着安装程序走就行了,这里就不再赘述
安装完成后,就是下面这个界面

我们先选择help中的manage embedded software packages

?然后找到自己相应的stm32进行下载,我的是stm32f103c8t6,所以选择下载安装了红框所示的package

选中后点击install now进行下载安装,安装好之后回到主界面
点击红框所示创建新项目

进入这个界面后,在part name输入自己的芯片名称查找

然后再选中下面的信息,最后点击右上角的start project进入下一个界面

?点击System Core,进入里面的SYS,在debug那里选择Serial Wire
接下来配置时钟,选择Clock Configuration,然后把PLLCLK右边选上
?然后回到之前的界面,选择RCC,再将HSE修改为Crystal/Ceramic Resonator
?然后我们注意到右边的这个芯片图

?左键点击想要选择的管脚,我选择的是PA8,PA9,PA10,左键点击的同时选择为GPIO_Output

?点击System core里的GPIO,把点击引脚名,把输出等级改为high,注意每个管脚都要改(或者每个管脚都不改)

?点击project manager,选择路径和输入项目名,然后IDE改为MDK-ARM

?点击右上角GENERATE CODE,即可成功创建工程

?进入自己设定的工程目标目录,再打开MDK-ARM文件夹,通过keil打开刚刚生成的项目,main.c,然后再找到主函数

?然后将下面的代码放入while中
HAL_GPIO_WritePin(GPIOA,GPIO_PIN_8,GPIO_PIN_RESET);
HAL_Delay(1000);
HAL_GPIO_WritePin(GPIOA,GPIO_PIN_8,GPIO_PIN_SET);
HAL_GPIO_WritePin(GPIOA,GPIO_PIN_9,GPIO_PIN_RESET);
HAL_Delay(1000);
HAL_GPIO_WritePin(GPIOA,GPIO_PIN_9,GPIO_PIN_SET);
HAL_GPIO_WritePin(GPIOA,GPIO_PIN_10,GPIO_PIN_RESET);
HAL_Delay(1000);
HAL_GPIO_WritePin(GPIOA,GPIO_PIN_10,GPIO_PIN_SET);
?然后用串口进行烧录,接线方式如下
3.3v接到3.3v?GND接到GND,模块与stm32的串口引脚RX对应TX ,TX对应RX,也就是A9(TX)连到RX引脚,A10(RX)连到TX引脚,然后将BOOT0修改为1。下面是接线图。

?然后进入mcuisp,搜索串口,点击读器件信息,如果连接成功则如下图所示

?选择hex文件,然后点击开始编程即可开始烧录

?烧录成功

将BOOT0重新置0,面包板连接好电路后即可接电,发现成功运行

为探究我们延时的时间,所以我们使用keil自带的逻辑分析仪来分析
点击魔法棒,然后修改参数为下图所示
?进入debug模式,然后如图所示打开逻辑分析仪

?点击setup

添加要观察的管脚,我选择的管脚分别是PA8,PA9,PA10,其中,PORTA就是端口A,如果是GPIOB,那么对应的也应该写成PORTB,PORTA?& 0x00000100后再右移8位也就把PA8的状态获取出来,添加完管脚后修改各个管脚显示方式为Bit

点击run开始运行(或者直接点击F5)

?程序开始运行后,逻辑分析仪效果如下图

?我们可以很容易的看出延时时间为1s
六、串口通信
参考之前基于stm32f103的汇编语言工程仿真及HEX分析_pink_lemon的博客-CSDN博客,在此基础上,我们只需要在创建main.c时修改为创建main.s,然后输入以下代码
;RCC寄存器地址映像
RCC_BASE EQU 0x40021000
RCC_CR EQU (RCC_BASE + 0x00)
RCC_CFGR EQU (RCC_BASE + 0x04)
RCC_CIR EQU (RCC_BASE + 0x08)
RCC_APB2RSTR EQU (RCC_BASE + 0x0C)
RCC_APB1RSTR EQU (RCC_BASE + 0x10)
RCC_AHBENR EQU (RCC_BASE + 0x14)
RCC_APB2ENR EQU (RCC_BASE + 0x18)
RCC_APB1ENR EQU (RCC_BASE + 0x1C)
RCC_BDCR EQU (RCC_BASE + 0x20)
RCC_CSR EQU (RCC_BASE + 0x24)
;AFIO寄存器地址映像
AFIO_BASE EQU 0x40010000
AFIO_EVCR EQU (AFIO_BASE + 0x00)
AFIO_MAPR EQU (AFIO_BASE + 0x04)
AFIO_EXTICR1 EQU (AFIO_BASE + 0x08)
AFIO_EXTICR2 EQU (AFIO_BASE + 0x0C)
AFIO_EXTICR3 EQU (AFIO_BASE + 0x10)
AFIO_EXTICR4 EQU (AFIO_BASE + 0x14)
;GPIOA寄存器地址映像
GPIOA_BASE EQU 0x40010800
GPIOA_CRL EQU (GPIOA_BASE + 0x00)
GPIOA_CRH EQU (GPIOA_BASE + 0x04)
GPIOA_IDR EQU (GPIOA_BASE + 0x08)
GPIOA_ODR EQU (GPIOA_BASE + 0x0C)
GPIOA_BSRR EQU (GPIOA_BASE + 0x10)
GPIOA_BRR EQU (GPIOA_BASE + 0x14)
GPIOA_LCKR EQU (GPIOA_BASE + 0x18)
;GPIO C口控制
GPIOC_BASE EQU 0x40011000
GPIOC_CRL EQU (GPIOC_BASE + 0x00)
GPIOC_CRH EQU (GPIOC_BASE + 0x04)
GPIOC_IDR EQU (GPIOC_BASE + 0x08)
GPIOC_ODR EQU (GPIOC_BASE + 0x0C)
GPIOC_BSRR EQU (GPIOC_BASE + 0x10)
GPIOC_BRR EQU (GPIOC_BASE + 0x14)
GPIOC_LCKR EQU (GPIOC_BASE + 0x18)
;串口1控制
USART1_BASE EQU 0x40013800
USART1_SR EQU (USART1_BASE + 0x00)
USART1_DR EQU (USART1_BASE + 0x04)
USART1_BRR EQU (USART1_BASE + 0x08)
USART1_CR1 EQU (USART1_BASE + 0x0c)
USART1_CR2 EQU (USART1_BASE + 0x10)
USART1_CR3 EQU (USART1_BASE + 0x14)
USART1_GTPR EQU (USART1_BASE + 0x18)
;NVIC寄存器地址
NVIC_BASE EQU 0xE000E000
NVIC_SETEN EQU (NVIC_BASE + 0x0010)
;SETENA寄存器阵列的起始地址
NVIC_IRQPRI EQU (NVIC_BASE + 0x0400)
;中断优先级寄存器阵列的起始地址
NVIC_VECTTBL EQU (NVIC_BASE + 0x0D08)
;向量表偏移寄存器的地址
NVIC_AIRCR EQU (NVIC_BASE + 0x0D0C)
;应用程序中断及复位控制寄存器的地址
SETENA0 EQU 0xE000E100
SETENA1 EQU 0xE000E104
;SysTick寄存器地址
SysTick_BASE EQU 0xE000E010
SYSTICKCSR EQU (SysTick_BASE + 0x00)
SYSTICKRVR EQU (SysTick_BASE + 0x04)
;FLASH缓冲寄存器地址映像
FLASH_ACR EQU 0x40022000
;SCB_BASE EQU (SCS_BASE + 0x0D00)
MSP_TOP EQU 0x20005000
;主堆栈起始值
PSP_TOP EQU 0x20004E00
;进程堆栈起始值
BitAlias_BASE EQU 0x22000000
;位带别名区起始地址
Flag1 EQU 0x20000200
b_flas EQU (BitAlias_BASE + (0x200*32) + (0*4))
;位地址
b_05s EQU (BitAlias_BASE + (0x200*32) + (1*4))
;位地址
DlyI EQU 0x20000204
DlyJ EQU 0x20000208
DlyK EQU 0x2000020C
SysTim EQU 0x20000210
;常数定义
Bit0 EQU 0x00000001
Bit1 EQU 0x00000002
Bit2 EQU 0x00000004
Bit3 EQU 0x00000008
Bit4 EQU 0x00000010
Bit5 EQU 0x00000020
Bit6 EQU 0x00000040
Bit7 EQU 0x00000080
Bit8 EQU 0x00000100
Bit9 EQU 0x00000200
Bit10 EQU 0x00000400
Bit11 EQU 0x00000800
Bit12 EQU 0x00001000
Bit13 EQU 0x00002000
Bit14 EQU 0x00004000
Bit15 EQU 0x00008000
Bit16 EQU 0x00010000
Bit17 EQU 0x00020000
Bit18 EQU 0x00040000
Bit19 EQU 0x00080000
Bit20 EQU 0x00100000
Bit21 EQU 0x00200000
Bit22 EQU 0x00400000
Bit23 EQU 0x00800000
Bit24 EQU 0x01000000
Bit25 EQU 0x02000000
Bit26 EQU 0x04000000
Bit27 EQU 0x08000000
Bit28 EQU 0x10000000
Bit29 EQU 0x20000000
Bit30 EQU 0x40000000
Bit31 EQU 0x80000000
;向量表
AREA RESET, DATA, READONLY
DCD MSP_TOP ;初始化主堆栈
DCD Start ;复位向量
DCD NMI_Handler ;NMI Handler
DCD HardFault_Handler ;Hard Fault Handler
DCD 0
DCD 0
DCD 0
DCD 0
DCD 0
DCD 0
DCD 0
DCD 0
DCD 0
DCD 0
DCD 0
DCD SysTick_Handler ;SysTick Handler
SPACE 20 ;预留空间20字节
;代码段
AREA |.text|, CODE, READONLY
;主程序开始
ENTRY
;指示程序从这里开始执行
Start
;时钟系统设置
ldr r0, =RCC_CR
ldr r1, [r0]
orr r1, #Bit16
str r1, [r0]
;开启外部晶振使能
;启动外部8M晶振
ClkOk
ldr r1, [r0]
ands r1, #Bit17
beq ClkOk
;等待外部晶振就绪
ldr r1,[r0]
orr r1,#Bit17
str r1,[r0]
;FLASH缓冲器
ldr r0, =FLASH_ACR
mov r1, #0x00000032
str r1, [r0]
;设置PLL锁相环倍率为7,HSE输入不分频
ldr r0, =RCC_CFGR
ldr r1, [r0]
orr r1, #(Bit18 :OR: Bit19 :OR: Bit20 :OR: Bit16 :OR: Bit14)
orr r1, #Bit10
str r1, [r0]
;启动PLL锁相环
ldr r0, =RCC_CR
ldr r1, [r0]
orr r1, #Bit24
str r1, [r0]
PllOk
ldr r1, [r0]
ands r1, #Bit25
beq PllOk
;选择PLL时钟作为系统时钟
ldr r0, =RCC_CFGR
ldr r1, [r0]
orr r1, #(Bit18 :OR: Bit19 :OR: Bit20 :OR: Bit16 :OR: Bit14)
orr r1, #Bit10
orr r1, #Bit1
str r1, [r0]
;其它RCC相关设置
ldr r0, =RCC_APB2ENR
mov r1, #(Bit14 :OR: Bit4 :OR: Bit2)
str r1, [r0]
;PA9串口0发射脚
ldr r0, =GPIOA_CRH
ldr r1, [r0]
orr r1, #(Bit4 :OR: Bit5)
;PA.9输出模式,最大速度50MHz
orr r1, #Bit7
and r1, #~Bit6
;10:复用功能推挽输出模式
str r1, [r0]
ldr r0, =USART1_BRR
mov r1, #0x271
str r1, [r0]
;配置波特率-> 115200
ldr r0, =USART1_CR1
mov r1, #0x200c
str r1, [r0]
;USART模块总使能 发送与接收使能
;71 02 00 00 2c 20 00 00
;AFIO 参数设置
;Systick 参数设置
ldr r0, =SYSTICKRVR
;Systick装初值
mov r1, #9000
str r1, [r0]
ldr r0, =SYSTICKCSR
;设定,启动Systick
mov r1, #0x03
str r1, [r0]
;切换成用户级线程序模式
ldr r0, =PSP_TOP
;初始化线程堆栈
msr psp, r0
mov r0, #3
msr control, r0
;初始化SRAM寄存器
mov r1, #0
ldr r0, =Flag1
str r1, [r0]
ldr r0, =DlyI
str r1, [r0]
ldr r0, =DlyJ
str r1, [r0]
ldr r0, =DlyK
str r1, [r0]
ldr r0, =SysTim
str r1, [r0]
;主循环
main
ldr r0, =Flag1
ldr r1, [r0]
tst r1, #Bit1
;SysTick产生0.5s,置位bit 1
beq main ;0.5s标志还没有置位
;0.5s标志已经置位
ldr r0, =b_05s
;位带操作清零0.5s标志
mov r1, #0
str r1, [r0]
mov r0, #'H'
bl send_a_char
mov r0, #'e'
bl send_a_char
mov r0, #'l'
bl send_a_char
mov r0, #'l'
bl send_a_char
mov r0, #'o'
bl send_a_char
mov r0, #' '
bl send_a_char
mov r0, #'W'
bl send_a_char
mov r0, #'o'
bl send_a_char
mov r0, #'r'
bl send_a_char
mov r0, #'l'
bl send_a_char
mov r0, #'d'
bl send_a_char
mov r0, #'\n'
bl send_a_char
b main
;子程序 串口1发送一个字符
send_a_char
push {r0 - r3}
ldr r2, =USART1_DR
str r0, [r2]
b1
ldr r2, =USART1_SR
ldr r2, [r2]
tst r2, #0x40
beq b1
;发送完成(Transmission complete)等待
pop {r0 - r3}
bx lr
;异常程序
NMI_Handler
bx lr
HardFault_Handler
bx lr
SysTick_Handler
ldr r0, =SysTim
ldr r1, [r0]
add r1, #1
str r1, [r0]
cmp r1, #500
bcc TickExit
mov r1, #0
str r1, [r0]
ldr r0, =b_05s
;大于等于500次 清零时钟滴答计数器 设置0.5s标志位
;位带操作置1
mov r1, #1
str r1, [r0]
TickExit
bx lr
ALIGN
;通过用零或空指令NOP填充,来使当前位置与一个指定的边界对齐
END
编译工程后,将hex文件烧录进stm32中,烧录过程参考上文。烧录完成后,不改变接线方式,修改boot0到0位置,打开串口通信调试器

最后效果如下

观察波形,输出端口为USART1_SR
\
波形如下

很容易看出成功输出了“hello world\n”
七、总结
了解了串口协议,学会了通过串口烧录hex文件,学习了如何使用keil5自带的逻辑分析仪来分析管脚输出波形从而分析工程是否成功运行,以及学会了如何进行串口通信,代码和操作都不算复杂,但是过程略为繁琐,需要静下心来学习
八、参考文献
串口接头与区分TTL\RS232电平_但行前路 无问西东-CSDN博客_ttl电平
usb转ttl电路图大全(RS232/串口/CH340T/PL2303) - 接口/总线/驱动 - 电子发烧友网
串口通信协议_百度百科
使用STMCubeMX生成代码(使用hal库)实现流水灯_junseven164的博客-CSDN博客
基于 MDK 创建 STM32 汇编程序:串口输出 Hello world_ssj925319的博客-CSDN博客
|