一、介绍
1.蜂鸣器

比赛单片机自带的蜂鸣器为有源蜂鸣器(内置震荡源),也就是说给N_BUZZ一个低电平,蜂鸣器就会发出声音了。
N_BUZZ = 0;
我们再说一下无源蜂鸣器,无源蜂鸣器没有震荡源,直接给予一个直流信号蜂鸣器是不会发出声音的,所以我们要手动给与一个方波信号。 怎么实现呢?
while(1){
N_BUZZ = 0;
delay_ms(200);(不同时间,会发出不同的声音哦)
N_BUZZ = 1;
delay_ms(200);
}
2.继电器

继电器就是用小电流控制大电流的一种自动化的开关 当N_RELAY输出低电平的时候呢,K1就会被吸合,此时m2的那条支路就接通了。 至于二极管的作用应该是用来保护电路,继电器内部少不了一些储能元件,但继电器断开时继电器肯定会放电的。
二. 控制
当我们了解过继电器和蜂鸣器之后,我们看看如何在这款单片机中实现对它们的控制吧。
 
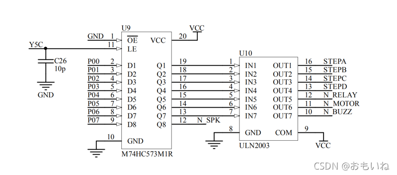
1.ULN2003
74HC138译码器和M74锁存器我们之前都已经介绍过了吧,这里我们看看新出现的ULN2003有什么用呢?  从数据手册我们可以看出这个芯片不就是一个反相器嘛。
2.代码
当我们上电之后我们会发现蜂鸣器乱叫,所以在每个程序前我们最好先关掉蜂鸣器
P2 = (P2&0x1f)|0x10;
P0.6 = 0;
P2 =P2&0x1f;关闭锁存器
而我们的打开和关闭蜂鸣器,继电器和上面代码类似,就不再一一详细列出。
最后希望大家一起学习进步哦!
|