一、什么是ADC采集?
adc电路就是指模数转换电路。也就是将模拟信号变为数字信号。一般用在数据采集方面。 ADC,Analog-to-Digital Converter的缩写,指模/数转换器或者模拟/数字转换器。是指将连续变量的模拟信号转换为离散的数字信号的器件。真实世界的模拟信号,例如温度、压力、声音或者图像等,需要转换成更容易储存、处理和发射的数字形式。模/数转换器可以实现这个功能,在各种不同的产品中都可以找到它的身影。 典型的模拟数字转换器将模拟信号转换为表示一定比例电压值的数字信号。然而,有一些模拟数字转换器并非纯的电子设备,例如旋转编码器,也可以被视为模拟数字转换器。
二、STM32的ADC
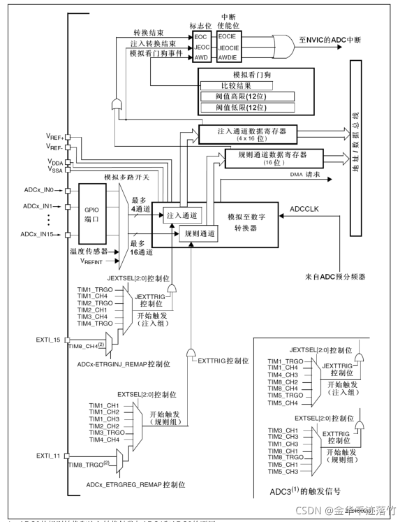
STM32F103 系列最少都拥有 2 个 ADC,我们选择的 STM32F103ZET 包含有 3 个 ADC。STM32 的 ADC 最大的转换速率为 1Mhz,也就是转换时间为 1us(在 ADCCLK=14M,采样周期为 1.5 个 ADC 时钟下得到),不要让 ADC 的时钟超过 14M,否则将导致结果准确度下降。STM32 将 ADC 的转换分为 2 个通道组:规则通道组和注入通道组。规则通道相当于你正常运行的程序,而注入通道呢,就相当于中断。在你程序正常执行的时候,中断是可以打断你的执行的。同这个类似,注入通道的转换可以打断规则通道的转换, 在注入通道被转换完成之后,规则通道才得以继续转换。 12位ADC是一种逐次逼近型模拟数字转换器。它有多达18个通道,可测量16个外部和2个内部信号源。各通道的A/D转换可以单次、连续、扫描或间断模式执行。ADC的结果可以左对齐或右对齐方式存储在16位数据寄存器中。
框图

2.代码
ADC.c
#include "stm32f10x.h"
void ADC_INIT(void)
{
ADC_InitTypeDef ADC_InitStructure;
GPIO_InitTypeDef GPIO_InitStructure;
RCC_APB2PeriphClockCmd(RCC_APB2Periph_GPIOA |RCC_APB2Periph_ADC1 , ENABLE );
RCC_ADCCLKConfig(RCC_PCLK2_Div6);
GPIO_InitStructure.GPIO_Pin = GPIO_Pin_1;
GPIO_InitStructure.GPIO_Mode = GPIO_Mode_AIN;
GPIO_Init(GPIOA, &GPIO_InitStructure);
ADC_DeInit(ADC1);
ADC_InitStructure.ADC_Mode = ADC_Mode_Independent;
ADC_InitStructure.ADC_ScanConvMode = DISABLE;
ADC_InitStructure.ADC_ContinuousConvMode = DISABLE;
ADC_InitStructure.ADC_ExternalTrigConv = ADC_ExternalTrigConv_None;
ADC_InitStructure.ADC_DataAlign = ADC_DataAlign_Right;
ADC_InitStructure.ADC_NbrOfChannel = 1;
ADC_Init(ADC1, &ADC_InitStructure);
ADC_Cmd(ADC1, ENABLE);
ADC_ResetCalibration(ADC1);
while(ADC_GetResetCalibrationStatus(ADC1));
ADC_StartCalibration(ADC1);
while(ADC_GetCalibrationStatus(ADC1));
}
main.c
#include "stm32f10x.h"
#include "delay.h"
#include "led.h"
#include "adc.h"
#include "usart.h"
u16 value;
int main(void)
{
delay_init();
uart_init(115200);
ADC_INIT();
while(1)
{
ADC_RegularChannelConfig(ADC1, ADC_Channel_1, 1, ADC_SampleTime_239Cycles5 );
ADC_SoftwareStartConvCmd(ADC1, ENABLE);
while(!ADC_GetFlagStatus(ADC1, ADC_FLAG_EOC ));
value=ADC_GetConversionValue(ADC1);
delay_ms(20);
printf("ADC:%d\r\n",value);
}
}
总结
ADC作为我们经常使用的外设,我们要在使用的时候特别要注意的一些配置,就像是否启用连续转换,还有是否使用DMA储存,这里我们没有采用DMA的搬运,所以我们下节课讲的是DMA的进行ADC的数据搬运,这里不就多介绍了 ,等我写完DMA的相关的代码,再将ADC的代码与DMA的代码,我们先看看的结果吧。   链接:https://pan.baidu.com/s/1iQnwVq302c4V0jMZHWRDzA 提取码:qvjd
|