|
要求:
用STC89C51单片机,按键,LED灯完成外部中断实验。 程序中点亮LED流水灯,当按键按下时,外部中断触发,程序转至中断服务程序,在中断服务程序中使LED灯全亮; 按键松开时,从中断服务程序转至主程序,继续点亮流水灯。
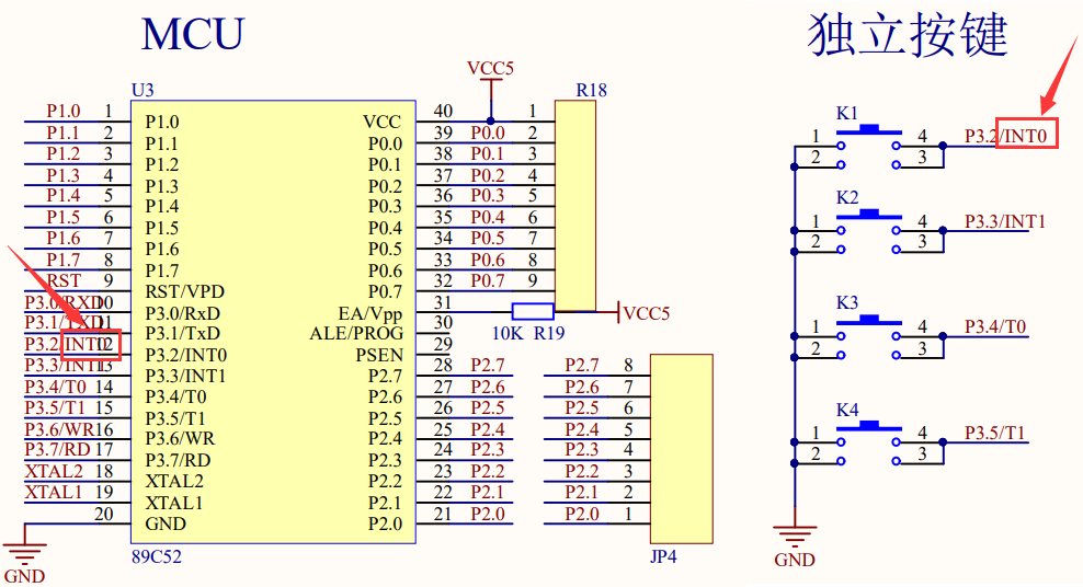
电路原理图如下:

理解
- 单片机的外部中断不是以在主函数中调用为信号,而是操作者外部对它的做法为信号.
- 51有两个中断口,分别为P3^1,P3^2.各自对应按键K1和K2,可以在其中选一个做中断源,需要注意,中断0对应中断号0,中断1对应中断号2,这里选择中断0.
- 按下中断,弹起返回,说明是电平触发,IT0=0.
- 中断需要先开启总中断(EA=1),再开启局部中断(EXx=1),再设置触发方式(ITx=1为跳沿触发,每按一次才转换状态,ITx=0为电平触发,松手就恢复原样)
代码:
#include<reg51.h>
#include<intrins.h>
#define uchar unsigned char
sbit button = P3^2;//3.2为中断0口,与key1相连
uchar luishui = 0xfe;// 1111 1110 起始第一个灯亮
void Delay(uchar z)
{
uchar x, y;
for(x = z; x > 0; x--) for(y = 255; y > 0; y--);
}
void main()
{
IT0 = 0;//中断INT0为电平触发方式
EX0 = 1;//开启定时器0中断
EA = 1;//开启总中断
while(1)
{
P0 = luishui;//1111 1110
luishui = _crol_(luishui, 1);//左循环一位
Delay(255);
}
}
void X0_INT() interrupt 0 //选择中断0,不写返回值
{
P0 = 0x00;
Delay(10);
while(button == 0);//按键被按下,保持当前状态
}
拓展:采用跳沿触发方式
#include<reg51.h>
#include<intrins.h>
#define uchar unsigned char
sbit button = P3^2;//3.2为中断0口,与key1相连
uchar press = 0;在拓展中用来统计按键次数
uchar luishui = 0xfe;// 1111 1110 起始第一个灯亮
void Delay(uchar z)
{
uchar x, y;
for(x = z; x > 0; x--) for(y = 255; y > 0; y--);
}
void main()
{
IT0 = 1;//中断INT0为跳边沿触发方式
EX0 = 1;//开启定时器0中断
EA = 1;//开启总中断
while(1)
{
if(press == 1) P0 = 0x00;//0000 0000,检验如果自定义变量press为0就让所有灯熄灭
if(press == 0) //如果自定义变量press确实为如赋值为0,开始流水灯
{
P0 = luishui;//1111 1110
luishui = _crol_(luishui, 1);//左循环一位
Delay(255);
}
}
}
void X0_INT() interrupt 0 //选择中断0,不写返回值
{
press += 1;
if(press == 2) press = 0;
P0 = 0x00;
Delay(10);
while(button == 0)
{
P0 = 0x00;
Delay(10);
}//按键被按下,保持当前状态
}*/
|