1.原理及硬件
????????1.1????????系统流程:
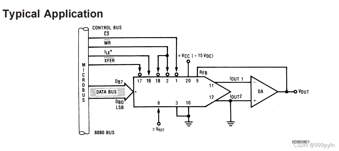
????????????????单片机控制DAC0832的片选和寄存器选通引脚,并且对DAC输出波形数据,最终得到DAC输出的模拟量。由于DAC0832输出的模拟量是电流值,因此加一个运放可以得到与参考电压反向的输出电压值,随后加一个反向器就会得到的希望的正向电压,用示波器采集。
????????1.2????????DAC0832使用说明:

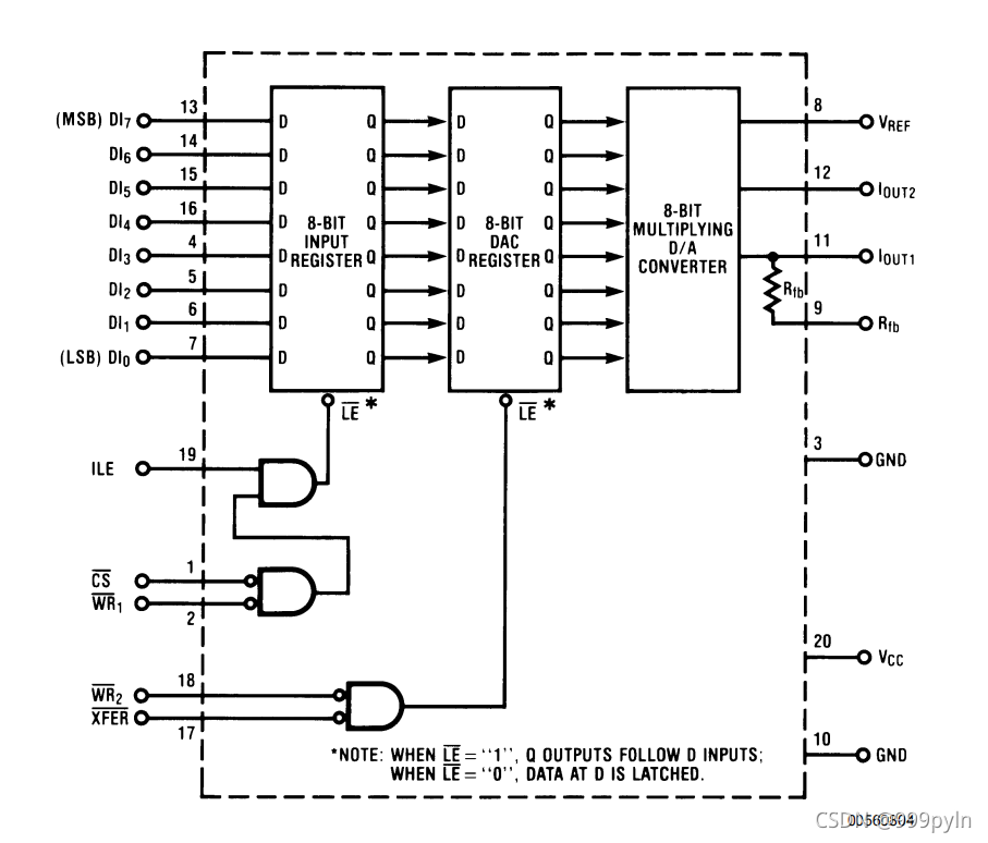
????????????????1.一个输入寄存器、一个DAC寄存器、一个D/A转换器;
????????????????2.ILE高CS、WR1低选通,使得数据可以通过输入寄存器;WR2、XFER低选通,使得数据通过DAC寄存器直接进入D/A转换器进行转换。输出Iout1、Iout2。
????????1.3? ? ? ? DAC0832外围电路:

????????????????通过运放电路得到与参考电压反向的输出电压。
????????1.4????????反向器:

????????????????通过反向器使得输出电压与参考电压同向,然后可以直接用示波器测出模拟波形。

????????1.5????????完整原理图:
2.程序设计
本程序采用查表法得到正弦波形数据。取256个点(越多越可以真实表现出一个波形),DAC为10位精度。采出来256个点放在ROM里面。
程序直接CS、WR1、WR2、XFER持续低电平,ILE持续高电平。在while(1)死循环里循环把数据给DI7-DI0,可以无限输出正弦波形。
#include <reg51.h>
#define DATA P0
sbit DAC_WR=P3^6;
sbit DAC_CS=P2^7;
unsigned char code sin[]={0x7F,0x82,0x85,0x88,0x8B,0x8F,0x92,0x95,0x98,0x9B,0x9E,0xA1,0xA4,0xA7,0xAA,0xAD
,0xB0,0xB3,0xB6,0xB8,0xBB,0xBE,0xC1,0xC3,0xC6,0xC8,0xCB,0xCD,0xD0,0xD2,0xD5,0xD7
,0xD9,0xDB,0xDD,0xE0,0xE2,0xE4,0xE5,0xE7,0xE9,0xEB,0xEC,0xEE,0xEF,0xF1,0xF2,0xF4
,0xF5,0xF6,0xF7,0xF8,0xF9,0xFA,0xFB,0xFB,0xFC,0xFD,0xFD,0xFE,0xFE,0xFE,0xFE,0xFE
,0xFE,0xFE,0xFE,0xFE,0xFE,0xFE,0xFD,0xFD,0xFC,0xFB,0xFB,0xFA,0xF9,0xF8,0xF7,0xF6
,0xF5,0xF4,0xF2,0xF1,0xEF,0xEE,0xEC,0xEB,0xE9,0xE7,0xE5,0xE4,0xE2,0xE0,0xDD,0xDB
,0xD9,0xD7,0xD5,0xD2,0xD0,0xCD,0xCB,0xC8,0xC6,0xC3,0xC1,0xBE,0xBB,0xB8,0xB6,0xB3
,0xB0,0xAD,0xAA,0xA7,0xA4,0xA1,0x9E,0x9B,0x98,0x95,0x92,0x8F,0x8B,0x88,0x85,0x82
,0x7F,0x7C,0x79,0x76,0x73,0x6F,0x6C,0x69,0x66,0x63,0x60,0x5D,0x5A,0x57,0x54,0x51
,0x4E,0x4B,0x48,0x46,0x43,0x40,0x3D,0x3B,0x38,0x36,0x33,0x31,0x2E,0x2C,0x29,0x27
,0x25,0x23,0x21,0x1E,0x1C,0x1A,0x19,0x17,0x15,0x13,0x12,0x10,0x0F,0x0D,0x0C,0x0A
,0x09,0x08,0x07,0x06,0x05,0x04,0x03,0x03,0x02,0x01,0x01,0x00,0x00,0x00,0x00,0x00
,0x00,0x00,0x00,0x00,0x00,0x00,0x01,0x01,0x02,0x03,0x03,0x04,0x05,0x06,0x07,0x08
,0x09,0x0A,0x0C,0x0D,0x0F,0x10,0x12,0x13,0x15,0x17,0x19,0x1A,0x1C,0x1E,0x21,0x23
,0x25,0x27,0x29,0x2C,0x2E,0x31,0x33,0x36,0x38,0x3B,0x3D,0x40,0x43,0x46,0x48,0x4B
,0x4E,0x51,0x54,0x57,0x5A,0x5D,0x60,0x63,0x66,0x69,0x6C,0x6F,0x73,0x76,0x79,0x7C};
void main()
{
unsigned char i;
DAC_CS = 0;
DAC_WR = 0;
while(1)
{
for(i=0;i<256;i++)
{
DATA=sin[i];
}
}
}
3.结果

可以看出幅度占5个格子,一格是1V;频率控制可以利用延时函数delay,注意要把语句执行的时间考虑进去。
|