第一章?点亮LED灯
前言
? ? ? 在CT107D单片机综合训练平台实现LED的基本控制和其他单片机开发平台不一样,不单单是控制几个LED实现跑马灯这么简单。因为在这个平台上要掌握74CH138译码器和74HC573锁存器的使用才能实现对LED的基本控制。因此,这个单元的重点不是LED的控制,而是掌握译码器和锁存器的基本使用。
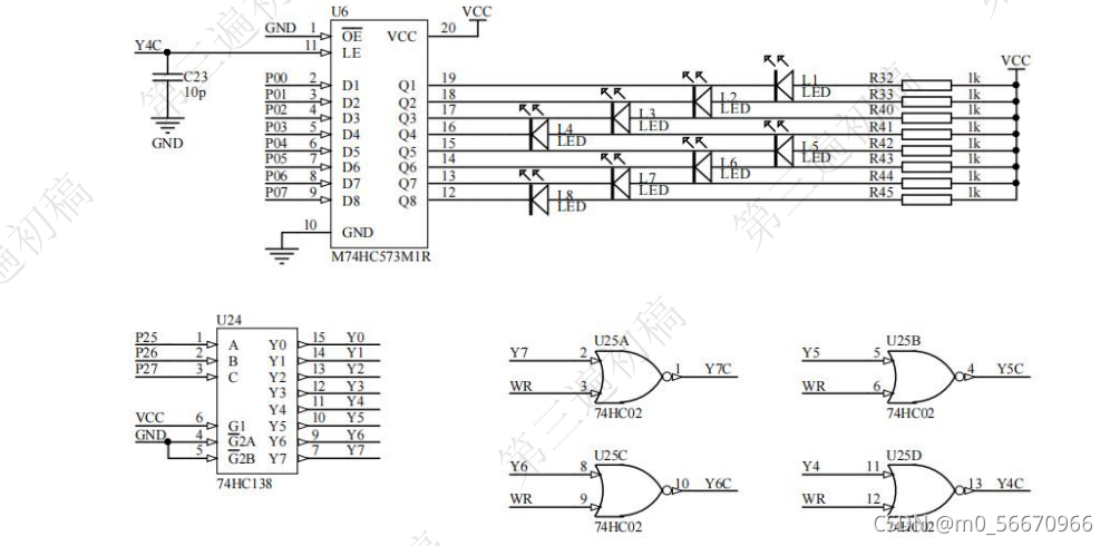
一、LED原理图

二、74CH138译码器.74HC573锁存器和74HC02或非门的使用
1.74HC138:三八译码器

? ?74HC138译码器实现的功能就是3个输入引脚,实现8个输出引脚,而且这个八个输出引脚中只有一个低电平。
2.74HC573:锁存器
? ?锁存器就是能够把输出的数据保存住,不会受到输入变化的影响。74HC573锁存器有20个引脚,D1~D8是数据输入端,Q1~Q8是数据输出端,LE为锁存控制端。当锁存使能端LE为高电平时,Q1~Q8输出和D1~D8输入是一样的;LE为低电平时,Q1~Q8输出不受D1~D8输入的变化影响。
3.74HC02:或非门

从电路原理图上可以分析出,单片机的WR和译码器的Y4引脚作为74HC02的输入。通过J13的跳帽选择WR与GND相连,WR为低电平。如果译码器的Y4输出低电平,那么74HC02的输出Y4C将为高电平,而该引脚接到74HC573锁存器的LE引脚,这时候锁存器处于数据联通的开放状态,也就是单片机可以控制LED灯。如果单片机不向外设输出数据,或者译码器的Y4没有输出低电平的话,则74HC573处于锁存状态,即单片机不能控制LED灯。
三、代码实现
#include "reg52.h"
// 关闭外设
void Cls_Peripheral(void)
{ // IO模式(J13-2和J13-3相连)
P0 = 0xFF;
P2 = P2 & 0x1F | 0x80; // P27~P25清零,再定位Y4C
P2 &= 0x1F; // P27~P25清零
P0 = 0;
P2 = P2 & 0x1F | 0xA0; // P27~P25清零,再定位Y5C
P2 &= 0x1F; // P27~P25清零
//XBYTE[0x8000] = 0xFF; // MM模式(J13-2和J13-1相连)
//XBYTE[0xA000] = 0;
}
// LED显示
void Led_Disp(unsigned char ucLed)
{
P0 = ~ucLed;
P2 = P2 & 0x1F | 0x80; // P27~P25清零,再定位Y4C
P2 &= 0x1F; // P27~P25清零
}
// 延时函数(最小约1ms@12MHz)
void Delay(unsigned int num)
{
unsigned int i;
while(num--)
for(i=0; i<628; i++);
}
// 主函数
void main(void)
{
unsigned char i, j;
Cls_Peripheral();
while(1)
{ // 4个亮度等级
for(i=0; i<4; i++)
for(j=0; j<100; j++)
{
Led_Disp(0xff);
Delay(i+1);
Led_Disp(0);
Delay(4-i);
}
}
}
总结
点亮流水灯的几种方式
1、一盏一盏的操作:先令第一盏灯亮,延时,熄灭,延时,再让下一盏灯重复操作即可;
2、利用数组方法点亮:先定义一个数组,其中存入相应8盏灯亮的数字,按顺序点亮八盏灯;
? ? ? 即(?0xfe,0xfd,0xfb,0xf7,0xef,oxdf,0xbf,0x7f:依次代表只有第一盏灯,第二盏灯....亮)
3、利用移位方法点亮:(1)利用移位运算和按位或运算,依次点亮八盏灯;
? ? ? ? ? ? ? ? ? ? ? ? ? ? ? ? ? ? ? (2)包含intrins头文件里面含有的移位函数,使用相应的左移或右移函数? ? ? ? ? ? ? ? ? ? ? ? ? ? ? ? ? ? ? ? ? ? ? ? ? 进行移位,循环点?亮八盏灯 ?
|