一、AD软件获取与安装
1、可以在网上找,当然时间不怕慢的话也有网盘链接 AD软件链接: 链接:https://pan.baidu.com/s/19iXTly22rFcyLi49lUQ-Lg?pwd=3288 提取码:3288
相关库链接: 链接:https://pan.baidu.com/s/1AwD6lOvphHGsIz2Dg_9ycA?pwd=8183 提取码:8183
2、下好后,点击exe文件,开始安装,建议管理员运行,不怕出错。   打开后,如上,点击next。 3、在这儿可以选择需要的语言,然后同样再next  4、到了这儿,选择文件路径,改成其它盘,注意,文件一定要为空文件。  5、之后就一直是next就行,直到安装完成如下: 
二、相关配置
1、安装完成后,直接点击完成,打开如下,点击右上角设置按钮:  2、点击后如下图所示。勾选最下方的Use…  3、然后暂时可以关闭软件了。打开crack文件,将最下面的文件复制到安装的文件下。   4、再次打开软件,出现如下图,点击Add…这个英文。  5、按如下路径打开文件夹,随便选一个打开,没什么要求。至此,工程就建立好了。  6、创建好工程后,将相关的库文件放入工程,复制到同目录下就行。
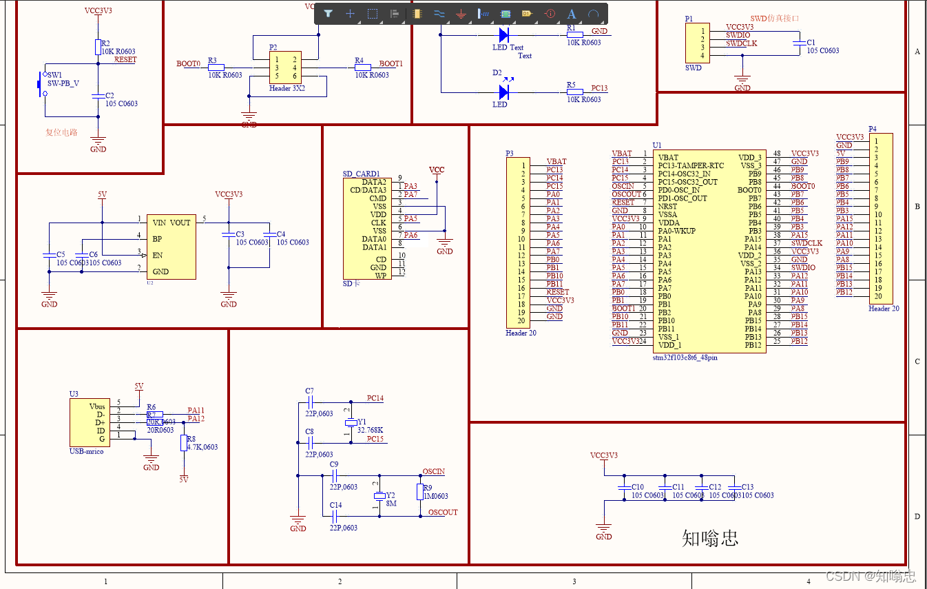
三、绘制stm32最小系统电路图
1、接着上方,创建好后,按如下选项创建原理图  2、先点击红框处,再点击蓝框处,进入如下界面,点击工程库添加。  3、添加完成后就可以将相应的东西直接拖进去就行,然后进行绘制,绘制完成后,如下图所示: 
四、总结
这次是真感觉不难,我自己也能做一些东西了。但是难画啊,花了一些时间,照着那现有的图一点一点搞。 参考链接: https://blog.csdn.net/m0_58414679/article/details/122009031?spm=1001.2014.3001.5501
|