一、Altium Designer
(一)简介 Altium Designer 提供了唯一一款统一的应用方案,其综合电子产品一体化开发所需的所有必须技术和功能。Altium Designer 在单一设计环境中集成板级和FPGA3系统设计、基于FPGA和分立处理器的嵌入式软件开发以及PCB版图设计、编辑和制造。并集成了现代设计数据管理功能,使得Altium Designer成为电子产品开发的完整解决方案-一个既满足当前,也满足未来开发需求的解决方案。
(二)优点 Altium Designer通过把原理图设计、PCB绘制编辑、拓扑逻辑自动布线、信号完整性分析和设计输出等技术的完美融合,为设计者提供了全新的设计解决方案,使设计者可以轻松进行设计,熟练使用这一软件必将使电路设计的质量和效率大大提高。
(三)设计PCB的流程 通常一个工程为一个PCB项目,一个工作组可以包含多个工程,一个工程可以包含多个原理图和PCB。AD软件只能打开一个工作组。设计PCB的
流程为
1.新建封装库; 2.在封装库中新建元件封装; 3.新建元件库; 4.在元件库中新建元器件; 5.新建工程组; 6.在工程组中新建PCB工程; 7.在PCB工程中添加原理图文件; 8.在原理图文件中添加元器件,连线等进行原理图设计; 9.在PCB工程中添加PCB文件,设置板框; 10.将原理图导入到PCB; 11.设置设计规则; 12.在PCB文件中布局,布线,铺铜等进行PCB设计; 13.PCB设计完成之后,进行DRC(设计规则检查); 14.DRC没有错误,输出生产文件,一般为gerber文件,当然直接给PCB源文件也可以(没有保密性)。 15.在PCB加工这段时间,可以导出BOM,采购元器件。 16.PCB和元器件都回来之后,可以自己焊接或者发给贴片焊接加工厂 17.板子焊接好之后,进行硬件软件的调试。
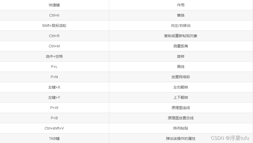
(四)快捷键使用

二、创建元件库
1.新建工程  创建成功如下  2.添加  点击Place

三、元件库下载
1.选择Panels->Libraries
 2.点击Libraries->Installed->install…->install from file进行下载
 3.添加stm32原理图库.SCHLIB
 添加完成 
四、绘制原理图
1.选择STM32原理图库.SCHLIB
  2.延长引脚线
 3.右键选择添加网络标签或者用快捷键P+N添加标签
 添加完成如下
 4.绘制所有元件

五、绘制STM32+W5500电路原理图
1.STM32C8T6  2.HS-NM5500A  3.My_Board  4.My_Broad2 
六、参考资料
https://blog.csdn.net/cheer_me/article/details/101176141 https://blog.csdn.net/lee_goi/article/details/109559046 https://blog.csdn.net/qq_45659777/article/details/121939554?spm=1001.2014.3001.5501
|