|
详情也可查看STC15系列单片机用户手册---》第7章
持续关注阿杰在线更新保姆式蓝桥杯笔记~~坚持日更
目录
一、定时器的基础知识
二、定时器的寄存器(TCON&TMOD)
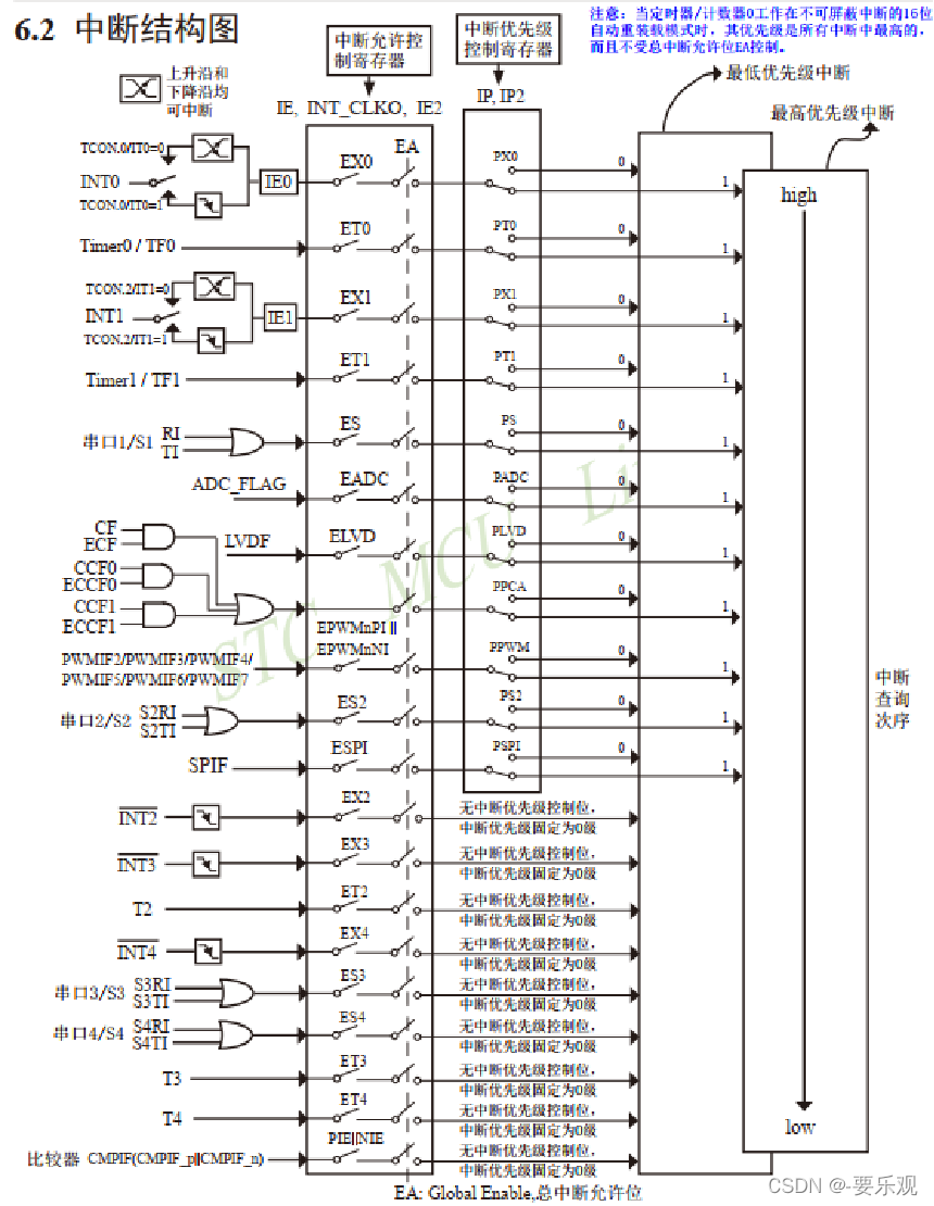
三、结构图
四、代码区
一、定时器的基础知识
实现定时/计数,有3种主要方法:软件延时、数字电路硬件定时和可编程定时/计数器。
- 软件定时:让机器执行一个程序段,这个程序段本身没有具体的目的,通过挑选适当的指令和设置合适的循坏次数来实现软件延时,由于执行每条指令都需要时间,执行这个程序段所需要的时间就是延时时间。常见的指令有for循环,通过改过循环次数来改变延时的时间。缺点:软件延时占用CPU,降低CPU的利用率。
- 数字电路硬件定时:采用小规模集成电路器件,外接定时部件(电阻和电容)。通过改变电阻和电容的值来改变定时范围。缺点:硬件电路连接好之后,不方便修改。
- 可编程定时/计数器:硬件定时,同时可以通过软件来确定和改变它的定时值,通过初始化编程,能够满足各种定时和计数需求,也是应用较多的一种方式。
时钟周期,即时钟源频率频率(晶振)分之一,一个机器周期为12个时钟周期。机器周期就是定时器的计数周期,在我们设定好初值之后,每经过一个机器周期,定时器自动加1,加到一定数值之后就会溢出。对于8位的定时器,加到255后再加1溢出;对于16位的定时器,加到65535后再加1溢出。
定时器既可以工作在定时方式也可以工作在计数方式。这两种方式本质都是对脉冲进行计数,不过所计脉冲的来源不同。常用的是定时方式,(以T0为例)每过一个机器周期,计数器的初值加1,直至计满预设的个数,TH0和TL0回零,溢出中断标志位TF0置1,产生溢出中断。当我们设定了定时器的工作方式并启动后,定时器就按照规定的方式工作,不占用CPU的操作时间,此时CPU可以执行其他其他程序,除非定时器溢出,才会中断CPU正在执行的程序(类似于人在工作或者睡觉的时候,手表依然滴滴滴滴在走,到了设定的时间,闹钟会响)。
二、定时器的寄存器(TCON&TMOD)
  
三、定时器的工作原理




  


四、结构图

五、代码区
|