一级目录
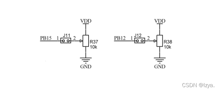
 模拟输入原理图:PB12对应ADC1,PB15对应ADC2  ADC1和ADC2对应各引脚的输入通道
ADC1和ADC2的CubeMX主要配置
1、ADC1对应原理图引脚PB12  2、ADC1基本配置 
  3、ADC2配置与ADC1相同   4、配置时钟树  5、依次完成Project Manager中需要勾选的配置后点击generate code生成初始化代码  
附:部分配置的中文含义
adc.c文件
#include "adc.h"
ADC_HandleTypeDef hadc1;
ADC_HandleTypeDef hadc2;
void ADC1_Init(void)
{
ADC_MultiModeTypeDef multimode = {0};
ADC_ChannelConfTypeDef sConfig = {0};
RCC_PeriphCLKInitTypeDef PeriphClkInit = {0};
hadc1.Instance = ADC1;
hadc1.Init.ClockPrescaler = ADC_CLOCK_ASYNC_DIV2;
hadc1.Init.Resolution = ADC_RESOLUTION_12B;
hadc1.Init.DataAlign = ADC_DATAALIGN_RIGHT;
hadc1.Init.GainCompensation = 0;
hadc1.Init.ScanConvMode = ADC_SCAN_DISABLE;
hadc1.Init.EOCSelection = ADC_EOC_SINGLE_CONV;
hadc1.Init.LowPowerAutoWait = DISABLE;
hadc1.Init.ContinuousConvMode = DISABLE;
hadc1.Init.NbrOfConversion = 1;
hadc1.Init.DiscontinuousConvMode = DISABLE;
hadc1.Init.ExternalTrigConv = ADC_SOFTWARE_START;
hadc1.Init.ExternalTrigConvEdge = ADC_EXTERNALTRIGCONVEDGE_NONE;
hadc1.Init.DMAContinuousRequests = DISABLE;
hadc1.Init.Overrun = ADC_OVR_DATA_PRESERVED;
hadc1.Init.OversamplingMode = DISABLE;
if (HAL_ADC_Init(&hadc1) != HAL_OK)
{
Error_Handler();
}
multimode.Mode = ADC_MODE_INDEPENDENT;
if (HAL_ADCEx_MultiModeConfigChannel(&hadc1, &multimode) != HAL_OK)
{
Error_Handler();
}
sConfig.Channel = ADC_CHANNEL_11;
sConfig.Rank = ADC_REGULAR_RANK_1;
sConfig.SamplingTime = ADC_SAMPLETIME_640CYCLES_5;
sConfig.SingleDiff = ADC_SINGLE_ENDED;
sConfig.OffsetNumber = ADC_OFFSET_NONE;
sConfig.Offset = 0;
if (HAL_ADC_ConfigChannel(&hadc1, &sConfig) != HAL_OK)
{
Error_Handler();
}
PeriphClkInit.PeriphClockSelection = RCC_PERIPHCLK_ADC12;
PeriphClkInit.Adc12ClockSelection = RCC_ADC12CLKSOURCE_SYSCLK;
if (HAL_RCCEx_PeriphCLKConfig(&PeriphClkInit) != HAL_OK)
{
Error_Handler();
}
}
void ADC2_Init(void)
{
ADC_ChannelConfTypeDef sConfig = {0};
hadc2.Instance = ADC2;
hadc2.Init.ClockPrescaler = ADC_CLOCK_ASYNC_DIV2;
hadc2.Init.Resolution = ADC_RESOLUTION_12B;
hadc2.Init.DataAlign = ADC_DATAALIGN_RIGHT;
hadc2.Init.GainCompensation = 0;
hadc2.Init.ScanConvMode = ADC_SCAN_DISABLE;
hadc2.Init.EOCSelection = ADC_EOC_SINGLE_CONV;
hadc2.Init.LowPowerAutoWait = DISABLE;
hadc2.Init.ContinuousConvMode = DISABLE;
hadc2.Init.NbrOfConversion = 1;
hadc2.Init.DiscontinuousConvMode = DISABLE;
hadc2.Init.ExternalTrigConv = ADC_SOFTWARE_START;
hadc2.Init.ExternalTrigConvEdge = ADC_EXTERNALTRIGCONVEDGE_NONE;
hadc2.Init.DMAContinuousRequests = DISABLE;
hadc2.Init.Overrun = ADC_OVR_DATA_PRESERVED;
hadc2.Init.OversamplingMode = DISABLE;
if (HAL_ADC_Init(&hadc2) != HAL_OK)
{
Error_Handler();
}
sConfig.Channel = ADC_CHANNEL_15;
sConfig.Rank = ADC_REGULAR_RANK_1;
sConfig.SamplingTime = ADC_SAMPLETIME_640CYCLES_5;
sConfig.SingleDiff = ADC_SINGLE_ENDED;
sConfig.OffsetNumber = ADC_OFFSET_NONE;
sConfig.Offset = 0;
if (HAL_ADC_ConfigChannel(&hadc2, &sConfig) != HAL_OK)
{
Error_Handler();
}
}
static uint32_t HAL_RCC_ADC12_CLK_ENABLED=0;
void HAL_ADC_MspInit(ADC_HandleTypeDef* adcHandle)
{
GPIO_InitTypeDef GPIO_InitStruct = {0};
if(adcHandle->Instance==ADC1)
{
HAL_RCC_ADC12_CLK_ENABLED++;
if(HAL_RCC_ADC12_CLK_ENABLED==1){
__HAL_RCC_ADC12_CLK_ENABLE();
}
__HAL_RCC_GPIOB_CLK_ENABLE();
GPIO_InitStruct.Pin = GPIO_PIN_12;
GPIO_InitStruct.Mode = GPIO_MODE_ANALOG;
GPIO_InitStruct.Pull = GPIO_NOPULL;
HAL_GPIO_Init(GPIOB, &GPIO_InitStruct);
}
else if(adcHandle->Instance==ADC2)
{
HAL_RCC_ADC12_CLK_ENABLED++;
if(HAL_RCC_ADC12_CLK_ENABLED==1){
__HAL_RCC_ADC12_CLK_ENABLE();
}
__HAL_RCC_GPIOB_CLK_ENABLE();
GPIO_InitStruct.Pin = GPIO_PIN_15;
GPIO_InitStruct.Mode = GPIO_MODE_ANALOG;
GPIO_InitStruct.Pull = GPIO_NOPULL;
HAL_GPIO_Init(GPIOB, &GPIO_InitStruct);
}
}
uint16_t getADC1(void)
{
uint16_t adc = 0;
HAL_ADC_Start(&hadc1);
adc = HAL_ADC_GetValue(&hadc1);
return adc;
}
uint16_t getADC2(void)
{
uint16_t adc = 0;
HAL_ADC_Start(&hadc2);
adc = HAL_ADC_GetValue(&hadc2);
return adc;
}
adc.h文件
#ifndef __ADC_H
#define __ADC_H
#include "main.h"
extern ADC_HandleTypeDef hadc1;
extern ADC_HandleTypeDef hadc2;
void ADC1_Init(void);
void ADC2_Init(void);
void HAL_ADC_MspInit(ADC_HandleTypeDef* adcHandle);
uint16_t getADC1(void);
uint16_t getADC2(void);
#endif
main.c文件
#include "main.h"
#include "stdio.h"
#include "string.h"
#include "lcd.h"
#include "adc.h"
__IO uint32_t uwTick_LCD_State_Pointer;
unsigned char Lcd_Disp_String[21];
void SystemClock_Config(void);
void LCD_Proc(void);
int main(void)
{
HAL_Init();
SystemClock_Config();
LCD_Init();
LCD_Clear(White);
LCD_SetBackColor(White);
LCD_SetTextColor(Blue);
ADC1_Init();
ADC2_Init();
while (1)
{
LCD_Proc();
}
}
void LCD_Proc(void)
{
if(uwTick-uwTick_LCD_State_Pointer<500) return;
uwTick_LCD_State_Pointer=uwTick;
memset(Lcd_Disp_String,0,sizeof(Lcd_Disp_String));
sprintf((char*)Lcd_Disp_String, " RES38_vol: %6.3f ",getADC1()*(3.3/4096));
LCD_DisplayStringLine(Line2, Lcd_Disp_String);
memset(Lcd_Disp_String,0,sizeof(Lcd_Disp_String));
sprintf((char*)Lcd_Disp_String, " RES37_vol: %6.3f ",getADC2()*(3.3/4096));
LCD_DisplayStringLine(Line3, Lcd_Disp_String);
}
|