1. 前言
在开关控制的电路中,若负载带的是感性负载如电磁阀或者电机,要注意感性负载产生的负压对开关的影响,下面对感性负载(下面直接用电感介绍)产生负压的原因、影响以及解决措施进行介绍。 这篇文章可跟电源专栏的《buck同步整流sw点负压问题》联合看。
2. 产生负压原因
带感性负载时,开关管在导通期间,电感上的电流逐渐增大,感应电压阻止电流增大,所以是左正右负。 
开关管关断时,由于电感上的电流要减小,电感的特性是电流不能突变,所以电感产生左负右正的感应电压来阻止电流的减小,忽略电感内阻的电压,那右端为地,所以左端为负,这就是产生负压的原因。 
3. 影响分析
那负压会产生什么影响呢? 主要影响是开关管的VDS增大,开关管会过压损坏。
4. 解决措施
解决措施是为电感所储存的能量提供一个泄放回路,从而减小电感的瞬变电压。 解决措施是基于开关芯片是整体,对外围电路进行优化来说的,没有具体涉及到抑制开关管变化速率的措施。
4.1 增加续流二极管
增加续流二极管给电感放电。续流二极管导通,开关点就会被拉到地,起到保护作用。  续流二极管可以增加串联电阻,减小其通过的电流。 当然可以增加TVS管达到快速续流,如下图所示。 
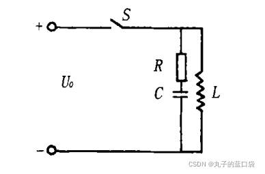
4.2 增加RC网络
RC主要是利用C充放电来控制L瞬态电压的缓慢变化。也可用R,RCD反正就是泄放回路,跟电源中抑制尖峰电压的措施差不多,区别是放电快慢和耗能了。 
4.3 增加压敏电阻
当压敏电阻两端的电压超过其承受电压时,压敏电阻阻值迅速减小,以控制其两端的电压减小,从而限制感性负载两端的电压。 
4.4 mos的GD增加稳压管
最后一种是高侧开关芯片中采用的比较多的一种,在mos的GD两端增加稳压管。具体原理是,当电感为产生负压时,mos的DS电压超过稳压管电压值时,稳压管导通,G点电压被拉高,导致GS电压增加,mos管导通,电感上的电流通过mos续流,所以mos的DS电压不会高,不至于被损坏。  其实在这里我产生了一个疑问点,若mos的S端为负,而mos关断时,G为0,那gs电压不还是大于0,mos还是会导通呀,这样加稳压管的措施不是多此一举? 目前没有找到资料讲这一点,只能推测,mos关断时,不一定为0,也许为了更可靠的关断,给的是个负压呢,所以将G拉到正压,可定可以有效导通了。
参考文献
《电气系统感性负载干扰的成因及抑制方法》 《感性负载过电压及其抑制》 《应用于高侧开关感性负载退磁的 负压箝位电路》 《TPS27160 datasheet》
个人公众号

|