|
 大家快来看看呀!???
1.0 安装驱动
首先大家下载驱动:包含BC20USB驱动,CH341驱动,FT232驱动,ST-LINK官方驱动,万能驱动
1.1 FT232驱动

1.2 CH341驱动

2.0 BC20开发板
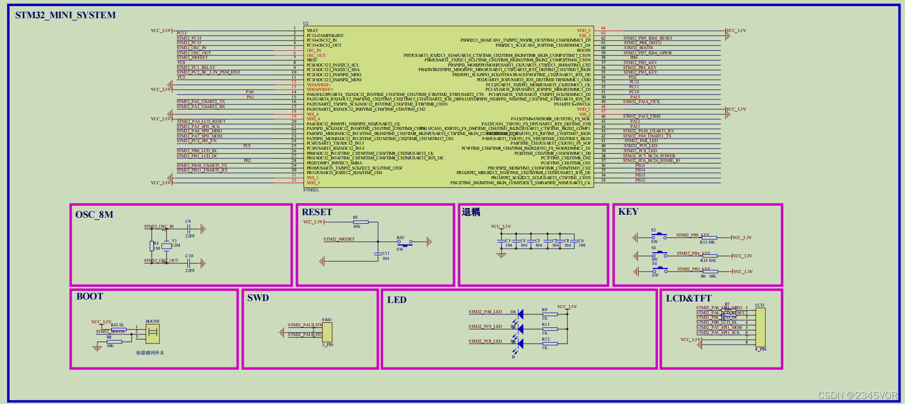
2.1 BC20核心板原理图

 
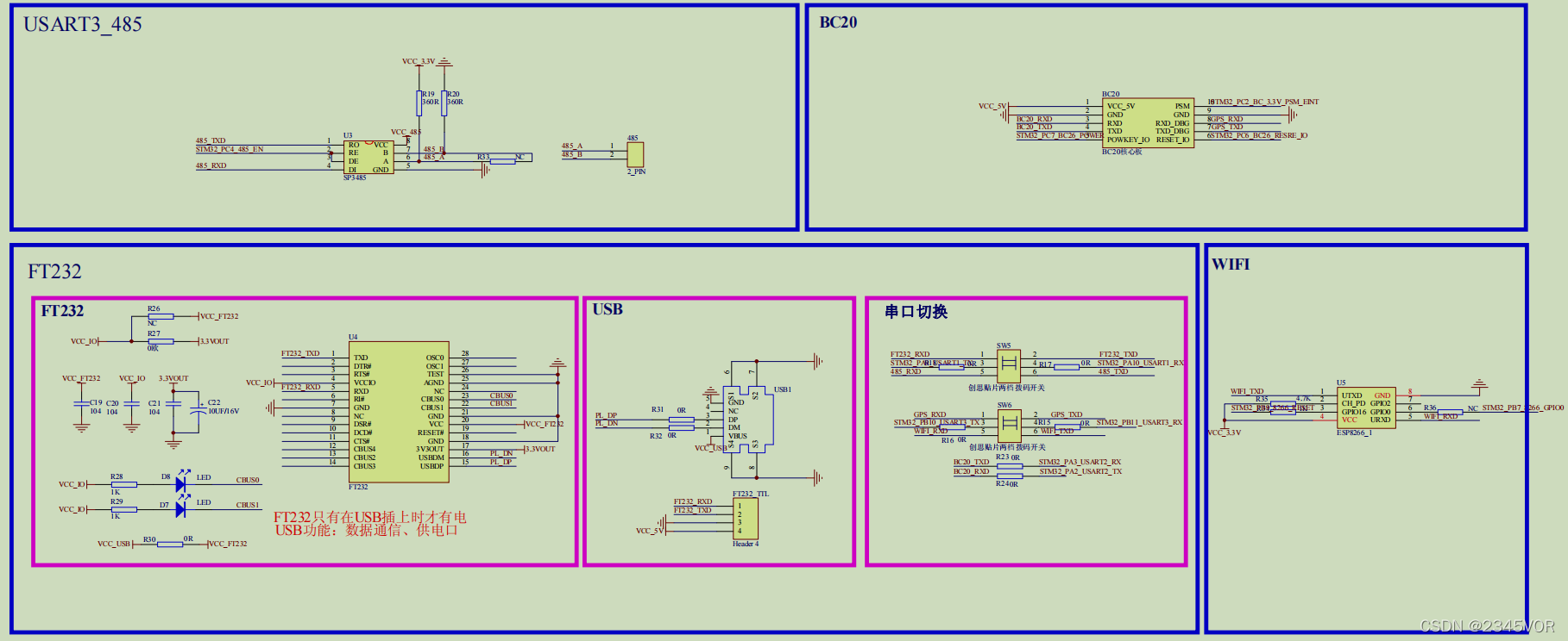
2.2 BC20底板原理图
 


3.0 接线
- NB AT指令usb-ttl接到NB-IOT-uart 四根线
- USART1打到485(朝右)

4.0 指令调试
4.1 NB AT指令调试
串口助手见:超级好用的SSCOM3.2串口助手 检查NB AT指令usb-ttl接到NB-IOT-uart 四根线 连接串口1,选择115200波特率,打开串口,助手操作步骤:
- 勾选发送新行
- 发送对应AT命令
- 查看串口显示
AT+CPIN?
AT+CEREG?
AT+CSQ
AT+CIMI
AT+CGPADDR=1
 
4.2 GPS AT指令调试
检查GPS AT指令usb-ttl接到NB-IOT-uart 四根线 连接串口1,选择115200波特率,打开串口,助手操作步骤:
- 勾选发送新行
- 发送对应AT命令
- 查看串口显示
ATI
AT+QGNSSC=1
AT+QGNSSC?
AT+QGNSSDB=1
AT+QGNSSRD?
AT+QGNSSRD="NMEA/RMC"

5.0 总结
上文教大家在电脑通过串口助手对BC20开发板进行AT指令的NB和GPS的硬件调试,对比两者各有优势,前者更加保密一些,后者更加简洁。后续会教大家更加奇特的操作,欢迎一键三连😂😂😂 在以后的博文中我们将分享更多生活技巧,美好生活每一天!好好学习天天向上,从而实现对外部世界进行感知,充分认识这个有机与无机的环境,科学地合理地进行创作和发挥效益,然后为人类社会发展贡献一点微薄之力。

参考文献
- 下载驱动:包含BC20USB驱动,CH341驱动,FT232驱动,ST-LINK官方驱动,万能驱动
- 串口助手见:超级好用的SSCOM3.2串口助手
|