|
一般 51单片机的外部晶振频率为 11.05926MHz(FOSC),这个频率可以让串口传输的误差为 0,但是会让定时器定时产生微小的误差。
主要原因是因为定时器一般会有一个 12T 模式,也就是主频率的 12 分频,本来定时器计一个数需要的时间为(1 / FOSC),如果在12T 模式下定时器计一个数需要的时间为(12 / FOSC),所以如果 FOSC = 12MHz 时,那么计一个数的时间即为 1us,非常好利于定时器时间片的计算。一般在 FOSC = 11.05926MHz 的情况下,我们通常会将 FOSC 看做为 12MHz。
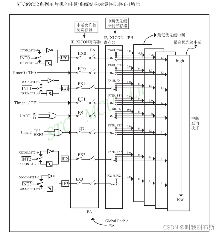
普中的 52单片机有 3个定时器和 2个外部中断,至于外部中断2和外部中断3在 PDIP40 封装没有体现。
定时器 0、1、2 都可以进行定时器中断,实现时间片的概念。一般常利于定时器 0 和定时器 1 的模式 1 用于定时,定时器2可以借助 P1.0 和 P1.1 引脚用来捕获信号。
 TMOD 寄存器的低 8 位用于配置 T0 的工作模式,高 8 位用于配置 T1 的工作模式。
TMOD = 0x01; //配置 T0 处于工作模式 1 状态
TMOD = 0x10; //配置 T1 处于工作模式 1 状态
TMOD = 0x11; //配置 T0 和 T1 均处于工作模式 1 状态
TCON 寄存器:
IT0: 等于 0 时,外部中断 0 为低电平触发;等于 1 时,外部中断 0 为负跳边沿触发。
IE0: 外部中断请求标志位,进入中断服务函数后此标志位自动清0.
TR0: 等于 1 时启动定时器 0。
TF0: 定时器0 的溢出标志位。

EA: 等于 1 开总中断
ES: 等于 1 允许串行口中断
EX0: 等于 1 允许外部中断0
ET0: 等于 1 开定时器0的中断
程序示例:
定时器 0:
#include <REGX52.H>
#include "Timer0.h"
void Timer0_Init(void)
{
TMOD &= 0xF0;
TMOD |= 0x01;
TH0 = (65536 - 1000) / 256;
TL0 = (65536 - 1000) % 256;
EA = 1;
ET0 = 1; //开定时器中断
TR0 = 1; //启动定时器0
}
void Timer0_Routine(void)interrupt 1
{
static unsigned int T0Count = 0;
TH0 = (65536 - 1000) / 256;
TL0 = (65536 - 1000) % 256;
T0Count++;
if(T0Count >= 20)
{
T0Count = 0;
}
}
外部中断 0: 对应 C51 原理图的 P3.2 引脚,刚好对应普中电路图的 KEY3,通过按下KEY3 产生负跳边沿。
#include <REGX52.H>
#include "Int0.h"
void Interrupt0_Init(void)
{
EA = 1; //开总中断
EX0 = 1; //开外部中断0
IT0 = 1; //负跳边沿触发
IE0 = 0; //清除中断标志位
}
void Interrupt0_Routine(void)interrupt 0
{
static unsigned char m_int0;
m_int0++;
}
定时器2 捕获:  
#include <REGX52.H>
#include "T2Cap.h"
unsigned int time = 0;
void T2Cap_Init(void)
{
T2CON = 0X09; //设置T2为捕获模式,下降沿则产生中断
TH2 = 0;
TL2 = 0;
EA = 1; //开总中断
ET2 = 1; //开定时器2中断
TR2 = 1; //启动定时器2
}
void T2Cap_Routine(void)interrupt 5
{
static unsigned int m_t2cnt;
if(TF2 == 1)
{
TF2 = 0;
m_t2cnt++;
}
if(EXF2 == 1)
{
EXF2 = 0;
TH2 = 0;
TL2 = 0;
time = (m_t2cnt*65536 + (RCAP2H << 8 + RCAP2L)) / 1000000;
m_t2cnt = 0;
}
}
|