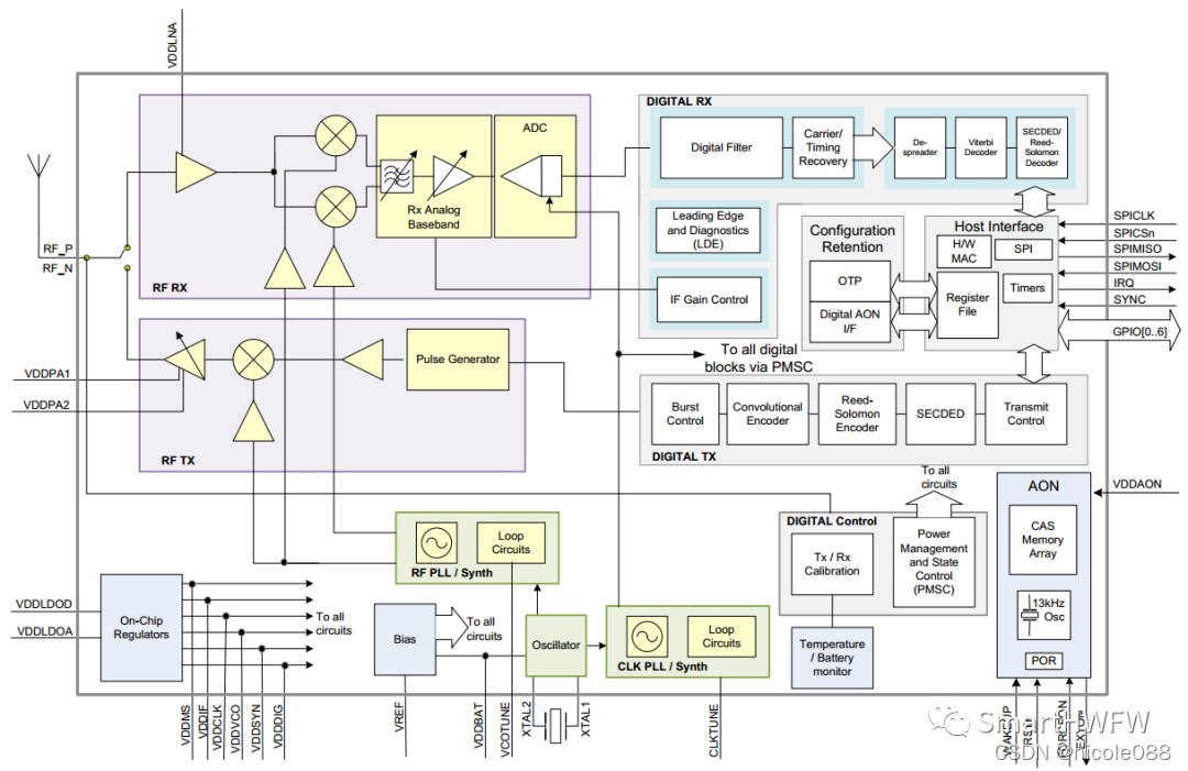
1. 功能框架

2. 引脚&接口
DW1000芯片使用QFN-48封装,引脚图如下: 
3. 主控连接接口

3.1 DW1000仅作为SPI从机
支持时钟极性 (SPIPOL=0/1) 和相位 (SPIPHA=0/1)。支持单字节和多字节读/写访问。所有字节都先传输MSB,最后传输LSB。 通过将SPICSn 置为低电平来启动传输,并在SPICSn置为高电平时终止传输。
3.2 SPI接口使用的引脚为
引脚 作用
GPIO5 配置引脚
GPIO6 配置引脚
SPICLK SPI时钟信号
SPI MISO SPI数据输出
SPI MOSI SPI数据输入
SPICSn SPI片选信号(低电平有效)
tips: DW1000 具有内部上拉和下拉电路,以确保主机接口信号断开时的安全操作。 这些仅供内部使用,不应用于将外部信号拉高或拉低。内部下拉电阻值在 34 kΩ - 90 kΩ 范围内,内部上拉电阻值在 40 kΩ - 90 kΩ 范围内。
4.电路图

4.1 中断引脚
DW1000可以配置在一个或多个事件发生时使用它的中断引脚,来通知外部控制器处理发生的事件。 中断引脚的极性可以通过系统控制寄存器(Register file: 0x0D – SystemControl Register)的HIRQ_POL位来设置。上电后默认的极性为高电平,这也是确保DW1000在睡眠和深度睡眠设备状态下的最低功率运行的推荐极性。当DW1000在睡眠或者深度睡眠的时候,中断引脚处于浮空状态,这时除非外部有下拉电阻,否则可能会触发虚假的中断。
一个在系统事件状态寄存器( Register file: 0x0F – System Event Status Register )中的事件发生后是否触发中断,这取决于在系统状态屏蔽寄存器(Register file: 0x0E – System Event Mask Register)中对应位的设置。  
默认情况下,在上电后所有可以产生中断的事件都会被屏蔽,并且中断也处于失能状态。
4.2 GPIO
DW1000 提供了8个GPIO引脚可以由用户进行独立的配置。任何一个被配置为输入的引脚的电平状态,都可以被读取并上报给控制主机通过SPI接口,当配置为输出时,控制主机也可以通过SPI接口设置其电平。 通过GPIO控制和状态寄存器( Register file: 0x26 – GPIO control and status)配置和操作: 
默认上电之后这些GPIO全部被设置为输入状态。
4.3 GPIO复用功能表:
引脚 复用功能说明
GPIO0/RXOKLED 接收到完整的数据帧时用于点亮一个LED
GPIO1/SFDLED 接收器发现SFD时点亮一个LED
GPIO2/RXLED 在接收模式时点亮一个LED
GPIO3/TXLED 在发送数据时点亮一个LED
GPIO4/EXTPA 用于使能外部电源功率放大器
GPIO5/EXTTXE/SPIPOL 上电时用于配置SPI工作模式,上电后恢复为默认GPIO引脚
GPIO6/EXTRXE/SPIPHA 上电时用于配置SPI工作模式,上电后恢复为默认GPIO引脚
GPIO8/IRQ 中断请求输出引脚
4.4 特殊控制引脚
引脚 复用功能说明
WAKEUP 输入引脚,用于从DW1000睡眠模式或者深度睡眠模式唤醒
EXTON 输出引脚,外部器件使能引脚,在DW1000工作时保持高电平
SYNC/GPIO7 SYNC同步引脚时GPIO7,这个引脚被用于外部时钟同步输入引脚
RSTn 复位引脚,低电平有效
|