|
交流电源滤波器电路图及作用分析 工程师谭军 2018-08-0930409 分享海报电源电路图539人已加入 +加入圈子
描述
本文主要介绍了关于交流电源滤波器的电路图及其作用分析,希望通过本文能让你对交流电源滤波器有更深的理解。
电源滤波器
电源滤波器,又名“电源EMI滤波器”,或是“EMI电源滤波器”,是一种无源双向网络,是一种对电源中特定频率的频点或该频点以外的频率进行有效滤除的电气设备。
电源滤波器是针对电源端口电磁骚扰的特点而设计的,一般是由电感、电容、电阻或铁氧体器件构成的频率选择性二端口网络,实际上是滤波器的一种,按照工作原理称之为反射式滤波器。它可以在滤波器阻带内提供了高的串联阻抗和低的并联阻抗,使它和噪声源的阻抗和负载阻抗严重不匹配,从而把不希望的频率分量发射回噪声源。
当我们选用电源滤波器时,应主要考虑三个方面的指标:首先是电压、电流,其次是插入损耗,最后是结构尺寸。由于滤波器内部一般是经过灌封处理的,因此环境特性不是主要问题。但是所有的灌封材料和滤波电容器的温度特性对电源滤波器的环境特性有一定的影响。
电源滤波器结构根据电源端口的电磁骚扰特点,电源EMI噪声滤波器是一种无源低通滤波器,它无衰减地将交流电传输到电源,而大大衰减随交流电传入的EMI噪声,同时又能有效地抑制电源设备产生的EMI噪声,阻止它们进入交流电网干扰其它电子设备。
电源滤波器的典型结构如下图所示,这是一种无源网络结构,对交流和直流电源都适用,具有双向抑制性能。将它插入在交流电网中与电源之间,相当于这二者的EMI噪声之间加上一个阻断屏障,这样一个简单的无源滤波器起到了双向抑制噪声的作用,从而在各种电子设备中获得广泛的应用。

图中Cx是差模电容器,一般称为X电容,电容量宜选为0.01-2.22μF,CY1和CY2是共模电容器,一般称为Y电容,电容量约为几纳法(nF)到几十纳法。C3和C4的电容量不宜选得过大,否则容易引起滤波器甚至机壳漏电的危险。L为共模扼流圈,它为同向绕在同一个铁氧体环上的一对线圈,电感量约为几毫亨(mH)。对于共模干扰电流,两个线圈产生的磁场是同方向的,共模扼流圈表现出较大的阻抗,从而起到衰减干扰信号的作用;而对于差模信号(在这里是低频电源电流),两个线圈产生的磁场抵消,所以不影响电路的电源传输功能。
电源滤波器工作原理
电源滤波器常用的滤波电路有无源滤波和有源滤波两大类。无源滤波的主要形式有电容滤波、电感滤波和复式滤波(包括倒L型、LC滤波、LCπ型滤波和RCπ型滤波等)。有源滤波的主要形式是有源RC滤波,也被称作电子滤波器。直流电中的脉动成分的大小用脉动系数S来表示,此值越大,则滤波器的滤波效果越差。
脉动系数(S)=输出电压交流分量的基波最大值/输出电压的直流分量
电源滤波器的原理就是一种阻抗适配网络:电源滤波器输入、输出侧与电源和负载侧的阻抗适配越大,对电磁干扰的衰减就越有效。
具体工作原理如下:交流电经过二极管整流之后,方向单一了,但是大小(电流强度)还是处在不断地变化之中。这种脉动直流一般是不能直接用来给无线电装供电的。要把脉动直流变成波形平滑的直流,还需要再做一番“填平取齐”的工作,这便是滤波。换句话说,滤波的任务,就是把整流器输出电压中的波动成分尽可能地减小,改造成接近恒稳的直流电。

电源滤波器结构

交流电源滤波器电路
交流电源滤波器电路图图中的100H电感、0.1F电容组成高频滤波器,用于吸收从电源线传导进来的中短波段的高频噪声干扰;图中两只对称的5mH电感是由绕在同一只铁心两侧、匝数相等的电感绕组构成的,称为共模电感,用于吸收因电源波形畸变而产生的谐波干扰;图中的压敏电阻用于吸收因雷击等引起的浪涌电压干扰。 交流电源滤波器的内部电路。

电源滤波器中的共模电感
当50Hz电流流经共模电感时,由于进线与出线产生的磁场方向相反,相互抵消,不会产生压降,但共模电感对共模干扰却有较大的感抗。

AC输入整流滤波电路
防雷电路:当有雷击,产生高压经电网导入电源时,由MOV1、MOV2、MOV3:F1、F2、F3、FDG1组成的电路进行保护。当加在压敏电阻两端的电压超过其工作电压时,其阻值降低,使高压能量消耗在压敏电阻上,若电流过大,F1、F2、F3会烧毁保护后级电路。
输入滤波电路:C1、L1、C2、C3组成的双π型滤波网络主要是对输入电源的电磁噪声及杂波信号进行抑制,防止对电源干扰,同时也防止电源本身产生的高频杂波对电网干扰。当电源开启瞬间,要对C5充电,由于瞬间电流大,加RT1(热敏电阻)就能有效的防止浪涌电流。因瞬时能量全消耗在RT1电阻上,一定时间后温度升高后RT1阻值减小(RT1是负温系数元件),这时它消耗的能量非常小,后级电路可正常工作。
整流滤波电路:交流电压经BRG1整流后,经C5滤波后得到较为纯净的直流电压。若C5容量变小,输出的交流纹波将增大。
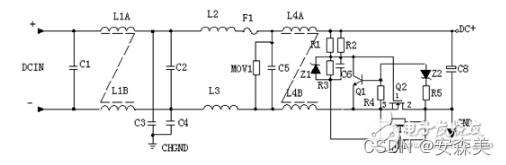
DC输入滤波电路原理


输入滤波电路:C1、L1、C2组成的双π型滤波网络主要是对输入电源的电磁噪声及杂波信号进行抑制,防止对电源干扰,同时也防止电源本身产生的高频杂波对电网干扰。C3、C4为安规电容,L2、L3为差模电感。R1、R2、R3、Z1、C6、Q1、Z2、R4、R5、Q2、RT1、C7组成抗浪涌电路。在起机的瞬间,由于C6的存在Q2不导通,电流经RT1构成回路。当C6上的电压充至Z1的稳压值时Q2导通。如果C8漏电或后级电路短路现象,在起机的瞬间电流在RT1上产生的压降增大,Q1导通使Q2没有栅极电压不导通,RT1将会在很短的时间烧毁,以保护后级电路。
分析电源滤波器电路应注意以下几点:
1)分析滤波电容工作原理时,主要利用电容器的“隔直通交”特性,或是充电与放电特性,即整流电路输出单向脉动性直流电压时对滤波电容充电,当没有单向脉动性直流电压输出时,滤波电容对负载放电。
2)分析滤波电感工作原理时,主要是认识电感器对直流电的电阻很小、无感抗作用,而对交流电存在感抗。
3)进行电子滤波器电路分析时,要知道电子滤波管基极上的电容是滤波的关键元件。另外,要进行直流电路的分析,电子滤波管有基极电流和集电极、发射极电流,流过负载的电流是电子滤波管的发射极电流,改变基极电流大小可以调节电子滤波管集电极与发射极之间的管压降,从而改变电子滤波器输出的直流电压大小。
4)电子滤波器本身没有稳压功能,但加入稳压二极管之后可以使输出的直流电压比较稳定。
结语
关于交流电源滤波器的介绍就到这里了,关于交流电源滤波器可进一步探讨的地方还有很多,篇幅所限在本文就不再赘述了,如有不足之处还望海涵。
|