|
今天记录下FT232RL的设计笔记,之前一直用CH340系列,但听说这款USB芯片更加耐用,既然准备优化我的第二代板子,那就新增一款USB芯片吧,顺便学习一下~
1、芯片的接口图

2、芯片的管脚说明

PIN15 USBDP(接micro USB 的D+)<手册说要接上拉电阻,可以接也可以不接,因为后续管脚有说明有内部上拉>
PIN16 USBDM(接micro USB 的D-)
PIN4 VCCIO(接3V3OUT)<手册说可以接3V3OUT,使得TTL电平电压为3.3V,也可以接VCC,前提VCC接5V,使得驱动5V的CMOS电平>
PIN7/18/21 GND(接地)
PIN17 3V3OUT(接100nF的滤波电容)<手册的意思就是该管脚有一个内部的LDO稳压,因此我认为VCC必须得接5V,不然如果接3V3的话没有压差,这个LDO就算是没啥作用了,并且这个管脚还提供给USBDP内部上拉>
PIN20 VCC (接5V)
PIN25 AGND(接地)

PIN8/24 NC (悬空)
PIN19 RESET# (悬空)<手册的意思是可以连接外部的设备去复位FT232,如果不使用可以悬空或者上拉到VCCIO>
PIN26 TEST (接地)<手册说明必须接到GND才能正常工作>
PIN27 OSCI (悬空)<可以接12MHz的晶振,也可以悬空>
PIN28 OSCO(悬空)
PIN1 TXD (接单片机RXD)
PIN2 DTR# (悬空)
PIN3 RTS#(悬空)
PIN5 RTD (接单片机TXD)
PIN6 RI#(悬空)
PIN9 DSR# (悬空)
PIN10 DCD#(悬空)
PIN11 CTS#(悬空)
PIN12 CBUS4(悬空)<配置内部的EEPROM>
PIN13?CBUS3(悬空)<配置内部的EEPROM>
PIN14?CBUS2(悬空)<配置内部的EEPROM>
PIN22 CBUS1(悬空)<配置内部的EEPROM>
PIN23 CBUS0(悬空)<配置内部的EEPROM>
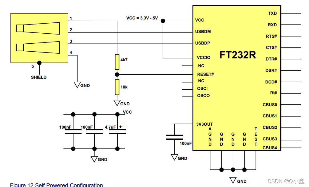
3、官方的推荐电路

?
4、我设计的电路
?
|