|
由于资源有限,人也比较懒,目前只实现了一个电机的控速,想着需要的时候,薅过去就能直接用,因为设想中是要控制俩编码器电机的,所以代码中会看到有些引脚配置了,但却没有在接线图中看到,直接忽略只看用到了的就好。
目录
大致框架
硬件资源
硬件连线
stm32资源使用情况
PID控速
代码实现
大致框架
????????????????????????
硬件资源
STM32f103c8t6最小系统板;直流减速电机;电机驱动模块L298N;12V电源;
硬件连线
元件引脚示意(实物图都网上找的):


连线图:

stm32资源使用情况
TIM1:用于定时,同时配置了中断,每20ms进入一次中断函数
TIM2:利用c1和c2两个引脚捕获电机A、B相脉冲,结合定时器1可实现PID控速
TIM4:c1~c4随便选一个引脚输出PWM直接控制电机
PID控速
PID我也是第一次用,用之前在网上找了很多参考文章,在B站也看了有关视频,得出结论:PID有位置式PID和增量式PID,因为之后要实现的小车并不能获取当前位置和目的地的距离,所以这里用增量式PID,由当前速度经PID算法获得合适的PWM。期间主要参考了这两篇文章:PID理解?、代码实现?
下面这段代码在代码里面也有,这里单独截出来:
?? ??? ??? ?s.curr_val=cnt2*50/4-cnt1*50/4;//当前电机转速(周期/s) ?? ??? ??? ?s.err=s.expect_val-s.curr_val;//本次误差 ?? ??? ??? ?p_out=s.P*(s.err-s.err_pre); ?? ??? ??? ?i_out=s.I*s.err; ?? ??? ??? ?d_out=s.D*(s.err-2*s.err_pre+s.err_pre_pre);//参量D这里其实没有用到,一直是0 ?? ??? ??? ?pwm+=p_out+i_out+d_out; ?? ??? ??? ?s.err_pre_pre=s.err_pre;//保存上上次误差 ?? ??? ??? ?s.err_pre=s.err;//保存上次误差
当前速度(单位:周期/s)计算思路:
图1:
??????????????????????????????? ?
图2:

?
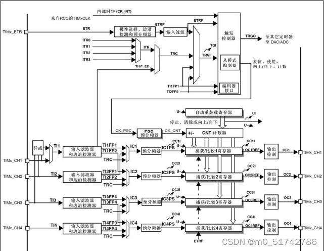
电机转动时,结合编码器会在A、B相分别输出脉冲(如上图1),如果时间间隔足够短并且周期不发生突变的话,我们可以认为A、B两相都是周期固定的波形,TIM2的c1和c2两脚获取A、B相的波形,在不用知道电机转动方向的前提下可以只使用一相,假设c1脚每捕获到一个上升沿,CNT就加一(图2可以看到编码器接口的时钟来自TIMx_CH1和TIMx_CH2),那么在固定的时间间隔内(由TIM1计时提供),可以得出该段时间内电机编码器输出了多少个上升沿(周期),即电机转动速度。具体计算在代码里面有。
代码实现
#include "stm32f10x.h" // Device header
#include "Delay.h"
#include "usart.h"
void rcc_config(void);
void direction_GPIO_init(void);
void timer_catch_init(void);//TIM2/3
void timer_PWM_init(void);//TIM4
void timer_init_2(void);//TIM1:计时
void exti_init(void);//EXTI2/3(还没有实际用过,忽略就好)
void NVIC_config(void);
void forward(u16 speed);
void right(u16 speed);
typedef struct
{
float P;
float I;
float D;
float expect_val;//期望值(每秒多少个脉冲)
float curr_val;//当前值(每秒多少个脉冲)
float err_pre;//上一次的误差
float err_pre_pre;//上上次的误差
float err;//当前值和期望值误差
}PID;
PID s;
float pwm=0;
//PID结构体初始化,P、I、D三个值都要根据实际情况慢慢调
void PID_Init(void)
{
s.P=1;
s.I=0.2;//0.2
s.D=0;
s.err_pre=0;
s.err_pre_pre=0;
s.err=0;
s.curr_val=0;
s.expect_val=800;
}
int main()
{
PID_Init();
// USART_config();
rcc_config();
direction_GPIO_init();
timer_catch_init();
timer_PWM_init();
timer_init_2();
// exti_init();
NVIC_config();
while(1)
{
if(pwm>=1000)
pwm=999;
else if(pwm<=0)
pwm=0;
forward((u16)pwm);
}
}
void rcc_config(void)
{
RCC_APB1PeriphClockCmd(RCC_APB1Periph_TIM2|RCC_APB1Periph_TIM3,ENABLE);
RCC_APB2PeriphClockCmd(RCC_APB2Periph_GPIOA|RCC_APB2Periph_GPIOB,ENABLE);
RCC_APB1PeriphClockCmd(RCC_APB1Periph_TIM4,ENABLE);
RCC_APB2PeriphClockCmd(RCC_APB2Periph_AFIO|RCC_APB2Periph_TIM1,ENABLE);
}
void direction_GPIO_init(void)
{
GPIO_InitTypeDef gpio_structure;
gpio_structure.GPIO_Mode=GPIO_Mode_Out_PP;
gpio_structure.GPIO_Pin=GPIO_Pin_11|GPIO_Pin_12|GPIO_Pin_10|GPIO_Pin_15;
gpio_structure.GPIO_Speed=GPIO_Speed_50MHz;
GPIO_Init(GPIOA,&gpio_structure);
GPIO_ResetBits(GPIOA,GPIO_Pin_11|GPIO_Pin_12|GPIO_Pin_10|GPIO_Pin_15);
}
void timer_catch_init(void)
{
/*---GPIO口配置---*/
//TIM2_CH1--PA0 TIM2_CH2--PA1 TIM3_CH1--PA6 TIM3_CH2--PA7
GPIO_InitTypeDef gpio_structure;
gpio_structure.GPIO_Mode=GPIO_Mode_IN_FLOATING;//浮空输入
gpio_structure.GPIO_Pin=GPIO_Pin_0|GPIO_Pin_1|GPIO_Pin_6|GPIO_Pin_7;
gpio_structure.GPIO_Speed=GPIO_Speed_50MHz;
GPIO_Init(GPIOA,&gpio_structure);
/*---TIM配置---*/
//-----时基单元初始化------
TIM_TimeBaseInitTypeDef TIM_TimeBaseStruct;
TIM_TimeBaseStruct.TIM_Prescaler=1-1;//预分频器
TIM_TimeBaseStruct.TIM_Period=65536-1;//自动重装载寄存器
TIM_TimeBaseStruct.TIM_ClockDivision=0;
TIM_TimeBaseStruct.TIM_CounterMode=TIM_CounterMode_Up;
TIM_TimeBaseInit(TIM2,&TIM_TimeBaseStruct);
TIM_TimeBaseInit(TIM3,&TIM_TimeBaseStruct);
//编码器模式(同时也选择了时钟来源)
TIM_EncoderInterfaceConfig(TIM2,TIM_EncoderMode_TI12,
TIM_ICPolarity_BothEdge,
TIM_ICPolarity_BothEdge);
TIM_EncoderInterfaceConfig(TIM3,TIM_EncoderMode_TI12,
TIM_ICPolarity_BothEdge,
TIM_ICPolarity_BothEdge);
//-----输入捕获-----
TIM_ICInitTypeDef TIM_ICInitStruct;
TIM_ICInitStruct.TIM_Channel = TIM_Channel_1|TIM_Channel_2;
TIM_ICInitStruct.TIM_ICPolarity = TIM_ICPolarity_BothEdge;
TIM_ICInitStruct.TIM_ICSelection = TIM_ICSelection_DirectTI;
TIM_ICInitStruct.TIM_ICPrescaler = TIM_ICPSC_DIV1;
TIM_ICInitStruct.TIM_ICFilter = 0x00;
//TIM_ICStructInit(&TIM_ICInitStruct);
TIM_ICInit(TIM2,&TIM_ICInitStruct);
TIM_ICInit(TIM3,&TIM_ICInitStruct);
TIM_Cmd(TIM2,ENABLE);//使能定时器2
TIM_Cmd(TIM3,ENABLE);//使能定时器3
}
void timer_PWM_init(void)
{
GPIO_InitTypeDef gpio_structure;
/*---GPIO配置---*/
gpio_structure.GPIO_Mode=GPIO_Mode_AF_PP;//推挽输出
gpio_structure.GPIO_Pin=GPIO_Pin_6|GPIO_Pin_7|GPIO_Pin_8|GPIO_Pin_9;
gpio_structure.GPIO_Speed=GPIO_Speed_50MHz;
GPIO_Init(GPIOB,&gpio_structure);
//初始为低电平
GPIO_SetBits(GPIOB,GPIO_Pin_6|GPIO_Pin_7|GPIO_Pin_8|GPIO_Pin_9);
TIM_InternalClockConfig(TIM4);//选择内部时钟(1、时钟选择)
//-----时基单元初始化------
TIM_TimeBaseInitTypeDef TIM_TimeBaseStruct;
TIM_TimeBaseStruct.TIM_Prescaler=360-1;//预分频器 5ms
TIM_TimeBaseStruct.TIM_Period=1000-1;
TIM_TimeBaseStruct.TIM_ClockDivision=0;
TIM_TimeBaseStruct.TIM_CounterMode=TIM_CounterMode_Up;
TIM_TimeBaseInit(TIM4,&TIM_TimeBaseStruct);
//-----输出比较-----
TIM_OCInitTypeDef TIM_OCStruct;
TIM_OCStruct.TIM_OCMode=TIM_OCMode_PWM1;
TIM_OCStruct.TIM_OCPolarity=TIM_OCPolarity_High;
TIM_OCStruct.TIM_OutputState=TIM_OutputState_Enable;
TIM_OCStruct.TIM_Pulse=0;//TIM_Pulse/(TIM_Period+1)=占空比
//初始化外设TIM2通道
TIM_OC1Init(TIM4,&TIM_OCStruct);
TIM_OC2Init(TIM4,&TIM_OCStruct);
TIM_OC3Init(TIM4,&TIM_OCStruct);
TIM_OC4Init(TIM4,&TIM_OCStruct);
TIM_Cmd(TIM4,ENABLE);//使能定时器4
}
void timer_init_2(void)
{
TIM_InternalClockConfig(TIM1);//选择内部时钟(1、时钟选择)
//-----时基单元初始化------
TIM_TimeBaseInitTypeDef TIM_TimeBaseStruct;
TIM_TimeBaseStruct.TIM_Prescaler=1000-1;//预分频器
TIM_TimeBaseStruct.TIM_Period=1440-1;//100ms
TIM_TimeBaseStruct.TIM_ClockDivision=TIM_CKD_DIV1;
TIM_TimeBaseStruct.TIM_CounterMode=TIM_CounterMode_Up;
TIM_TimeBaseStruct.TIM_RepetitionCounter=0;
TIM_TimeBaseInit(TIM1,&TIM_TimeBaseStruct);
TIM_ClearFlag(TIM1,TIM_FLAG_Update);
TIM_ITConfig(TIM1,TIM_IT_Update,ENABLE);
TIM_Cmd(TIM1,ENABLE);
}
void exti_init()
{
//2、配置GPIO
//--PA2、PA3--
GPIO_InitTypeDef gpio_struct;
gpio_struct.GPIO_Mode=GPIO_Mode_IN_FLOATING;//查看手册可得
gpio_struct.GPIO_Pin=GPIO_Pin_3|GPIO_Pin_2;
gpio_struct.GPIO_Speed=GPIO_Speed_50MHz;
GPIO_Init(GPIOA,&gpio_struct);
//3、配置AFIO
GPIO_EXTILineConfig(GPIO_PortSourceGPIOA,GPIO_PinSource2);
GPIO_EXTILineConfig(GPIO_PortSourceGPIOA,GPIO_PinSource3);
//4、配置EXTI
EXTI_InitTypeDef exti_struct;
exti_struct.EXTI_Line=EXTI_Line2;
exti_struct.EXTI_LineCmd=ENABLE;
exti_struct.EXTI_Mode=EXTI_Mode_Interrupt;//中断模式
exti_struct.EXTI_Trigger=EXTI_Trigger_Rising;//上升沿触发
EXTI_Init(&exti_struct);
exti_struct.EXTI_Line=EXTI_Line3;
EXTI_Init(&exti_struct);
}
void NVIC_config(void)
{
NVIC_PriorityGroupConfig(NVIC_PriorityGroup_2);//分组方式
NVIC_InitTypeDef nvic_struct;
nvic_struct.NVIC_IRQChannel=EXTI2_IRQn;
nvic_struct.NVIC_IRQChannelCmd=ENABLE;
nvic_struct.NVIC_IRQChannelPreemptionPriority=1;
nvic_struct.NVIC_IRQChannelSubPriority=1;
NVIC_Init(&nvic_struct);
nvic_struct.NVIC_IRQChannel=EXTI3_IRQn;
nvic_struct.NVIC_IRQChannelCmd=ENABLE;
nvic_struct.NVIC_IRQChannelPreemptionPriority=1;
nvic_struct.NVIC_IRQChannelSubPriority=1;
NVIC_Init(&nvic_struct);
nvic_struct.NVIC_IRQChannel=TIM1_UP_IRQn;
nvic_struct.NVIC_IRQChannelCmd=ENABLE;
nvic_struct.NVIC_IRQChannelPreemptionPriority=1;
nvic_struct.NVIC_IRQChannelSubPriority=1;
NVIC_Init(&nvic_struct);
}
void forward(u16 speed)
{
/*****/
TIM_SetCompare1(TIM4,speed);
GPIO_SetBits(GPIOA,GPIO_Pin_10);
GPIO_ResetBits(GPIOA,GPIO_Pin_11);
}
void right(u16 speed)
{
/*****/
}
/*************中断函数***********************/
//每20ms进一次中断
float cnt1=-1,cnt2=-1;
u8 flag=1;
float p_out=0,i_out=0,d_out=0;
u8 times=0;
void TIM1_UP_IRQHandler(void)
{
if(TIM_GetITStatus(TIM1,TIM_IT_Update)==SET)
{
if(flag==1)
{
flag=2;
cnt1=TIM_GetCounter(TIM2);
}
else
{
flag=1;
cnt2=TIM_GetCounter(TIM2);
}
if(flag==1 && cnt1!=-1 && cnt2!=-1)
{
if(cnt2<cnt1)
cnt2=65535+cnt2;
s.curr_val=cnt2*50/4-cnt1*50/4;//当前电机转速(周期/s)
s.err=s.expect_val-s.curr_val;//本次误差
p_out=s.P*(s.err-s.err_pre);
i_out=s.I*s.err;
d_out=s.D*(s.err-2*s.err_pre+s.err_pre_pre);//参量D这里其实没有用到,一直是0
pwm+=p_out+i_out+d_out;
s.err_pre_pre=s.err_pre;//保存上上次误差
s.err_pre=s.err;//保存上次误差
}
TIM_ClearITPendingBit(TIM1,TIM_IT_Update);
}
}
期间踩过的坑:
1、在测试阶段,发现L298N不能成功驱动电机(在电路连接正确和电源条件满足的情况),后来发现,L298N的5V和GND引脚需要引出来给别的器件供电才能正常驱动电机(到底为啥也不知道)
2、PID调参:看了很多相关文章都说PID三个参数的调试顺序为P、I、D,后来发现这应该只是针对位置式PID,仔细看看,会发现增量式PID的I项和位置式PID的P项要乘的东西是一样的,所以在增量式PID中,可以先尝试调I项。
|