1 AK协议定义
2 如何测量AK信号
3 AK帧结构
4 AK帧解析
4.1速度脉冲
4.2数据段
5 AK协议两种运行状态
5.1低速状态:
5.2高速运行
1 AK协议定义
????????AK协议是一种轮速传感器(WSS)和电子控制单元(ECU)的标准接口,用于数据信号的传输。传感器产生的信号经过信号调制单元处理,产生速度信号和数据信号。
2 如何测量AK信号
????????AK信号是通过改变电流的大小来传输数据,电流分为三级。
高等级电流(I_CCH,HIGH-level supply current),一般取28mA,用于速度脉冲;
中等级电流(I_CCM,MID-level supply current),一般取14mA,用于数据协议位;
低等级电流(I_CCL,LOW-level supply current),一般取7mA,表示信号中的低电平。
????????所以只需要测量电流的大小即可,一般情况下,需要准备一台示波器+一个电流钳即可。
3 AK帧结构
????????????????
????????一帧AK信号包含速度脉冲(speed pulse)和数据协议位(data protocol bits),对应着速度信号和数据信号。
????????每一个速度脉冲表示传感器过一次齿,根据相邻两个速度脉冲的时间间隔(齿间隙)可以算出轮速。
????????数据协议位表示其他附加信息,比如旋转方向、场幅度(field amplitude)等内容。
4 AK帧解析
4.1速度脉冲
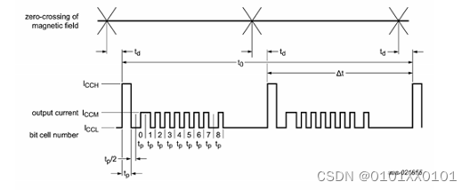
????????当传感器检测到过齿,延时t_d(70~121us)后输出一个速度脉冲,脉冲宽度为t_p(通常为50us)。速度脉冲后面是数据协议位,最多有9个的数据单元。每个数据单元表示1位数据,所占时长为t_p。在速度脉冲和数据协议位的第一个数据单元之间存在t_p/2的时间间隔。
4.2数据段
????????一帧数据内,数据段的波形,若检测到电流上升沿则表示数据1,电流下降沿表示数据0。若不存在电流边沿,则该位数据无效。数据段每个位的定义如下:
5 AK协议两种运行状态
????????根据输入信号的频率不同,AK信号分两种状态:低速运行和高速运行。
5.1低速状态:
????????当输入信号频率较低,距离上次检测到过齿信号的时间已超过T_stop(通常为150ms),则将信号重新发送一遍,但速度脉冲用电流大小为I_CCM的人工速度脉冲代替。
????????若T_stop后依然未检测到过零输入信号,继续重复发送。如果在1秒内没有检测到过齿信号,或相关迟滞电平在250毫秒内没有通过,系统进入低速模式,协议数据位中的模式位(M)由0变为1。
????????重复发送信号时,若一帧信号还没发送完时检测到了过齿信号输入,则发送新速度脉冲之前终止重复传输。因存在延时t_d,所以在检测到过齿信号后正在发送的数据单元(不是数据帧,只是当前的一个位)可以正常发送完毕,并且发送新速度脉冲前存在至少t_p/2的时间间隔。如图所示。
????????????????
5.2高速运行
????????当输入信号的频率很高时,速度脉冲后面的9个数据单元并不一定会全部发送,但正在发送的数据单元都可以正常发送完毕,而且每帧数据一定存在一个速度脉冲。这种运行状态和低速运行中重复发送信号的终止方式一致。