|

基尔霍夫定律
第一定律
基尔霍夫第一定律又称基尔霍夫电流定律,简记为KCL,是电流的连续性在集总参数电路上的体现,其物理背景是电荷守恒公理。 基尔霍夫电流定律是确定电路中任意节点处各支路电流之间关系的定律,因此又称为节点电流定律,它的内容为:在任一瞬时,流向某一节点的电流之和恒等于由该节点流出的电流之和,或者,更详细描述,假设进入某节点的电流为正值,离开这节点的电流为负值,则所有涉及这节点的电流的代数和等于零。
第二定律
基尔霍夫第二定律又称基尔霍夫电压定律,简记为KVL,是电场为位场时电位的单值性在集总参数电路上的体现,其物理背景是能量守恒。 基尔霍夫电压定律是确定电路中任意回路内各电压之间关系的定律,因此又称为回路电压定律,它的内容为:在任一瞬间,沿电路中的任一回路绕行一周,在该回路上电动势之和恒等于各电阻上的电压降之和
应用
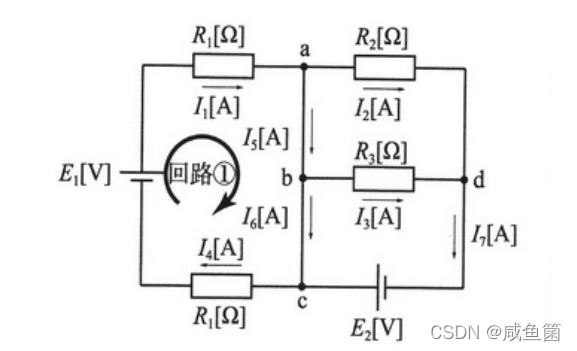
以下图为例:求a电的电流  根据基尔霍夫第一定律:在任一瞬时,流向某一节点的电流之和恒等于由该节点流出的电流之和。可知 I1=I5+I2  同理,b点的电流为I5流入I3和I6流出所以 b点电流为I5=I3+I6
那么求一下电压吧。只看左半边。回路1方向为正,左半边只有2个电阻 R1和R4
 根据第二定律,在任一瞬间,沿电路中的任一回路绕行一周,在该回路上电动势之和恒等于各电阻上的电压降之和 E1=I1R1+I4R4
习题
来考验一下自己学会了没吧
 推吧,首先A点的电流为I1+I2=I3 《1》 回路1中的电流方向是反的,所以E1-E2=I1R1-I2R2 《2》 回路2中的电流方向是正的,所以E2=I2R2+I3R3 《3》
OK 关系用基尔霍夫定律找出来了,剩下代数了。
2I2+5I3 =120 带入《3》(4) I1 =2I2 -10 带入《2》(5) 2I2+5(I1+I2)=120 因为《1》带入《3》 7I2+5I1=120 (6) 带入(5) 7I2+5(2I2 -10 )=120 17I2-50=120 I2=10 I1 =2*(10)-10 =10 I3=I1+I2=10+10=20
得出I1=10A I2=10A I3=20A
 注意:这种没有输出电流的可以记为I1+I2+I3=0
参考资料
- 《欧姆社——电气电路》
- 百度百科《基尔霍夫定律》
|