MPU6050简介
MPU-6000(6050)为全球首例整合性6轴运动处理组件,相较于多组件方案,免除了组合陀螺仪与加速器时间轴之差的问题,减少了大量的封装空间。当连接到三轴磁强计时,MPU-60X0提供完整的9轴运动融合输出到其主I2C或SPI端口(SPI仅在MPU-6000上可用)。
寄存器查询表格
| 寄存器地址 | 寄存器内容 |
|---|
| 0X3B | X轴加速度测量值高位 | | 0X3C | X轴加速度测量值低位 | | 0X3D | Y轴加速度测量值高位 | | 0X3E | Y轴加速度测量值低位 | | 0X3F | Z轴加速度测量值高位 | | 0X40 | Z轴加速度测量值低位 | | 0X41 | 温度测量值高位 | | 0X42 | 温度测量值低位 | | 0X43 | X轴角度测量值高位 | | 0X34 | X轴角度测量值低位 | | 0X45 | Y轴角度测量值高位 | | 0X46 | Y轴角度测量值低位 | | 0X47 | Z轴角度测量值高位 | | 0X48 | Z轴角度测量值低位 | | 0X6B | 电源管理,典型值:0x00(正常启用) |
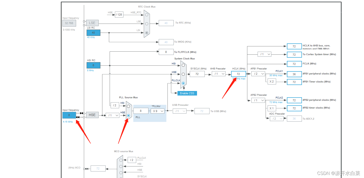
STM32CubeMx配置
配置使用外部高速时钟  配置调试方式  配置I2C,这里只需要选择I2C即可其余配置默认,记住自己选择的I2C引脚。  配置时钟 
生成工程  
代码文件
mpu6050.h文件
#ifndef __MPU6050_H
#define __MPU6050_H
#include "main.h"
#define SMPLRT_DIV 0x19
#define CONFIG 0x1A
#define GYRO_CONFIG 0x1B
#define ACCEL_CONFIG 0x1C
#define ACCEL_XOUT_H 0x3B
#define ACCEL_XOUT_L 0x3C
#define ACCEL_YOUT_H 0x3D
#define ACCEL_YOUT_L 0x3E
#define ACCEL_ZOUT_H 0x3F
#define ACCEL_ZOUT_L 0x40
#define TEMP_OUT_H 0x41
#define TEMP_OUT_L 0x42
#define GYRO_XOUT_H 0x43
#define GYRO_XOUT_L 0x44
#define GYRO_YOUT_H 0x45
#define GYRO_YOUT_L 0x46
#define GYRO_ZOUT_H 0x47
#define GYRO_ZOUT_L 0x48
#define PWR_MGMT_1 0x6B
#define WHO_AM_I 0x75
#define MPU6050_ADDR 0xD0
typedef struct{
float Accel_X;
float Accel_Y;
float Accel_Z;
float Gyro_X;
float Gyro_Y;
float Gyro_Z;
float Temp;
}MPU6050DATATYPE;
extern MPU6050DATATYPE Mpu6050_Data;
extern I2C_HandleTypeDef hi2c1;
extern I2C_HandleTypeDef hi2c2;
int16_t Sensor_I2C2_Serch(void);
int8_t MPU6050_Init(int16_t Addr);
int8_t Sensor_I2C2_ReadOneByte(uint16_t DevAddr, uint16_t MemAddr, uint8_t *oData);
int8_t Sensor_I2C2_WriteOneByte(uint16_t DevAddr, uint16_t MemAddr, uint8_t *iData);
void MPU6050_Read_Accel(void);
void MPU6050_Read_Gyro(void);
void MPU6050_Read_Temp(void);
#endif
mpu6050.c文件
#include "mpu6050.h"
static int16_t Mpu6050Addr = 0xD0;
MPU6050DATATYPE Mpu6050_Data;
int8_t Sensor_I2C2_Read(uint16_t DevAddr, uint16_t MemAddr, uint8_t *oData, uint8_t DataLen)
{
return HAL_I2C_Mem_Read(&hi2c2,DevAddr,MemAddr,1,oData,DataLen,1000);
}
int8_t Sensor_I2C2_Write(uint16_t DevAddr, uint16_t MemAddr, uint8_t *iData, uint8_t DataLen)
{
return HAL_I2C_Mem_Write(&hi2c2,DevAddr,MemAddr,1,iData,DataLen,1000);
}
int16_t Sensor_I2C2_Serch(void)
{
for(uint8_t i = 1; i < 255; i++)
{
if(HAL_I2C_IsDeviceReady(&hi2c2, i, 1, 1000) == HAL_OK)
{
Mpu6050Addr = i;
return i;
}
}
return 0xD1;
}
int8_t MPU6050_Init(int16_t Addr)
{
uint8_t check;
HAL_I2C_Mem_Read(&hi2c2,Addr,WHO_AM_I,1,&check,1,1000);
if(check == 0x98)
{
check = 0x00;
Sensor_I2C2_Write(Addr,PWR_MGMT_1,&check, 1);
check = 0x07;
Sensor_I2C2_Write(Addr,SMPLRT_DIV,&check, 1);
check = 0x00;
Sensor_I2C2_Write(Addr,ACCEL_CONFIG,&check, 1);
check = 0x00;
Sensor_I2C2_Write(Addr,GYRO_CONFIG,&check, 1);
return 0;
}
return -1;
}
void MPU6050_Read_Accel(void)
{
uint8_t Read_Buf[6];
Sensor_I2C2_Read(Mpu6050Addr, ACCEL_XOUT_H, Read_Buf, 6);
Mpu6050_Data.Accel_X = (int16_t)(Read_Buf[0] << 8 | Read_Buf[1]);
Mpu6050_Data.Accel_Y = (int16_t)(Read_Buf[2] << 8 | Read_Buf[3]);
Mpu6050_Data.Accel_Z = (int16_t)(Read_Buf[4] << 8 | Read_Buf[5]);
Mpu6050_Data.Accel_X = Mpu6050_Data.Accel_X / 16384.0f;
Mpu6050_Data.Accel_Y = Mpu6050_Data.Accel_Y / 16384.0f;
Mpu6050_Data.Accel_Z = Mpu6050_Data.Accel_Z / 16384.0f;
}
void MPU6050_Read_Gyro(void)
{
uint8_t Read_Buf[6];
Sensor_I2C2_Read(Mpu6050Addr, GYRO_XOUT_H, Read_Buf, 6);
Mpu6050_Data.Gyro_X = (int16_t)(Read_Buf[0] << 8 | Read_Buf[1]);
Mpu6050_Data.Gyro_Y = (int16_t)(Read_Buf[2] << 8 | Read_Buf[3]);
Mpu6050_Data.Gyro_Z = (int16_t)(Read_Buf[4] << 8 | Read_Buf[5]);
Mpu6050_Data.Gyro_X = Mpu6050_Data.Gyro_X / 131.0f;
Mpu6050_Data.Gyro_Y = Mpu6050_Data.Gyro_Y / 131.0f;
Mpu6050_Data.Gyro_Z = Mpu6050_Data.Gyro_Z / 131.0f;
}
void MPU6050_Read_Temp(void)
{
uint8_t Read_Buf[2];
Sensor_I2C2_Read(Mpu6050Addr, TEMP_OUT_H, Read_Buf, 2);
Mpu6050_Data.Temp = (int16_t)(Read_Buf[0] << 8 | Read_Buf[1]);
Mpu6050_Data.Temp = 36.53f + (Mpu6050_Data.Temp / 340.0f);
}
main.c文件
MPU6050_Init(Sensor_I2C2_Serch());
while(1)
{
HAL_Delay(500);
MPU6050_Read_Accel();
MPU6050_Read_Gyro();
MPU6050_Read_Temp();
}
总结
MPU6050的数据的读取非常的简单,但是这个数据还无法直接使用,这里我只是用来联系I2C的读取,对于六轴的算法还有很多,可以转移到别的博主文章进行学习参考。
|