功能
记忆输入脉冲的个数。
应用
用于计数、分频、定时、产生节拍脉冲等。
种类
按时钟分:
同步(触发器都受同一时钟脉冲的控制,触发器的翻转是同时的,故被称为“同步计数器”。)、
异步(触发器的翻转有先有后,不是同时发生的,故被称为“异步计数器”)
数字增减:加法、减法、可逆 计数容量:二进制、十进制、任意进制 数字编码:二进制、二-十进制、循环码…
同步计数器
同步二进制计数器(控制输入端T)
原理:根据二进制加法运算规则可知,在多位二进制数末位加1,若第i位以下皆为1时,则第i位应翻转。由此得出规律,若用T触发器构成计数器,则第i位触发器输入端Ti的逻辑式应为:  由JK触发器组成的T触发器。     1.其实,由时序图也可以看出,Q0、Q1、Q2、Q3输出的脉冲频率依次为1/2f0 1/4f0 1/8f0 1/16f0 也就是说,它可以实现分频功能,我们称其为分频器。
2.每输入16个脉冲计数器实现一次工作循环,并在Q3产生一个进位信号。 称为16进制计数器。
扩展
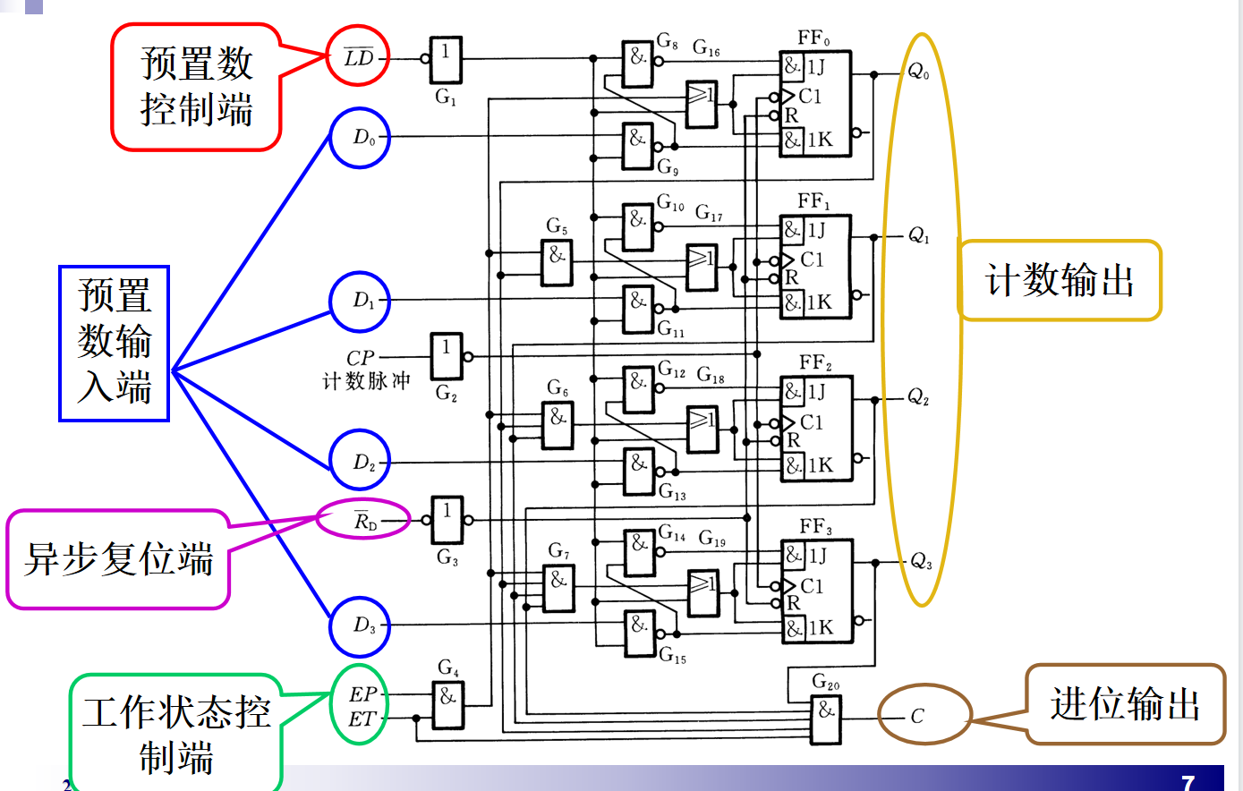
但在实际生产的计数器芯片中,往往会加入一些控制电路。  这个电路除了二进制加法计数功能,还有预置数、保持和异步置0功能  置数是指预置数,在计数器的使用中,有时候需要预先设定为一个值,然后让计数器从这个值开始跑,这就是(预)置数。
预置数是动宾结构把输出数给置成准备开始计数的初始数的意思;预置数状态是指输出Q和由输入D决定(计数器时Q和D的值一样)。输出由输入决定在组合逻辑电路中没错,但在时序电路中就要小心了,时序电路中有很多状态控制端常常可以封锁输入让输入不起作用的,这时候输出就不是由输入决定了。比如计数器不在预置数状态时是来一次技术脉冲输出加1,和输入端D没关系;只有当在预置数状态输出端Q才由D决定(此时Q和D的值一样)。   
此外,有些 同步计数器采用同步置0方式,此时,RD‘出现低电平后要等下一个CLK时钟信号到来后才能将触发器置0。
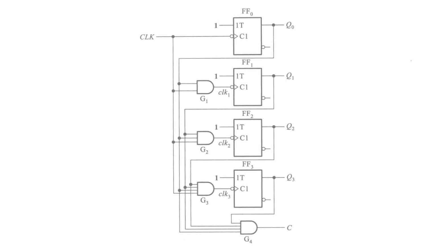
同步二进制计数器(控制时钟信号)
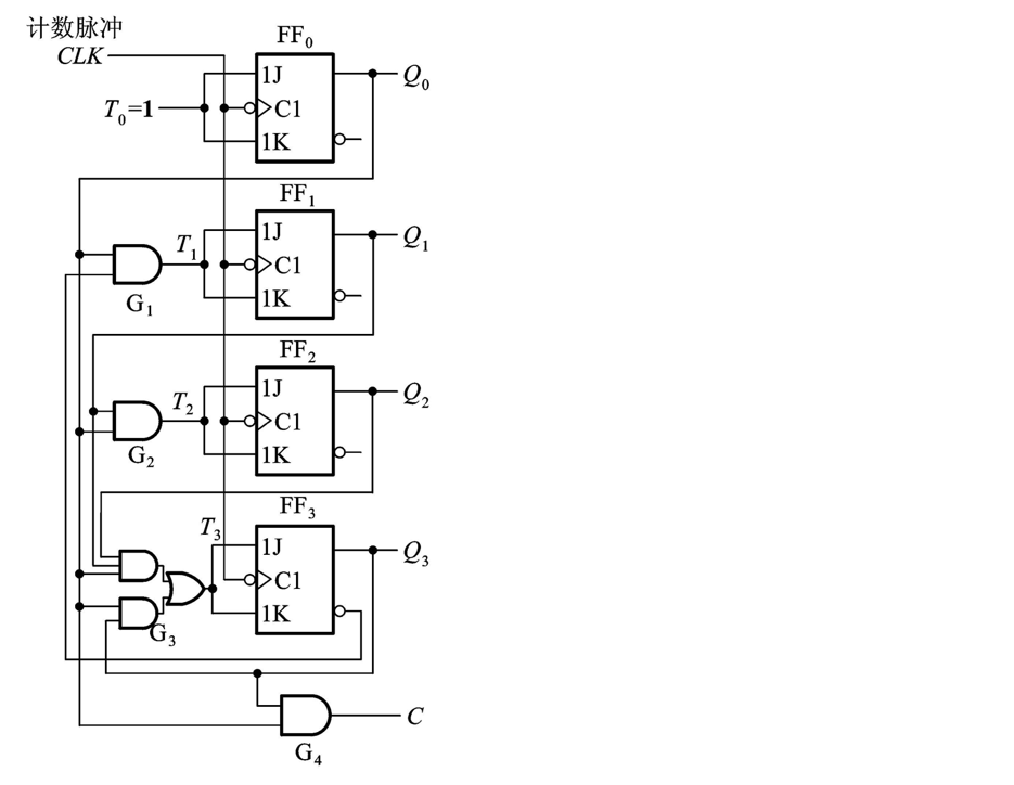
 由T触发器构成的4位同步二进制计数器,每个触发端的输入端恒为1,则只要Cl端每加一个时钟脉冲,则触发器就要翻转一次。由图可见,除FF0外,只有低位触发器全为1时,CLK才能通过G1G2G3进入触发器输入端。 
同步二进制减法计数器
 其中的T触发器是由JK接在一起实现,前面也讲过如何通过JK触发器改造各种触发器的原理。  
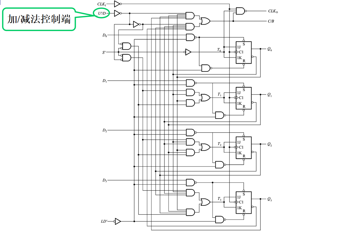
同步加减法计数器
单时钟结构
在某些场合,既要求能递增计数,又要求能递减计数。    LD’=0,电路处于预置数状态,D0~D3数据被置入触发器中,而不受时钟信号的控制。因此,它的预置数是异步式的。  
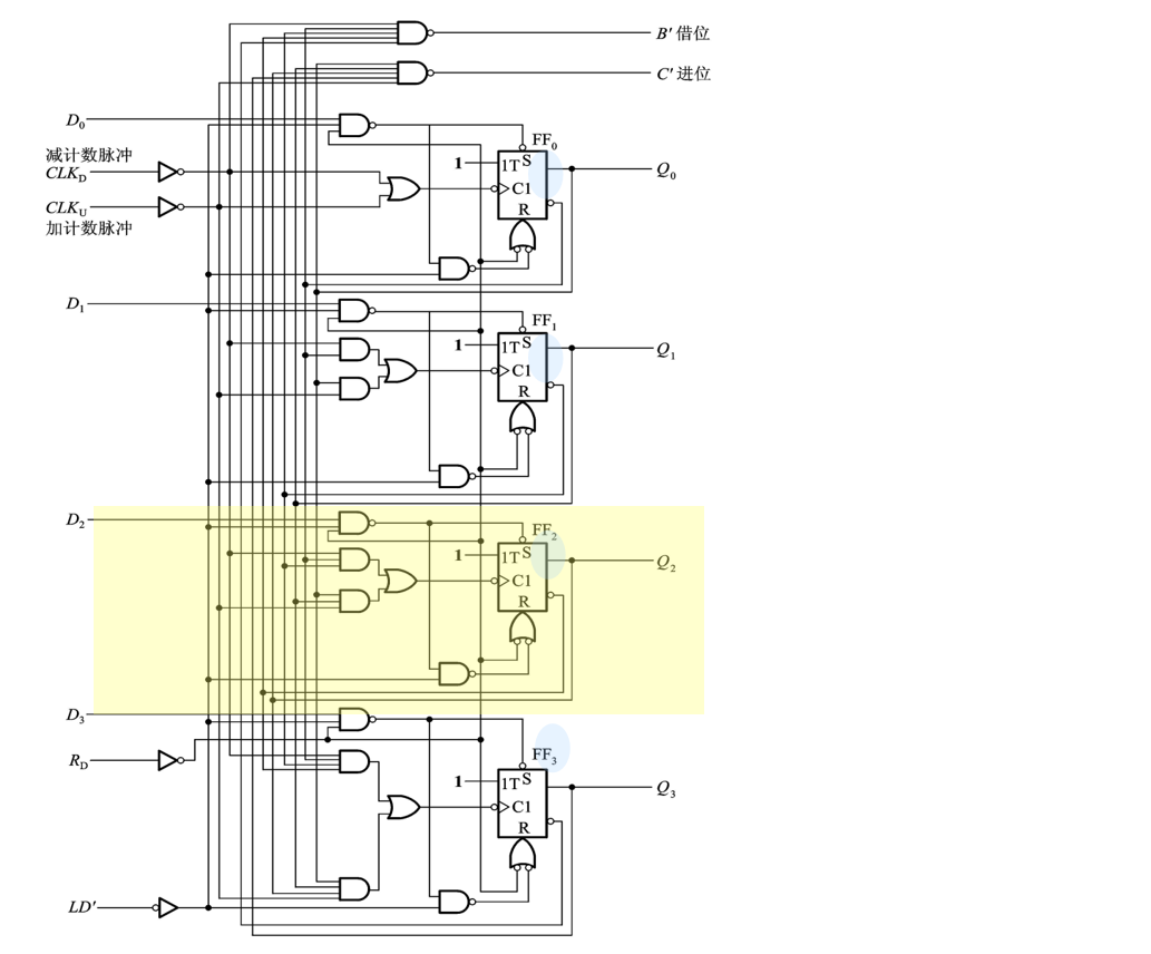
双时钟方式
意思是加法计数脉冲和减法计数脉冲来自两个不同的时钟源。 4个触发器均工作在T=1状态,只要有时钟信号加在触发器上就翻转。 CLKU有脉冲输入,做加法计数; CLKD有脉冲输入,做减法计数。 但加在两端的计数脉冲时间应该错开。 
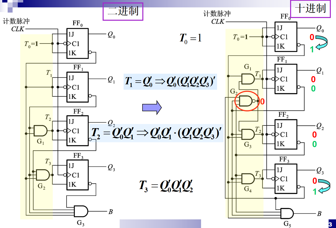
同步十进制加法计数器
我们想让他实现的任务是:在四位二进制计数器基础上修改,当计到1001时,则下一个CLK电路状态回到0000。      在实际应用中,增加了同步预置数、异步置零、保持功能。 
同步十进制减法计数器
对二进制减法计数器进行修改,在0000时减“1”后跳变为1001,然后按二进制减法计数就行了。
为了实现从Q3Q2Q1Q0= 0000状态减1 后跳变成1001 状态, 在电路处于全0 状态时用与非门G2 输出的低电平将与门G1 和G3 封锁, T1=T2=0。于是当计数脉冲到达后FFO 和FF3 翻成1 , 而FFI 和FF2 维持0 不变。  

|