前言:资料准备
1、芯片数据手册  2、中文参考手册  3、原理图 
一、芯片有哪些资源
 1、官网在线选型工具https://www.stmcu.com.cn/Product/pro_detail/STM32F1/product 刚刚开始可能不知道具体的Flash和Internal RAM 的大小,但是可以大概知道需要多少定时器、ADC/DAC、I/O口,可以根据自己需要勾选下面框里面的具体信息,会有合适的芯片推荐。  详细介绍一下STM32F103RTC6的内部资源 1、内核 32位高性能ARM Cortex-M3处理器 始终高达72M,实际使用还可以超频一点点 单周期乘法和硬件除法 2、I/O口 STM32F103RCT6you64个引脚,51个I/O口,其中大部分的I/O口都耐5V(模拟通道除外),支持SWD和JTAG调试,其中SWD只需要2根数据线 3、存储器容量: STM32F10RTC6:256K FLASH,48K SRAM 注释:PIN to PIN 兼容,大多是引脚一样的芯片都是兼容的。 4、时钟、复位和电源管理 5、低功耗: 有睡眠,停止和待机三种低功耗模式 可用电池为RTC和备份寄存器供电 6、AD(模拟信号转换为数字信号): 3个12位AD【多达21个外部测量通道】 转换范围:0-3.6V(电源电压) 内部通道可用用于内部温度检测 内置参考电压 7、DA(数字信号转换为模拟信号) 2个12位DA 8、DMA(直接存储器访问) 12个DMA通道(7+5=12;7通道DMA1.5通道DMA2)支持外设:定时器。ADC,DAC,SDIO,IIC,SPI 和 USART 9、定时器:多达11个定时器 4个通用定时器 2个基本定时器 2个高级定时器 1个系统定时器 2个看门狗定时器 10、通信接口:多达13个通信接口 2个IIC 5个串口 3个SPI接口 1个SPI接口 1个CAN2.0 1个USB FS 1个SDIO
二、芯片内部结构怎么样
该图在芯片数据手册里面找到, 
三、芯片引脚和功能怎么对应
该图在芯片数据手册里面找,  在数据手册里面查找引脚功能  

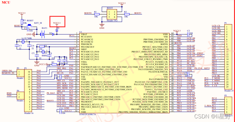
四、STM32最小系统设计
1、供电 VDD 数字高 VSS 数字地,VDDA 模拟高,需要加一个电阻 
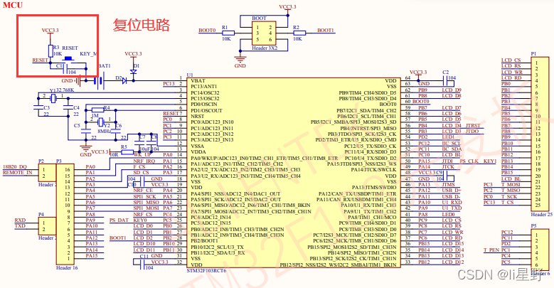
2、复位 
3、时钟:外部晶振(2个)  C3\C4电容一般不焊接因为内部已经到了电容 4、Boot 启动模式选择 
5、下载电路(串口/JTAD/SWD)  (1)串口下载,留出串口1 接一个USB转接口 (2)JTAD/SWD下载 
6、后备电源 
|