1. 前言
当CPU的数据位与存储器如sram/flash/prom等不一致时,地址线的解法往往要移位ie,这是为什么呢?
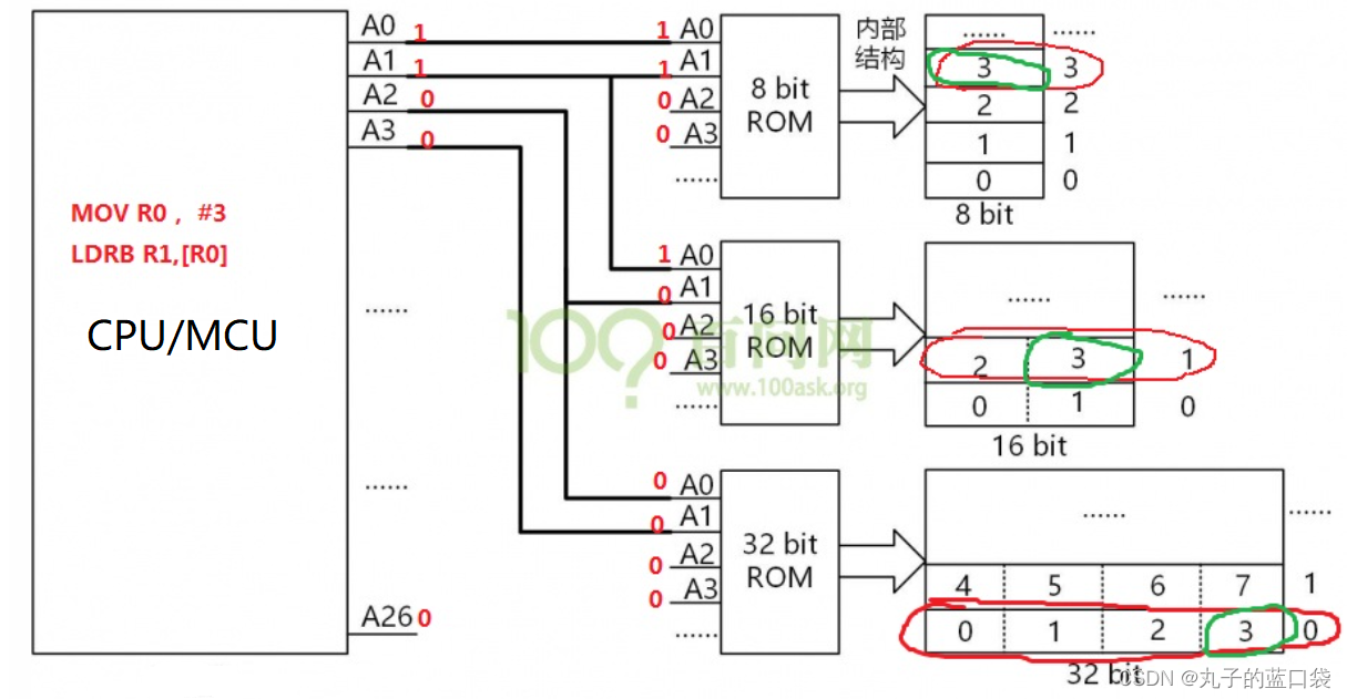
2. 原因
 以上图为例进行说明,左侧是CPU/MCU,右侧是ROM存储器。 1)当ROM为8位时,CPU的地址线A0对应ROM的A0 CPU一个地址对应一个字节,即8位。 ROM一个地址对应一个字节,即8位。 当访问地址3,由于地址线会经过译码,所以对应CPU A1A0=11,正好对应ROM的A1A0=11时的数据位置。
2)当ROM为16位时,CPU的地址线A1对应ROM的A0 CPU一个地址对应一个字节,即8位。 ROM一个地址对应两个字节,即16位。 当访问地址3,对应CPU A1A0=11,而ROM的0地址放着CPU 对应0 1地址的数据,1地址放着2,3地址的数据,正好对应ROM的A1A0=01时的数据位置。并且当CPU的A1为0,不论A0为0,还是1,都对应ROM的A0为0,只有当CPU A1为1时,才对应ROM A0 为1. 所以,这种情况下,CPU的A1才是ROM A0 的匹配对象,所以应该将两者连接。 倘若在这种情况下,CPU A0与ROM A0接在一起了,当CPU想访问地址3的数据时,原本想访问第4个字节,结果会访问到ROM 地址3对应的字节即第8个字节,所以会出现访问不到数据的情况。
3)当ROM为32位时,CPU的地址线A2对应ROM的A0 CPU一个地址对应一个字节,即8位。 ROM一个地址对应两个字节,即32位。 同理2),当访问CPU 地址3的数据时,对应ROM的0地址,因为0地址里放了CPU对应的0,1,2,3地址数据,所以当CPU A2为0时,ROM A0为0,当CPU A2为1时,ROM A0为1。 所以,这种情况下,CPU的A2才是ROM A0 的匹配对象,所以应该将两者连接。同样,接错会出现访问不到数据的现象。
以此类推,当为64位ROM时,CPU A3接ROM A0,其他存储器也一样。
3. 总结
- CPU一个地址对应一个字节,即8位
- 存储器的地址从A0开始,变的是CPU的地址。
- 若不变CPU地址接法,会出现数据访问不到的情况
|