|
学习自记分享:
1、区分PMOS NMOS
S源极,D漏极,G栅极 如下图,PMOS就是个P(屁),P总是往外放的,箭头向外的就是PMOS;

对于NMOS,载流子是电子,我们知道电子的流向都是从源极到漏极,但是电流的流向是从漏极到源极。 对于PMOS,载流子是空穴对,空穴对的流向也是从源极到漏极,与NMOS不同的是PMOS电流的方向也是从源极到漏极,注意区分。



?上图出现的二极管为体二极管,在驱动感性负载(马达)时很重要
2、NMOS PMOS导通条件
NMOS管的主回路电流方向为D→S,S端接地(低电位),导通条件为VGS有一定的压差,一般为5~10V(G电位比S电位高);
PMOS管的主回路电流方向为S→D,S端接VDD(高电平),导通条件为VGS有一定的压差,一般为-5~-10V(S电位比G电位高);
3.NMOS PMOS 上下管电路
mos芯片输出驱动为什么一般用pmos做上管,nmos做下管?
其实这个问题本身有一点点不全面,只能说现在很多驱动是用 PMOS管做上管,NMOS管做下管,但是在很多驱动中,尤其是电源中,无论是上管还是下管,都是用NMOS的。
首先,为什么很多驱动是上管用P,下管用N,这个前面的答案已经讲了,简单来说,就是利用P管和N管导通特性的不同,上管用P,VGS更容易小于0,让管子导通,得到高电平;下管用N,VGS更容易大于0,得到低电平。这里要注意一个点,就是之所以P管可以用作上管,还利用了一个特性,就是当MOS管导通以后,电流既可以从D极往S极流,也可以从S极往D极流。
为什么说还有很多驱动,无论上管还是下管都是NMOS?
这是因为相同体积的PMOS管的导通电阻是比NMOS管大很多的,那么在做芯片的时候,如果想减少芯片内的损耗,就要用很大体积的PMOS+一个体积小得多的NMOS。管子体积的变大,自然会让整个IC的体积也变大很多。所以人们为了节省体积和成本,很多时候会选择上下管都用N管。
当然,如果上下管都使用N管,上管的导通就是另一个问题了。这个大家应该很容易想明白,因为在上管中S极已经是VDD了(下管截止,下管的D极就是上管的S极),那么要使VGS>0,就要使用升压电路对G极升压。电源或者一般的马达驱动电路中,是使用charge pump。
4.电荷泵的基本原理
电荷泵的基本原理:给电容充电,把电容从充电电路取下以隔离充进的电荷,然后连接到另一个电路上,传递刚才隔离的电荷。
如下图最简单的电荷泵,假设二极管为理想二极管。跨接电容A端通过二极管接Vcc,另一端B端接振幅Vin的PWM方波。当B点电位为0时,A点电位为Vcc;当B点电位上升至Vin时,因为电容两端电压不变,此时A点电位上升为Vcc+Vin。所以从图中可知,A点的电压就是一个PWM方波,最大值是Vcc+Vin,最小值是Vcc。

5.升压电路举例
上管电路利用充电泵电容实现升压电路
原理图1?
Q3导通时C7充电到24V,Q3截止时,24V电压加到C7负极,抬升C7正电压,通过D2流到NOMS栅极,C1滤波,R15 R16分压;
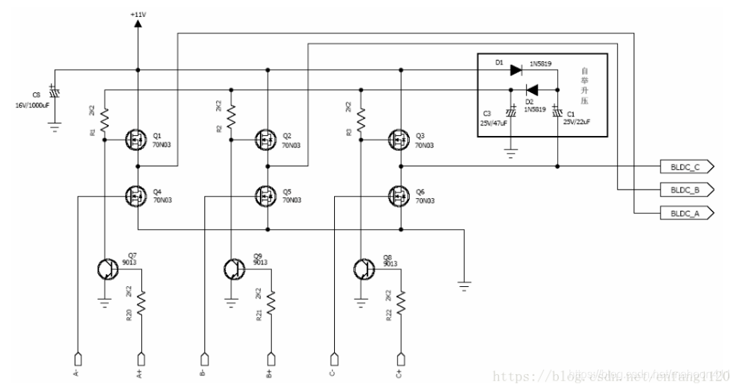
原理图2

1、上电时:电源+11V流过D1、D2向C3充电,C3上的电压很快升至接近11V;
2、以C+和C-为例,当C+和C-都为高电平时,Q8导通,Q3截止,Q6导通,C1负极被拉低,C1形成充电回路,会很快C1充电至11V;
3、当PWM波形翻转,即C+和C-都为低电平,Q8截止,Q3导通,Q6截至,Q3的D、S极电压相等,C1负极电位被抬高到接近电源电压11V,水涨船高,此时C1正极电位已超过电源电压,并高于C3端电压。因为D1的存在,该电压不会向电源倒流;此时开始向C3充电,C3上的端电压被充至接近2倍电源电压22V;
4、只要Q3、Q6一直轮流导通和截止,C1就会不断向C3充电,使C3端电压一直保持22V的电压。
6、C3端22V的电压就可以驱动三个上桥臂MOS管Q1、Q2、Q3。 ?
|