|
目录
前言
要求
?一.DMA的基本介绍
DMA的基本定义
DMA的主要特征
STM32F411x系列芯片DMA控制器
?二.通过CubeMX配置项目
1.创建项目
?2.选择芯片STM32F103C8T6
3.设置RCC?
?4.设置串口
?5.设置NVIC Settings
6.DMA设置?
?7.DMA基础设置
8.时钟源设置?
9.项目文件设置?
三.在keil配置代码?
1.打开通过CubeMX生成的项目
2.配置下载工具
3.添加代码?
?4.编译并烧录
?5.程序实现
四.总结
五.参考资料
【STM32】HAL库 STM32CubeMX教程十一---DMA (串口DMA发送接收)
?
前言
软件版本: ?? ?STM32CubeMX:6.61 ? ? KEIl:5.61 ? ?mcuisp ? ? firetools 硬件: ? ? STM32F103C8T6
要求
STM32采用串口DMA方式,用115200bps或更高速率向上位机连续发送数据
?一.DMA的基本介绍
DMA的基本定义
DMA,全称Direct Memory Access,即直接存储器访问。
DMA传输将数据从一个地址空间复制到另一个地址空间,提供在外设和存储器之间或者存储器和存储器之间的高速数据传输。当CPU初始化这个传输动作,传输动作本身是由DMA控制器来实现和完成的。DMA传输方式无需CPU直接控制传输,也没有中断处理方式那样保留现场和恢复现场过程,通过硬件为RAM和IO设备开辟一条直接传输数据的通道,使得CPU的效率大大提高。
DMA的主要特征
·每个通道都直接连接专用的硬件DMA请求,每个通道都同样支持软件触发,这些功能通过软件来配置。
·在同一个DMA模块上,多个请求间的优先权可以通过软件编程设置(共有四级:很高、高、中等和低),优先权设置相等时由硬件决定(请求0优先于请求1,依此类推)。
·独立数据源和目标数据区的传输宽度(字节、半字、全字),模拟打包和拆包的过程。源和目标地址必须按数据传输宽度对齐。
·支持循环的缓冲器管理。
·每个通道都有3个事件标志(DMA半传输、DMA传输完成和DMA传输出错),这3个事件标志逻辑或成为一个单独的中断请求。
·存储器和存储器间的传输、外设和存储器、存储器和外设之间的传输。
·闪存、SRAM、外设的SRAM、APB1、APB2和AHB外设均可作为访问的源和目标。
·可编程的数据传输数目:最大为65535(0xFFFF)。
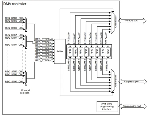
STM32F411x系列芯片DMA控制器
DMA的工作框图如下图所示。DMA控制器和Cortex?-M4核心共享系统数据总线,执行直接存储器数据传输。当CPU和DMA同时访问相同的目标(RAM或外设)时,DMA请求会暂停CPU访问系统总线达若干个周期,总线仲裁器执行循环调度,以保证CPU至少可以得到一半的系统总线(存储器或外设)带宽。
DMA控制器传输作为AHB主设备操作直接存储器,它可以控制AHB总线的控制矩阵以启动AHB传送。它可以执行以下信息交换:
?外设到内存
?内存到外设
?内存到内存
DMA控制器提供两个AHB主端口:AHB内存端口(用于连接到内存)和AHB外设端口(用于连接到外设)。 但是,为了允许内存到内存的传输,AHB外设端口也必须可以访问内存。AHB从端口用于对DMA控制器的编程控制(仅支持32位访问)。

DMA处理
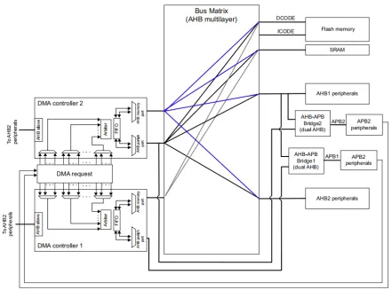
对于两个DMA控制器的系统实现如下图所示。DMA1控制器AHB外设端口没有像DMA2控制器那样连接到总线矩阵,所以只有DMA2能够执行内存到内存的数据传输。

?

DMA事务由给定数量的数据传输序列组成,可以传输的数据项的数量及其宽度(8位,16位或32位)可以通过软件编程实现。每个DMA传输都包含三个操作步骤:
·从外设数据寄存器或者从当前外设/存储器地址寄存器指示的存储器地址取数据,第一次传输时的开始地址是DMA_CPARx或DMA_CMARx寄存器指定的外设基地址或存储器单元;
·存数据到外设数据寄存器或者当前外设/存储器地址寄存器指示的存储器地址,第一次传输时的开始地址是DMA_CPARx或DMA_CMARx寄存器指定的外设基地址或存储器单元;
·执行一次DMA_CNDTRx寄存器的递减操作,该寄存器包含未完成的操作数目。
通道选择
事件发生后,外设向DMA控制器发送请求信号,DMA控制器根据通道优先级来处理请求。当DMA控制器访问外围设备时,确认信号即由DMA控制器发送到外围设备,一旦外围设备从DMA控制器收到确认信号,它就会释放其请求,当外设取消了该请求后,DMA控制器将释放确认信号。 如果外设还有更多请求,它可以启动下一轮请求操作。
每个数据流流都与一个DMA请求相关,该DMA请求可以从8个可能的通道请求中选择,由DMA_SxCR寄存器中的CHSEL [2:0]位控制。

来自外设(TIM,ADC,SPI,I2C等)的8个请求独立连接到每个通道如下图所示:


仲裁器
仲裁器根据通道请求的优先级来启动外设/存储器的访问。优先权管理分2个阶段:
·软件:每个通道的优先权可以在DMA_CCRx寄存器中设置,有4个等级:最高优先级、高优先级、中等优先级、低优先级;
·硬件:如果2个请求有相同的软件优先级,则较低编号的通道比较高编号的通道有较高的优先权。比如:如果软件优先级相同,通道2优先于通道4。
注意: 在大容量产品和互联型产品中,DMA1控制器拥有高于DMA2控制器的优先级。
DMA通道数据量
每个通道都可以在有固定地址的外设寄存器和存储器地址之间执行DMA传输。DMA传输的数据量是可编程的,最大达到65535(0xFFFF)。包含要传输的数据项数量的寄存器,在每次传输后递减。外设和存储器的传输数据量可以通过DMA_CCRx寄存器中的PSIZE和MSIZE位编程得到。
DMA传输模式
数据传输源和目的地都可以寻址整个4 GB区域中的外围设备和存储器,其地址介于0x0000 0000和0xFFFF FFFF之间。传输方向使用DMA_SxCR寄存器中的DIR [1:0]位进行配置,并提供三种可能性:存储器到外围设备,外围设备到存储器或存储器到存储器的传输。

外设到存储器模式
使能此模式时(通过将DMA_SxCR寄存器中的EN位置1),每次发生外设请求时,数据流都会启动传输从数据源来填充到FIFO。当达到FIFO的阈值水平时,FIFO的内容被清空并存储到目标地址。
当外设请求结束传输时(对于外设流控制器),或当DMA_SxNDTR寄存器达到零时或将DMA_SxNDTR寄存器中的EN位清零,则传输停止。
当赢得了相应流的仲裁时,该数据流通道才可以访问AHB源或目标端口,使用DMA_SxCR寄存器中的PL [1:0]位,为每个数据流通道的优先级进行仲裁。

存储器到外设模式
使能该模式时(通过将DMA_SxCR寄存器中的EN位置1),该数据流通道立即启动传输,以完全填充FIFO。每次发生外设请求时,FIFO的内容都会被清空并存储到目的地。当FIFO未满时,会从内存中重新加载数据。
当外设请求结束传输时(对于外设流控制器),或者当DMA_SxNDTR寄存器达到零时或将DMA_SxNDTR寄存器中的EN位清零,则传输停止。
当赢得了相应流的仲裁时,该数据流通道才可以访问AHB源或目标端口,使用DMA_SxCR寄存器中的PL [1:0]位,为每个数据流通道的优先级进行仲裁。

存储器到存储器模式
配置同上。存储器到存储器模式不能与循环模式同时使用。

循环模式
循环模式可用于处理循环缓冲区和连续数据流(例如ADC扫描模式)。 可以使用DMA_SxCR寄存器中的CIRC位来启用此功能。使能循环模式后,将在数据流通道配置阶段使用初始值自动装载要传输的数据,并且DMA请求将继续。
中断
每个DMA通道都可以在DMA传输过半、传输完成和传输错误时产生中断。为应用的灵活性考虑,通过设置寄存器的不同位来打开这些中断。
对于每个DMA数据流通道,可以在以下事件上产生中断:
?达到半转移
?转移完成
?传输错误
?FIFO错误(溢出,欠载或FIFO内存错误)
?直接模式错误

?二.通过CubeMX配置项目
1.创建项目

?2.选择芯片STM32F103C8T6

3.设置RCC?

?4.设置串口

?5.设置NVIC Settings

6.DMA设置?
根据DMA通道预览可以知道,我们用的USART1 的TX RX 分别对应DMA1 的通道4和通道5

?7.DMA基础设置

8.时钟源设置?

9.项目文件设置?

?
然后点击GENERATE CODE 创建工程?
三.在keil配置代码?
1.打开通过CubeMX生成的项目
2.配置下载工具
新建的工程所有配置都是默认的 我们需要自行选择下载模式,勾选上下载后复位运行

?
3.添加代码?
在main.C中添加:
/* USER CODE BEGIN Init */
uint8_t Senbuff[] = "\r\n**** Serial Output Message by DMA ***\r\n UART DMA Test \r\n Zxiaoxuan"; //定义数据发送数组
/* USER CODE END Init */
?
while循环:
while (1)
{
/* USER CODE END WHILE */
HAL_UART_Transmit_DMA(&huart1, (uint8_t *)Senbuff, sizeof(Senbuff));
HAL_Delay(1000);
/* USER CODE BEGIN 3 */
}
?
?4.编译并烧录

?5.程序实现

四.总结
因为DMA的原理及概念实在是晦涩难懂,所以我只有借助其他人的博客进行操作,我只能完成最简单的任务,难以进行更进一步的深入
五.参考资料
【STM32】HAL库 STM32CubeMX教程十一---DMA (串口DMA发送接收)
|