|
数组习题的引入
import java.util.*;
public class TestArray01{
public static void main(String[] args){
//功能:键盘录入十个学生的成绩,求和,求平均数
//定义一个求和的变量
int sum = 0;
Scanner sc = new Scanner(System.in);
for(int i = 1;i<=10;i++){//i:控制循环的次数
System.out.println("请录入第"+i+"个学生的成绩");
int score = sc.nextInt();
sum += score;
}
System.out.println("十个学生的成绩之和为:"+sum);
System.out.println("十个学生的成绩平均数为:"+sum/10);
//缺点:求某个学生的成绩? -----》不能
}
}
缺点:不能求每个学生的具体成绩是多少
解决:将成绩进行存储? -----》引入:数组
感受到数组的作用:数组用来存储数据的,在程序设计中,为了方便处理,数组用来将相同类型的若干数据组织起来。这个若干数据的集合我们称之为:数组。
1.数组的学习
【1】数组的定义
数组是相同类型的数据的有序集合。数组描述的是相同类型的若干个数据,按照一定的先后次序排列组合而成。其中,每个数据称作一个元素,每个元素可以通过一个索引(下标)来访问他们。
数组的四个基本特点:
(1)长度是确定的。数组一旦被创建,它的大小就是不可以改变的。
(2)其元素的类型必须是相同类型,不允许出现混合类型。
(3)数组的类型可以是任何数据类型,包括基本类型和引用类型。
(4)数组有索引的:索引从0开始,到数组 length-1 结束
(5)数组变量属于引用类型,数组也是对象
ps:数组变量属于引用类型,数组也是对象,数组中的每个元素相当于该对象的成员变量。数组本身就是对象,java中对象是在堆中的,因此数据无论保存原始类型还是其他对象类型,数据对象本身是在堆中存储的。
【2】数组的学习
public class TestArray02{
public static void main(String[] args){
//数组的作用:用来存储相同类型的数据
//以int类型的数据为案例:数组用来存储int类型的数据
//1.声明(定义数组)
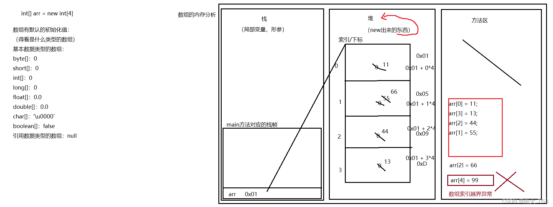
int[] arr;//定义一个int类型的数组,名字叫arr
int arr2[];
//如果数组只声明,没有后续操作,那么这个数组相当于没有定义
int arr3[] = null;// 空 辨别:数组赋值为null和什么都没有赋值,不一样的效果
//2.创建
arr = new int[4];//给数组开一个长度为4的空间
//编译期声明和创建会被合为一句话:int[] arr = new int[4];
//3.赋值
arr[0] = 11;
arr[3] = 13;
arr[2] = 44;
arr[1] = 55;
/*
arr[4] = 77;
出现异常:Exception in thread "main" java.lang.ArrayIndexOutOfBoundsException: 4
Array 数组
Index 索引
OutOf 超出
Bounds 界限
Exception 异常
----》数据索引越界异常
*/
//4.使用
System.out.println(arr[2]);
System.out.println(arr[0]+100);
//通过一个数组属性来获取 length 长度
System.out.println("数组的长度是:"+arr.length);
}
}
(内存分析)

2.数组的遍历
import java.util.*;
public class TestArray03{
public static void main(String[] args){
//功能:键盘录入十个学生的成绩,求和,求平均数
//定义一个int类型的数组,长度为10;
int[] scores = new int[10];
//定义一个求和的变量
int sum = 0;
Scanner sc = new Scanner(System.in);
for(int i = 1;i<=10;i++){//i:控制循环的次数
System.out.println("请录入第"+i+"个学生的成绩");
int score = sc.nextInt();
scores[i-1] = score;
sum += score;
}
System.out.println("十个学生的成绩之和为:"+sum);
System.out.println("十个学生的成绩平均数为:"+sum/10);
//求全部学生的成绩:
//将数组中的每个元素进行查看 ---->数组的遍历:
//方式一:普通for循环 -----》正向遍历
for(int i = 0;i<=9;i++){
System.out.println("第"+(i+1)+"个学生的成绩为"+scores[i]);
}
//方式二:增强for循环
//对 scores数组进行遍历,遍历出来的每一个元素都用int类型的num接收
for(int num:scores){
//每次都将num在控制台输出
System.out.println(num);
}
/*
增强for循环:
优点:代码简单
缺点:单纯的增强for循环不能设计和索引相关的操作
*/
//方式三:利用普通for循环;逆向遍历
for(int i=9;i>=0;i--){
System.out.println("第"+(i+1)+"个学生的成绩为"+scores[i]);
}
}
}
3.数组的初始化方式
【1】静态初始化
除了用new关键字来产生数组以外,还可以直接在定义数组的同时就为数组元素分配空间并赋值。
eg:
int[] arr = {12,23,45};
int[] arr = new int[] {12,23,45};
注意:
(1).new int[3]{12,23,45};? ----->错误(自动默认分配三个空间,不用写三个长度)
(2).int[] arr;
arr = {12,23,45}? ?------>错误 (这么写编译器不认为这是一个数组)
【2】动态初始化
数组定义与数组元素分配空间并复制的的操作分开进行。
eg:
int[] arr = new int[3];
arr[0] = 12;
arr[1] = 23;
arr[2] = 45;
【3】默认初始化
数组是引用类型,它的元素相当于类的实例变量,因此数组一经分配空间,其中的每个元素也被按照实例变量同样的方式被隐式初始化。
eg:
int[] arr = new int[3];? ----->数组有默认的初始化值

4.数组的应用
1)最值问题
【1】实现一个功能:给定一个数组int[] arr = {12,23,34,45,56,67,1,4}; 求出数组中的最大数?。
(原理:打擂原理)
public class TestArray04{
public static void main(String[] args){
//实现一个功能:给定一个数组int[] arr = {12,23,34,45,56,67,1,4}
//1.给定一个数组
int[] arr = {12,23,34,45,56,67,1,4};
//2.求出数组中的最大值
//先找一个数上擂台,假定认为这个数最大
int maxNum = arr[0];
for(int i = 0;i<arr.length;i++){
if(arr[i]>maxNum){
maxNum = arr[i];
}
}
System.out.println("当前数组中最大的数为:"+maxNum);
}
}
【2】将求最大值的方法提取出来
public class TestArray05{
public static void main(String[] args){
//实现一个功能:给定一个数组int[] arr = {12,23,34,45,56,67,1,4}
//1.给定一个数组
int[] arr = {12,23,34,45,56,67,1,4};
//2.求出数组中的最大值
//调用方法:
int num = getMaxNum(arr);
System.out.println("当前数组中最大的数为:"+num);
}
/*
想提取一个方法:求数组中的最大值
求哪个数组中的最大值 ----》不确定因素:哪个数组(形参) ---》返回值:最大值
*/
public static int getMaxNum(int[] arr){
//先找一个数上擂台,假定认为这个数最大
int maxNum = arr[0];
for(int i = 0;i<arr.length;i++){
if(arr[i]>maxNum){
maxNum = arr[i];
}
}
return maxNum;
}
}
【3】画内存
方法的实参传递给形参的时候一定要注意:一切都是值传递
如果是基本数据类型,那么传递的就是字面值
如果是引用数据类型,那么传递的就是地址值

2)查询问题
【1】查询指定位置的元素
public class TestArray06{
public static void main(String[] args){
//查询指定位置的元素
//给定一个数组:
int[] arr = {12,23,34,45,3,4,6};
//查找索引位置为2的元素的位置
System.out.println(arr[2]);
}
}
上面的代码体现了数组的一个优点:
在按照位置查询的时候,直接一步到位,效率非常高
?【2】查找指定元素的位置? ------》找出元素对应的索引
public class TestArray07{
public static void main(String[] args){
//查找指定元素的位置 ---》找出元素对应的索引
//给定一个数组:
int[] arr = {12,23,34,4,3,4554,34,3};
// 0 1 2 3 4 5 6 7
//功能:查询元素34对应的索引
int index = -1;//这个初始值只要不是数组的索引即可
for(int i=0;i<arr.length;i++){
if(arr[i]==34){
index = i;//只要找到了元素,那么index就变为i
break;//只要找到了这个元素,循环停止
}
}
if(index!=-1){
System.out.println("元素对应位置的索引为"+index);
}else{//index==-1
System.out.println("查无此数!");
}
}
}
【3】将查询指定元素对应的索引的功能提取为方法
public class TestArray08{
public static void main(String[] args){
//查找指定元素的位置 ---》找出元素对应的索引
//给定一个数组:
int[] arr = {12,23,34,4,3,4554,34,3};
// 0 1 2 3 4 5 6 7
//功能:查询元素34对应的索引
//调用方法
int index = getIndex(arr,34);
//后续对index的值进行一个判断
if(index!=-1){
System.out.println("元素对应位置的索引为"+index);
}else{//index==-1
System.out.println("查无此数!");
}
}
/*
定义一个方法:查询数组中指定元素对应的索引;
不确定因素:哪个数组,那个指定元素 (形参)
返回值:索引
*/
public static int getIndex(int[] arr,int ele){
int index = -1;//这个初始值只要不是数组的索引即可
for(int i=0;i<arr.length;i++){
if(arr[i]==ele){
index = i;//只要找到了元素,那么index就变为i
break;//只要找到了这个元素,循环停止
}
}
return index;
}
}
3)添加元素
【1】实现一个功能:在数组下标为2的位置添加一个元素
添加逻辑:
?
public class TestArray09{
public static void main(String[] args){
//功能:给定一个数组,在数组下标为2的位置上添加一个元素55
//1.给定一个数组
int[] arr = {12,23,44,67,76,89,22,2,3,35,455,6};
// 0 1 2 3 4 5 6 7 8 9 10 11
//2.输出增加元素前的数组
System.out.print("增加元素前的数组:");
for(int i=0;i<arr.length;i++){
if(i!=arr.length-1){
System.out.print(arr[i]+",");
}else{//i==arr.length-1 最后一个元素不用加逗号
System.out.print(arr[i]);
}
}
//3.增加元素
/*
arr[6] = arr[5];
arr[5] = arr[4];
arr[4] = arr[3];
arr[3] = arr[2];
arr[2] = 91;
*/
int index = 2;//在指定位置添加元素
for(int i=arr.length-1;i>=(index+1);i--){
arr[i] = arr[i-1];
}
arr[index] = 91;
//4.输出增加元素后的数组
System.out.print("\n增加元素后的数组:");
for(int i=0;i<arr.length;i++){
if(i!=arr.length-1){
System.out.print(arr[i]+",");
}else{
System.out.print(arr[i]);
}
}
}
}
【2】将添加功能提取为一个方法
import java.util.*;
public class TestArray10{
public static void main(String[] args){
//功能:给定一个数组,在数组下标为2的位置上添加一个元素55
//1.给定一个数组
int[] arr = {12,23,44,67,76,89,22,2,3,35,455,6};
// 0 1 2 3 4 5 6 7 8 9 10 11
//2.输出增加元素前的数组
System.out.print("增加元素前的数组:");
for(int i=0;i<arr.length;i++){
if(i!=arr.length-1){
System.out.print(arr[i]+",");
}else{//i==arr.length-1 最后一个元素不用加逗号
System.out.print(arr[i]);
}
}
//从键盘录入数据
Scanner sc = new Scanner(System.in);
System.out.println("\n请录入你要添加元素的指定下标");
int index = sc.nextInt();
System.out.println("\n请录入你要添加的元素");
int ele = sc.nextInt();
//3.增加元素
/*
arr[6] = arr[5];
arr[5] = arr[4];
arr[4] = arr[3];
arr[3] = arr[2];
arr[2] = 91;
*/
//调用方法
insertEle(arr,index,ele);
//4.输出增加元素后的数组
System.out.print("\n增加元素后的数组:");
for(int i=0;i<arr.length;i++){
if(i!=arr.length-1){
System.out.print(arr[i]+",");
}else{
System.out.print(arr[i]);
}
}
}
/*
提取一个添加元素的方法:
在数组的指定位置上添加一个指定的元素
在哪个数组的哪个位置添加哪个元素!
(不确定因素:形参:哪个数组,哪个位置,哪个元素,)
返回值:无
*/
public static void insertEle(int[] arr,int index,int ele){
for(int i=arr.length-1;i>=(index+1);i--){
arr[i] = arr[i-1];
}
arr[index] = ele;
}
}
4)删除元素
逻辑

import java.util.*;
public class TestArray11{
public static void main(String[] args){
//功能:给定一个数组,删除下标为2元素
//1.给定一个数组
int[] arr = {12,23,45,55,43};
// 0 1 2 3 4
//2.输出删除前的数组
System.out.println("删除元素前的数组为:"+Arrays.toString(arr));
//3.删除
/*
arr[2] = arr[3];
arr[3] = arr[4];
arr[4] = arr[5];
*/
int index = 0;
for(int i=index;i<=arr.length-2;i++){
arr[i] = arr[i+1];
}
arr[arr.length-1] = 0;
//4.输出删除后的数组
System.out.println("删除元素后的数组为:"+Arrays.toString(arr));
}
}
?【2】实现一个功能:删除指定元素(位置未知)
import java.util.*;
public class TestArray12{
public static void main(String[] args){
//功能:给定一个数组,删除指定元素
//1.给定一个数组
int[] arr = {12,23,45,55,43};
// 0 1 2 3 4
//2.输出删除前的数组
System.out.println("删除元素前的数组为:"+Arrays.toString(arr));
//找到要删除的元素对应的索引
int index = -1;
for(int i=0;i<arr.length;i++){
if(arr[i]==12){
index = i;
break;
}
}
//3.删除
/*
arr[2] = arr[3];
arr[3] = arr[4];
arr[4] = arr[5];
*/
if(index!=-1){
for(int i=index;i<=arr.length-2;i++){
arr[i] = arr[i+1];
}
arr[arr.length-1] = 0;
}else{//index==-1
System.out.println("没有你要删除的元素");
}
//4.输出删除后的数组
System.out.println("删除元素后的数组为:"+Arrays.toString(arr));
}
}
5.详述main方法
【1】main方法:程序的入口。在同一个类中,如果有多个方法,虚拟机就会识别main方法从这个方法作为程序的入口
【2】main方法格式严格要求:
public static void main(String[] args){}
public static? ------>修饰符(暂用)
void? ----->代表方法没有返回值
main ----->见名知意名字
String[] args ----->形参? ----》不确定因素
【3】问题:程序中是否可以有其它的方法也叫main方法?
可以
public static void main(String[] args){
}
public static void main(String str){
}
(方法名相同,形参列表不同,方法的重载)
【4】形参为String[],那么实参到底是什么?
public class TestArray13{
public static void main(String[] args){
//从侧面验证:
//int[] arr1;----->对数组只声明,没有后续操作,相当于 白定义了
/*
int[] arr2 = null;
System.out.println(arr2.length);
----->Exception in thread "main" java.lang.NullPointerException
*/
/*
int[] arr3 = new int[0];
System.out.println(arr3.length);----->输出为0
*/
/*
System.out.println(args.length);
这个结果证明,参数是String[],实参是 new String[0]
默认情况下,虚拟机在调用main方法的时候就是传入了一个长度为0的数组
*/
System.out.println(args.length);
for(String str:args){
System.out.println(str);
}
}
}
手动传入实参:
有特殊符号可以加上"";没有特殊符号用空格隔开即可

6.可变参数(拓展)
public class TestArray14{
/*
1.可变参数:(作用)提供了一个方法,参数的个数是可变的
int...num
double...num
float...num
boolean...num
作用:解决了部分方法的重载问题
2.可变参数在JDK1.5之后加入的新特性
3.方法的内部对可变参数的处理跟数组是一样的
4.可变参数和其他数据一起作为形参的时候,可变参数一定要放在最后
5.我们自己写代码,尽量不要使用可变参数
*/
public static void main(String[] args){
//method01(1);
//method01();
//method01(2,34,56);
method01(23,34,45,67,87);
//method01(new int[]{12,33,77,88,99});
}
public static void method01(int num2,int...num){
System.out.println("----a");
for(int i:num){
System.out.print(i+"\t");
}
System.out.println();
System.out.println(num2);
}
}
?7.Arrays类
?(为了方便我们对数组进行操作,系统提供了一个类Arrays,我们把它当成工具类来使用)
import java.util.*;
public class TestArray15{
public static void main(String[] args){
//给定一个数组
int[] arr = {1,2,3,4,5,6};
//toString:对数组进行遍历查看,返回的是一个字符串,看的较为清楚
System.out.println(Arrays.toString(arr));
//binarySearch:二分法查找,找出指定数组中的指定元素对应的索引
//方法的使用是有前提的:一定要查看的是一个有序的数组
//sort:排序----->升序
Arrays.sort(arr);
System.out.println(Arrays.toString(arr));
System.out.println(Arrays.binarySearch(arr,4));
int[] arr2 = {1,3,5,7,9};
//copyOf:完成数组的复制
int[] newArr = Arrays.copyOf(arr2,4);
System.out.println(Arrays.toString(newArr));
//copyOfRange:区间复制:
int[] newArr2 = Arrays.copyOfRange(arr2,1,4);//[1-4) --->1,2,3位置
System.out.println(Arrays.toString(newArr2));
//equals:比较两个数组的值是否一样
int[] arr3 = {1,3,5,7,0};
int[] arr4 = {1,3,5,7,0};
System.out.println(Arrays.equals(arr3,arr4));//true
System.out.println(arr3==arr4);//false ==比较左右两侧的值是否相等,比较的是左右两侧地址的值,返回值结果一定是false
//fill:数组的填充
int[] arr5 = {1,3,5,7,0};
Arrays.fill(arr5,10);
System.out.println(Arrays.toString(arr5));
}
}
拓展:(数组的复制)
static void? |? arraycopy(object src , int srcPos , object dest , int destPos , int length)
从指定源数组中复制一个数组,复制从指定的位置开始,到目标数组的指定位置结束
src ---? 源数组
srcPos? ----? 源数组中的起始位置
dest?-----? 目标数组
destPos ----? 目标数组中的起始位置
length ---- 要复制的数组元素的数量
(代码插入)
import java.util.*;
public class TestArray16{
public static void main(String[] args){
//给定一个源数组
int[] srcArr = {11,23,44,55,667,88,55,66,99};
//给定一个目标数组
int[] destArr = new int[10];
//复制
System.arraycopy(srcArr,1,destArr,3,3);
//遍历查看目标数组:
System.out.println(Arrays.toString(destArr));
}
}
结果:

8.二维数组
【1】引入:本质上全部都是一维数组

?【2】代码:
public class TestArray17{
public static void main(String[] args){
//定义一个二维数组
int[][] arr = new int[3][];//本质上定义了一个一维数组,长度为3
int[] a1 = {1,2,3};
arr[0] = a1;
arr[1] = new int[]{4,5,6,7};
arr[2] = new int[]{8,9};
}
}
?对应的内存分析:

【3】四种遍历方式
public class TestArray17{
public static void main(String[] args){
//定义一个二维数组
int[][] arr = new int[3][];//本质上定义了一个一维数组,长度为3
int[] a1 = {1,2,3};
arr[0] = a1;
arr[1] = new int[]{4,5,6,7};
arr[2] = new int[]{8,9};
//读取6这个元素
System.out.println(arr[1][2]);
//对二维数组进行遍历
/*
//方式1:外层普通for循环+内层普通for循环
for(int i=0;i<=2;i++){
for(int j=0;j<arr[i].length;j++){
System.out.print(arr[i][j]+"\t");
}
System.out.println();
}
//方式2:外层普通for循环+内层增强for循环:
for(int i=0;i<=2;i++){
for(int num:arr[i]){
System.out.println(num+"\t");
}
System.out.println();
}
//方式3:外层增强for循环+内层增强for循环
for(int[] a:arr){
for(int num:a){
System.out.println(num+"\t");
}
}
*/
//方式4:外层增强for循环+内层普通for循环
for(int[] a:arr){
for(int i=0;i<a.length;i++){
System.out.println(a[i]+"\t");
}
System.out.println();
}
}
}
?
|