5.1 CPU的功能和组成
?
1.CPU的功能

指令控制(程序的顺序控制)
操作控制(一条指令由若干操作信号实现)
时间控制(指令各个操作实施时间的定时)
数据加工(算术运算和逻辑运算)
?2.CPU的基本组成
中央处理器
CPU=
运算器
+
控制器
运算器
ALU
累加器
暂存器
控制器
程序计数器
(PC)
、指令寄存器
(IR)
、数据缓冲器
(DR)
、地址寄存器
(AR)
、通用寄存器、状态寄存器
(PSW)
、时序发生器、指令译码器
(ID)
、总线
3.CPU中的主要寄存器
DR
缓冲寄存器
/
地址寄存器
AR
n
中转站
补偿速度差别
IR
指令寄存器
PC
程序计数器
PSW
程序状态寄存器
AC
累加器
通用寄存器
4.操作控制器
数据通路
:
各个部件之间传送信息的通路。
操作控制器可分为时序逻辑型、存储逻辑型、时序逻辑与存储逻辑结合型三种
硬布线控制器
(
组合逻辑
)
是采用时序逻辑技术来实现的
微程序控制器
(
存储逻辑
)
是采用存储逻辑来实现的;
混合类型
前两种方式的组合
5.2 指令周期?
指令周期?
CPU
从内存取出一条指令并执行这条指令的时间总和。
CPU
周期??
又称机器周期,
CPU
访问一次内存所花的时间较长,因此用从内存读取一条指令字的最短时间来定义。
时钟周期?
通常称为节拍脉冲或
T
周期。一个
CPU
周期包含若干个时钟周期
下面我们用一个模型机来介绍指令周期概念
主要包括:取指(令)周期、(指令)执行周期
????????????????????????程序执行过程:框架原理
分析内容:指令的操作过程
分析对象:典型指令
CLA
指令:
0
→AC
指令性质
非访内存指令
二个
CPU
周期
操作过程
取指令阶段
执行指令阶段
ADD
指令:
AC
+(
D
)
→
AC
STA
指令:
AC
→
D
NOP
指令:空操作
????????????????? JMP指令:D→PC?
取指令阶段
PC →AR
PC
+
1 →PC
AR →ABUS
M →DR
DR →IR
IR
(
OP
)→指令译码器
译码及指令识别
CLR指令执行过程
操作控制器送信号给
ALU
ALU
响应控制信号,执行
AC
清零工作
ADD指令
指令性质
访内指令
三个
CPU
周期
操作过程
取指令阶段
执行指令阶段
送操作数地址
两操作数相加
送操作数地址:IR(地址码字段)→AR
两操作数相加
AR
→ABUS
M→DR
AC
+
DR→AC
STA指令
AC
→D
访内指令
三个
CPU
周期
取指令
送操作数地址
存数
存数操作
AC
→DR
AR →ABUS
DR →DBUS
DBUS →M
NOP指令
第一个
CPU
周期执行取指令码,操作过程与其它指令相同
第二个
CPU
周期为执行指令,不执行任何动作
JMP指令
取指令阶段操作相同
执行指令阶段
IR
(地址码部分)
→
PC
指令周期的描述
文字描述
数据通路图描述
示意图描述
方框图语言描述
一个方框代表一个
CPU
周期
菱形框代表某种判别或测试
“
~
”
代表公操作
双总线结构机器的数据通路图 
一条指令包括一个取指令周期和一个及一个以上的执行周期组成
在每个
CPU
周期中数据通路是明确的
数据通路的建立及操作受到操作控制器的控制,决定于是什么指令。
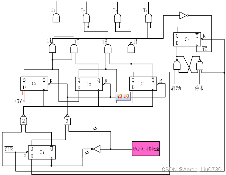
5.3 时许产生器
时序产生器
计算机的协调动作需要时间标志,而时间标志则是用时序信号来体现的。
硬布线控制器中,时序信号往往采用主状态周期
-
节拍电位
(CPU
周期
)-
节拍脉冲
(
时钟周期
)
三级体制。
在微程序控制器中,时序信号比较简单,一般采用节拍电位
-
节拍脉冲二级体制。
组成:
时钟源
环形脉冲发生器
节拍脉冲和读写时序译码逻辑
启停控制逻辑
?环形脉冲发生器
环形脉冲发生器与时序信号译码 
启停控制逻辑
?
启动、停机是随机的,对读
/
写时序信号也需要由启停逻辑加以控制。
?
当运行触发器为“
1”
时,打开时序电路。当计算机启动时,一定要从第
1
个节拍脉冲前沿开始工作。
?
当运行触发器“
0”
时,关闭时序产生器。停机时一定要在第
4
个节拍脉冲结束后关闭时序产生器。
控制方式
同步控制方式
定义:不同指令在执行时所需的机器周期数和时钟周期数都是固定不变的。
三种方案
采用完全统一的机器周期执行各种不同的指令
采用不定长的机器周期(将大多数操作安排在一个较短的机器周期内完成,对某些时间紧张的操作,则采取延长机器周期的办法来解决)
中央控制与局部控制结合(将大多数指令安排在固定的机器周期完成(称为中央控制),对少数复杂指令采用另外的时序进行定时(称为局部控制))
异步控制方式
控制方式:
每条指令的指令周期由不等长的机器周期数组成
根据执行部件的信号决定指令周期的结束
特点:
每条指令、每个操作控制信号需要多少时间就占用多少时间
操作控制序列没有固定的
CPU
周期数和时钟周期数与之同步
联合控制方式
同步方式与异步方式相结合的方式
其一,大部分操作序列同步的(机器周期数固定),少量操作采用执行部件的应答
其二,机器周期中的时钟周期数固定,各指令的机器周期数不固定(微程序控制)
5.4 微程序控制器
微程序控制计算机: 概念
微命令
由控制部件向执行部件发出的各种控制命令
微操作
执行部件在微命令的控制下完成的基本操作
微指令
一组实现一定功能的微命令的集合
微程序
完成一条机器指令功能的微指令序列的集合
控制存储器
存放微指令的存储器
?
微程序控制信号的编号与意义

例: 加法指令所需的控制信号
(1) 取指
指令地址送AB: PC →AB(1)
从存储器取指令送DB:
ADS(21), M/IO#=1 (22), W/R#=0 (23)
指令送IR: DB →IR(5)
PC+1: PC+1(3)
(2) 计算操作数地址
取源操作数地址码:
Rs1→GR(8), (rs1)→ALU(10), disp→ALU(4)
加法运算: +(13)
有效地址送AR: ALU →AR(19)
(3) 取操作数
操作数地址送AB: AR →AB(20)
由存储器将操作数送DB:
ADS(21), M/IO#=1 (22), W/R#=0 (23)
操作数送DR: DB →DR(6)
(4) 执行加法运算并送结果
两个源操作数送ALU:
rs→GR (9), (rs)→ALU(11), DR→ALU(12)
加法运算: +(13)
送结果: ALU →GR(17)
微程序指令的组织

?典型运算的微程序流程图
 
微程序控制器简图
微地址形成方法
计数器方式
多路转移方式
?
微程序设计的目标
微指令字的长度
控制存储器的容量
微程序的执行速度
微程序设计的灵活性
微指令编码
直接控制法
控制字段中的每一位表示一个微命令
缺点
:
控制字段长
,
如三
,
四百位
控制存储器容量要大
字段直接译码法
把互斥的微命令编为一组
对微命令进行编码
,
留出一个代码表示本段不发微命令
增设微命令译码器
字段间接编译法
一个字段的某些微命令由另一个字段的某些微命令来解释
如: 字段A受字段B的控制

常数字段
作为操作数送入ALU运算
作为计算机器初值来控制微程序的循环次数
?微指令格式
水平型微指令
在一条微指令中定义
,
并执行多个并行操作微指令
采用直接控制法
,
字段编译法
(
直接或间接
)
垂直型微指令
微指令中设置微操作码字段,采用微操作码编译法,由微操作码规定微指令的功能
特点
一条微指令只要求能控制实现一
/
二种操作
格式类似于指令
,
有微操作码字段
 水平型微指令和垂直型微指令的比较?
水平型并行操作能力强
,
效率高
;
垂直型则差
一条垂直型微指令一般只能完成一个操作
水平型微指令的执行时间短
,
而垂直型则长
由水平型微指令解释的微程序短
,
而垂直型则长
水平型微指令难掌握
,
而垂直型则较易掌握
水平型微指令与机器指令的差别很大
5.5 硬布线控制器
硬布线控制器的设计步骤
1.绘制指令流程图
2.列出微操作时间表
3.微操作的逻辑综合
?
 ??
微操作时间表

微操作的综合逻辑
对前两个步骤进行综合分析、归类,然后写出各微操作信号的逻辑表达式(由时序信号、指令译码信号及条件码、状态标志产生的)。
各种微操作的逻辑表达式
 ?
可编程逻辑阵列(PLA)控制逻辑?

硬布线控制器的构成
?
 ?
??
5.6 流水CPU
并行处理技术
时间并行
时间重叠
改善操作流程:流水线技术
空间并行
资源重复
增加冗余部件,如增加多操作部件处理机和超标量处理机
 ?
MIPS指令执行阶段?
1) IFetch: 取指令,PC+1
2) Decode Instruction:指令译码,读寄存器
3) Execute:
计算操作数地址
运算
4) Memory:
读
:
从内在读数据
写
:
写数据到内存
5) Write Back: 写数据到寄存器
?
指令流水时空图
?
?
流水方式和非流水方式比较
假设
内存存取需
2ns
ALU
运算需
2ns
寄存器读写需
1ns
非流水方式
lw
: IF + Read Reg+ ALU + Memory + Write Reg = 2 + 1 + 2 + 2 + 1 = 8ns
add
: IF + Read Reg+ ALU + Write Reg = 2 + 1 + 2 + 1 = 6ns
流水方式
Max(
IF,Read
Reg,ALU,Memory,Write
Reg) = 2 ns
非流水时空图
?
超标量超流水
?
流水线中相关问题

指令相关问题影响流水的性能
资源相关
流水执行的多条指令同时使用同一个部件
数据相关
流水执行的多条指令访问相同的数据
RAW
、
WAR
、
WAW
控制相关
转移指令引起的相关?
单个存储器?

解决方法
不能以增加内存的方式来解决
增加
L1 cache
,且将数据
L1 cache
和指令
L1 cache
分开
当两个
cache
都没命中时,需要更复杂的硬件控制?
寄存器

事实上寄存器的读写时间非常快:比
ALU
阶段的一半时间还少
解决方法:一种简单的方法
通常寄存器的写操作在前半个时钟周期内
通常寄存器的读操作在后半个时钟周期内
结论:
可以将寄存器读、写操作放在同一个时钟周期内
?数据相关:寄存器
?向前传输避免数据相关

?硬件实现

有向前传输的数据相关
 ?
数据相关
【例】流水线中有三类数据相关冲突:先写后读相关( RAW);先读后写相关( WAR);写-写相关(WRW)。判断以下三组指令各存在哪种类型的数据相关。
(1) I1: ADD R1,R2,R3 ; (R2) + (R3)->R1
I2: SUB R4,R1,R5 ; (R1) - (R5)->R4
(2) I3: STA M(x),R3 ; (R3)->M(x),
?????????????????????????????????????????????? M(x)是存储器单元
I4: ADD R3,R4,R5 ; (R4)+(R5)->R3
(3) I5: MUL R3,R1,R2 ; (R1)×(R2)->R3
????? I6: ADD R3,R4,R5 ; (R4) + (R5)->R3
控制相关?
引起原因:转移指令
解决办法:
转移预测法
硬件方法
转移取(
53%MIPS
)
顺序取(
47%
)
延迟转移法
编译优化:
Branch-delay slots
延迟槽
?
Pentium CPU
非固定长度指令格式,
9
种寻址方式,
191
条指令,兼具有
RISC
和
CISC
特性,不过我们还是将其看成
CISC
提供了更加灵活的存储器寻址结构,可以支持传统的
4k
大小的页面,也可以支持
4M
大小的页面
动态转移预测技术
32
位微处理器(主要寄存器宽度为
32
位)
Pentium
结构图
5.7 RICS CPU?
三个基本要素
一个有限的简单的指令集
CPU
配备大量的通用寄存器
强调对指令流水的优化
特点
:
指令数量少。一般少于
100
种
使用等长指令。目前典型长度为
4
个字节
寻址方式简单。一般
2-3
种,不超过
4
种
只有
LOAD/STORE
访问存储器。没有
SS
型指令
大部分指令可以单周期执行
控制器多采用硬布线方式
采用延迟转移技术
较多的寄存器
RISC
强调编译优化
实例
MC88110
CPU
结构框图(见下图)
12
个执行功能部件
3
个
Cache
(指令,数据和目标指令)
两个寄存器堆(通用寄存器堆、扩展寄存器堆)
六条
80
位宽的内部总线
|