1.OSI七层协议
????????OSI(Open System Interconnection,开放系统互联)
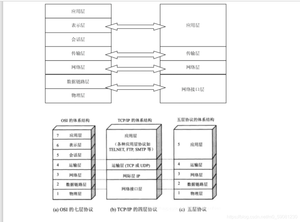
OSI --- 开放式系统互联 OSI/RM 1979年,ISO(国际标准化组织) OSI核心思想:分层 什么叫做分层:属于同一层面的不同功能具有相同或相似的目的,不同层次之间的功能将存在 较大的差异。而上一层都是在下一层提供的服务的基础上提供增值服务。 分层的作用:1,保证各层次之间的独立性。 2,更易于标准化 3,便于学习 应用层 表示层 会话层 ---- 维持网络应用和应用服务器之间的会话连接。会话层地址 传输层 ---- 端到端的传输 --- 端口号 --- (1 - 65535) 其中,1-1023 叫知名端口号 网络层 数据链路层 ---- MAC(介质访问控制层) LLC(逻辑链路控制层) --- FCS(帧校验序 列) --- 确保数据的完整性 --- CRC(循环冗余算法) 物理层
TCP/IP模型
应用层: 向用户提供一组常用的应用程序,比如电子邮件、文件传输访问、远程登录等。远程登录TELNET使用TELNET协议提供在网络其它主机上注册的接口。TELNET会话提供了基于字符的虚拟终端。文件传输访问FTP使用FTP协议来提供网络内机器间的文件拷贝功能。
传输层: 提供应用程序间的通信。其功能包括:一、格式化信息流;二、提供可靠传输。为实现后者,传输层协议规定接收端必须发回确认,并且假如分组丢失,必须重新发送。
网络层 : 负责相邻计算机之间的通信。其功能包括三方面。 一、处理来自传输层的分组发送请求,收到请求后,将分组装入IP数据报,填充报头,选择去往信宿机的路径,然后将数据报发往适当的网络接口。
二、处理输入数据报:首先检查其合法性,然后进行寻径–假如该数据报已到达信宿机,则去掉报头,将剩下部分交给适当的传输协议;假如该数据报尚未到达信宿,则转发该数据报。

?TCP报文格式

详细请看
https://blog.csdn.net/weixin_46108954/article/details/104255590
|